抢答器一般有多个抢答输入端和一个复位端,当某一抢答输入端有信号输入,则显示这一路的抢答成功。抢答成功后的瞬间能封锁住每一个抢答输入端,使后面的抢答器信号不能进入抢答器,一直到复位控制信号有效,才能解除封锁,进行下一次抢答。
抢答器电路的种类很多,本设计是一种电路结构功能非常清晰的电路。电路中只用到与门、或门等基本单元电路、基本RS触发器。
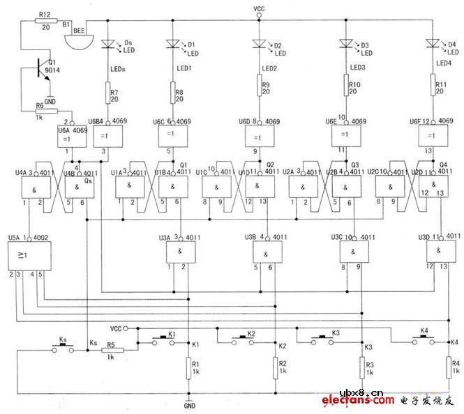
一、电路结构及工作原理
如下图所示,整个电路可分为信号输入控制电路、有效信号存储电路,输出驱动及指示电路。
U3A~U3D4个与非门是抢答信号输入控制门,只有U4B输出高电平,即G=1时,抢答信号才能通过这些控制门。
有效信号存储电路是通过UIA~UIB8个与非门构成的4个基本RS触发器来实现。抢答开始前,主持人需按一下复位按钮Ks,4个基本RS触发器被复位.Q1~Q4输出为零。同时,按一下复位按钮Ks时,由U4A和U4B组成的基本RS触发器被置1,即U4B输出高电平,Qs=l,U3A~U3D这4个控制门打开。若无选手按下抢答按钮,即K1~K4都未闭合时,由于Rl~R44个下拉电阻的作用,控制门U3A~U3D均“见0出1”,输出高电平.4个用来存储抢答信号的基本RS触发器处于保持状态.Q1~Q4仍输出零;U4B输出高电平使反相器U6B输出低电平,使DS发光,以示已准备好,可以抢答。

当某一选手按下K1~K4中的任一按钮时,这一抢答信号通过控制门,使相应的基本RS触发器置1.相对应的反相器输出低电平,该路的LED发光以示抢答成功。例如,当选手按下K2时,UID输出高电平,Q2=1,U6D输出低电平.D2发光,表示选手2抢答成功。同时,这一抢答又使或非门U5A输出低电平而使U3C和U3D组成的基本RS触发器翻转,使Qs=0。其结果是,4个控制门被封锁,Kl~K4暂不起作用,使整个电路保持在最先按键者抢答成功的状态,蜂鸣器发声以示有人抢答成功。如需恢复等待抢答状态,主持人按一下复位按钮Ks,抢答器即复位,可再次进行抢答。
U6A~U6F是反相驱动器,用以推动LED;Q1的作用是驱动蜂鸣器B1;R6~Rll和R12是限流电阻。
二、安装与调试电路
可安装在万能电路板上,最好不要用面包板插接。选择较大的万能板摆放元件时要注意整齐和走线方便,最好在正面走线,反面焊接。
为了提高电路制作的成功率,可以把线路制作成印刷电路板。在设计印刷电路板时要注意,元件间留有适当的距离,如能在设计时预留外接按钮及指示灯插座的位置,则此电路即为一个实用的抢答器,可在智力测验中使用。右上图为主持人外接电路的连接图,右下图为选手2外接电路的连接图。
电路中的与非门采用的是内部有4个与非门单元的CMOS集成电路4011,或非门用4002,驱动电路采用的是具有反相功能的4069.蜂鸣器应用额定电压为3V的直流蜂鸣器。此电路的调试极为简单,焊接好,检查无误后,只需加上正确的电源电压即可实现抢答功能。由于电路采用的是4000系列的CMOS集成电路,电路的电压使用范围较广(3~18V).但一般加5V左右的电压为好,调试注意选取LED和蜂鸣器限流电阻的参数,使LED的亮度和蜂鸣器的响度适中。一般,应使LED的电流为5mA~10mA,蜂鸣器的电流为20mA~30mA。

相关热词:#抢答器
浅析串联电路和并联电路中的电流、电压的规...
时间:2026-03-07
串并联电路的特点与识别串并联电路的四种方...
时间:2026-03-07
555定时器的电路结构与功能,由555定时器实...
时间:2026-03-07
由555定时器组成的单稳态触发器
时间:2026-03-07
555定时器解析,555定时器的工作模式及其应...
时间:2026-03-07
集成555时基电路解析,555时基集成电路与NE...
时间:2026-03-07
555内部电路结构与万用表测试555芯片的性能
时间:2026-03-07
MOS管驱动电路的基础总结
时间:2026-03-07
串扰和反射能让信号多不完整
时间:2026-03-07
二次回路电路原理图及讲解(一)——电路天...
时间:2026-03-07
彩灯电路
时间:2026-03-05
三相异步电动机原理
时间:2026-03-04
三相异步电动机的七种调速方式
时间:2026-03-04
转角测量电路
时间:2026-03-05
经典的正弦波发生电路
时间:2026-03-05
电动机单线远程正反转控制电路图
时间:2026-03-04
三相异步电动机的拆装详讲
时间:2026-03-04
USB转232电路图
时间:2026-03-04
电度表的工作原理
时间:2026-03-04
电风扇红外遥控器2
时间:2026-03-04