笔者用万能实验板。制作了演示CD4067功能的电路,本电路同时还能演示计数器计数过程和计数脉冲的产生。在课堂教学中效果显着,使学生兴趣大增。现将电路谨荐给同行,希望有抛砖引玉之效。
CD4067为CMOS 16选1双向模拟开关。可用于数字传输、信号分时处理、多路巡回监测等电路中,与单片机:I/O端口挂接,能很方便地实现生产测控。也可与其他CMOS电路连接成数控网络、多路分配器等,设计出多种实用的电路。
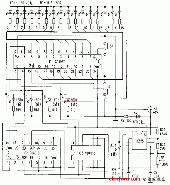
该演示电路由低频脉冲电路、计数器和CD4067导通情况显示电路组成。参看附图。
低频脉冲电路由NE555、R22、R23、RP、C1等元件组成振荡器,产生计数脉冲。调整RP可改变脉冲周期,若将RP的阻值调节到最大,脉冲周期可接近1s,学生可以通过闪光,清楚地看到连续输出的脉冲。若想再增大脉冲周期,可适当增大C1或R23的值。对于NE555振荡电路的工作原理。有关介绍甚多,此不赘述。

计数部分由两块CD4013双D触发器组成,是采用8421编码的异步计数器。发光二极管1EDD、1EDC、1EDB、1EDA显示计数器即时计数情况,1EDD为最高位,1EDA为最低位,“1”表示发光,“0”表示熄灭。计数器依次产生的0000~1111数码。周而复始地输送到CD4067的数控端。由于计数过程是16个脉冲为一个周期。计数显示发光二极管闪亮节奏比脉冲输出指示管1EDQ更慢,学生可以边看边数边理解计数器计数过程。
CD4067的工作电路十分简单,由计数器输出的8421码,与CD4067数控端相对应连接。
CD4067的0~15通道的输入(输出)端与发光二极管1ED0~1ED15各支路对应相连,可以显示CD4067的导通情况。本电路只设计了一种传输情况下的显示电路,只能显示选择开关S1接地时的电流流向。S2为禁止开关,拨至高电位,各通道均不导通。
演示全电路工作原理时,把S1、S2都拨至与地相连,外接6V电源从XJ插入,电源指示发光管1ED亮,振荡电路开始工作,输出计数脉冲。调节RP,使振荡频率最低,此时1ED0约每秒闪亮一次,计数器开始计数,发光管1EDD、1EDC、1EDB、1EDA遵循8421码的原则发光,计数器将编码输送到CD4067数控端,再根据编码顺序,依次接通CD4067的0~15通道,使1ED0~1ED15的16只发光二极管依次发光,每只发光管发光时间受计数脉冲控制。由于计数是连续进行的,所以CD4067的16个通道依次轮流导通,且周而复始,整个电路工作原理及功能可一目了然。
将S2拨至高电位端,使CD4067的⑩脚处于高电位,此时可以看到计数显示在不停的工作。
但1ED0~1ED15全部熄灭,CD4067处于关闭状态。
再将S2拨回低电位,将S1拨至高电位,使通过CD4067的电流改变方向。
1ED0~1ED15熄灭,此时可用万用表测量0~15各通道输出端随计数脉冲跳动的电压,以证实CD4067具有双向导通的功能。
通过调节RP,使振荡周期加快,让发光管快速闪亮,出现一个亮灯从首至尾快速游动的感觉。这就形成了一个彩灯控制电路。如改变0~15通道的接法,可接成循环、追逐、放射等多样形式的彩灯控制电路。还可利用CD4067的16个输出端去实现音量控制、调速、调光等。
相关热词:#计数器
浅析串联电路和并联电路中的电流、电压的规...
时间:2026-03-07
串并联电路的特点与识别串并联电路的四种方...
时间:2026-03-07
555定时器的电路结构与功能,由555定时器实...
时间:2026-03-07
由555定时器组成的单稳态触发器
时间:2026-03-07
555定时器解析,555定时器的工作模式及其应...
时间:2026-03-07
集成555时基电路解析,555时基集成电路与NE...
时间:2026-03-07
555内部电路结构与万用表测试555芯片的性能
时间:2026-03-07
MOS管驱动电路的基础总结
时间:2026-03-07
串扰和反射能让信号多不完整
时间:2026-03-07
二次回路电路原理图及讲解(一)——电路天...
时间:2026-03-07
彩灯电路
时间:2026-03-05
三相异步电动机原理
时间:2026-03-04
三相异步电动机的七种调速方式
时间:2026-03-04
转角测量电路
时间:2026-03-05
经典的正弦波发生电路
时间:2026-03-05
电动机单线远程正反转控制电路图
时间:2026-03-04
三相异步电动机的拆装详讲
时间:2026-03-04
USB转232电路图
时间:2026-03-04
电度表的工作原理
时间:2026-03-04
电风扇红外遥控器2
时间:2026-03-04