当前位置:首页 > 电路图基础 > 正文

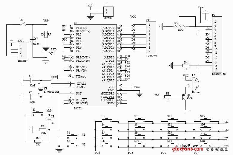
篮球计时记分系统原理图

来源:网络  发布者:电工基础  发布时间:2026-03-07 14:43
  键盘有点多,用到的就六个,两个连中断口的独立键盘,四个矩阵键盘用作调整比分。

  键盘有点多,用到的就六个,两个连中断口的独立键盘,四个矩阵键盘用作调整比分。

篮球计时记分系统原理图



 

相关热词:#原理图

热门文章
彩灯电路彩灯电路

时间:2026-03-05

三相异步电动机原理三相异步电动机原理

时间:2026-03-04

三相异步电动机的七种调速方式三相异步电动机的七种调速方式

时间:2026-03-04

转角测量电路转角测量电路

时间:2026-03-05

经典的正弦波发生电路经典的正弦波发生电路

时间:2026-03-05

电动机单线远程正反转控制电路图电动机单线远程正反转控制电路图

时间:2026-03-04

三相异步电动机的拆装详讲三相异步电动机的拆装详讲

时间:2026-03-04

USB转232电路图USB转232电路图

时间:2026-03-04

电度表的工作原理电度表的工作原理

时间:2026-03-04

电风扇红外遥控器2电风扇红外遥控器2

时间:2026-03-04