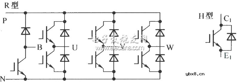
IPM由高速,低功耗的IGBT芯片和优化的栅极驱动电路及多种保护电路集成在同一模块内。IPM的通态损耗和开关损耗都比较低,散热器的尺寸小,故整个系统的尺寸更小。


相关热词:#IPM
555作逆变器电路图大全(四款555作简易高频...
时间:2026-03-07
高压脉冲发生器电路图大全(六款等效电路/电...
时间:2026-03-07
继电器开关电路图大全(光控开关电路/时间继...
时间:2026-03-07
光耦驱动继电器电路图大全(光电耦合器/ULN...
时间:2026-03-07
太阳能热水器电路图大全(上水自控电路/SN8...
时间:2026-03-07
轻触自锁开关电路图大全(自锁互锁电子开关...
时间:2026-03-07
msp430无刷电机控制设计电路
时间:2026-03-07
三极管组成的光控开关电路原理图_四款光控开...
时间:2026-03-07
PWM转换为模拟量电压的电路介绍
时间:2026-03-07
步进电机驱动电路图大全(六款二相步进电机...
时间:2026-03-07
彩灯电路
时间:2026-03-05
三相异步电动机原理
时间:2026-03-04
三相异步电动机的七种调速方式
时间:2026-03-04
转角测量电路
时间:2026-03-05
经典的正弦波发生电路
时间:2026-03-05
电动机单线远程正反转控制电路图
时间:2026-03-04
三相异步电动机的拆装详讲
时间:2026-03-04
USB转232电路图
时间:2026-03-04
电度表的工作原理
时间:2026-03-04
电风扇红外遥控器2
时间:2026-03-04