用Max038制作的函数波形发生器
MAX038是美国马克希姆公司研制的单片高频精密函数波形发生器。
(1)它能产生精确的高频正弦波、矩形波(含方波)、三角波和锯齿波。
(2)频率范围宽,从0.1Hz直到20MHz,最高可达40MHz。
(3)占空比调节范围宽,且占空比与频率均可单独调节,相互影响小。
(4)波形失真小。正弦波总谐波失真度仅为0.75%,占空比调节的非线性度只有2%。
(5)可由内部提供2.50V±0.02V的基准电压去设定频率、占空比等。
(6)采用±5V双供电,电源电压是±4.75~±5.25V,允许变化±5%,电流约80mA。
2. 74LS138简介
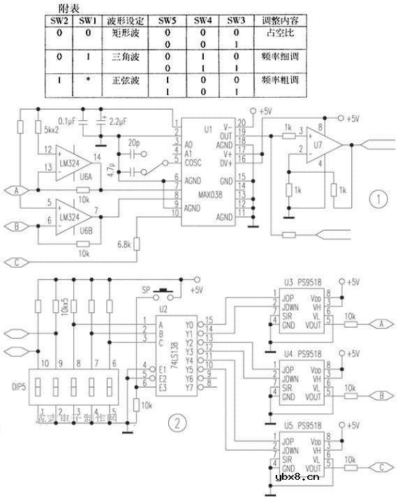
74LS138是数字电路中的译码器件,在一定的控制条件下能将输入的3种不同状态译成8种不同的输出状态来作为控制信号调节MAX038的工作状态。
3. PS9518简介
由武汉力源公司生产的PS9518是一个可取代机械电位器的8位非易失性器件,它内含一个单位增益放大器来缓冲输出并使VOUT的摆幅能达到电源幅度,该器件电源电压为2.7V~5.5V。其简单按钮输入为操作者调整设备提供理想的接口。
其/UP和/DWN的内部有50kΩ上拉电阻省去了按键控制所需要的外部电阻。
当/STR保持低电平时,只要芯片检测到VDD掉电,计数器的值(当前电阻值)便会自动存储到内部EEPROM中,在下次上电时,可以回到掉电前的状态。
4. U7及LM324
U7要求是一个能从DC至40MHz都能正常工作的+5V单电源运算放大器。由于MAX038的输出信号幅度为2V的峰值,放大器的放大倍数设为220倍,所以U7输出为TTL电平的方波信号。在这里将其接为闭环工作状态,其目的是利用负反馈来减小放大电路对外界干扰的敏感程度。LM324为常见的双电压运算放大器。
5. 电路整体说明

电路由图1和图2将相应相同名字的端口连接构成。
(1)MAX038的⑩脚所接的6.8kΩ电阻要求为高精度、低温漂电阻,最好选用多只线绕电阻串联以减小误差;⑤脚所接的电容同样要求为高稳定度的优质无极性电容。在这里可用一单刀双投开关选择所接的电容,可在大范围内调节输出信号的频段;电路的输出信号频率的稳定度也主要由这几只元件决定。
(2)电路工作状态用一只微型DIP5的开关来统一调整,其状态真值表见附表。
注:在使用SW3、SW4、SW5调整时,需按下按钮开关方有效;在调整结束后,最好将SW3、SW4、SW5置于110或111态,这样可防止因误碰按钮开关而使输出状态改变。
相关热词:
电磁感应式无线充电器电路设计—电路图天天...
时间:2026-03-07
讲述三种RS232转RS485电路设计 —电路图天天...
时间:2026-03-07
详解智能型漏电断路器电路设计—电路图天天...
时间:2026-03-07
详解步进电机驱动电路设计—电路图天天读(...
时间:2026-03-07
详解遥控电路设计分析—电路图天天读(270)
时间:2026-03-07
模数转换器应用电路设计解析—电路图天天读...
时间:2026-03-07
单片机系统电路设计解析—电路图天天读(27...
时间:2026-03-07
RFID智能汽车防盗电路设计解析—电路图天天...
时间:2026-03-07
红外遥控电路原理设计与解析—电路图天天读...
时间:2026-03-07
智能家居MCU与RF遥控器电路设计—电路图天天...
时间:2026-03-07
彩灯电路
时间:2026-03-05
三相异步电动机原理
时间:2026-03-04
三相异步电动机的七种调速方式
时间:2026-03-04
转角测量电路
时间:2026-03-05
经典的正弦波发生电路
时间:2026-03-05
电动机单线远程正反转控制电路图
时间:2026-03-04
USB转232电路图
时间:2026-03-04
电度表的工作原理
时间:2026-03-04
电风扇红外遥控器2
时间:2026-03-04
三相异步电动机的拆装详讲
时间:2026-03-04