当前位置:首页 > 电路图基础 > 正文

555时基电路应用和工作原理

来源:网络  发布者:电工基础  发布时间:2026-03-07 10:21
555时基电路应用和工作原理 1  555时基电路的特点  555集成电路开始是作定时器应用的,所以叫做555定时器或555时基电路。但后来经过开发,它除了作定时延时控制外,还可用于调光、调温、调压、调速等多种控制及计

555时基电路应用和工作原理

1  555时基电路的特点
  555集成电路开始是作定时器应用的,所以叫做555定时器或555时基电路。但后来经过开发,它除了作定时延时控制外,还可用于调光、调温、调压、调速等多种控制及计量检测。此外,还可以组成脉冲振荡、单稳、双稳和脉冲调制电路,用于交流信号源、电源变换、频率变换、脉冲调制等。由于它工作可靠、使用方便、价格低廉,目前被广泛用于各种电子产品中,555集成电路内部有几十个元器件,有分压器、比较器、基本R-S触发器、放电管以及缓冲器等,电路比较复杂,是模拟电路和数字电路的混合体,如图1所示。

555时基电路应用和工作原理 

    图1 555集成电路内部结构图
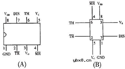
  555集成电路是8脚封装,双列直插型,如图2(A)所示,按输入输出的排列可看成如图2(B)所示。其中6脚称阈值端(TH),是上比较器的输入;2脚称触发端(TR),是下比较器的输入;3脚是输出端(Vo),它有O和1两种状态,由输入端所加的电平决定;7脚是放电端(DIS),它是内部放电管的输出,有悬空和接地两种状态,也是由输入端的状态决定;4脚是复位端(MR),加上低电平时可使输出为低电平;5脚是控制电压端(Vc),可用它改变上下触发电平值;8脚是电源端,1脚是地端。

555时基电路应用和工作原理 

    图2 555集成电路封装图
  我们也可以把555电路等效成一个带放电开关的R-S触发器,如图3(A)所示,这个特殊的触发器有两个输入端:阈值端(TH)可看成是置零端R,要求高电平,触发端(TR)可看成是置位端S,要求低电平,有一个输出端Vo,Vo可等效成触发器的Q端,放电端(DIS)可看成是由内部放电开关控制的一个接点,由触发器的Q端控制:Q=1时DIS端接地,Q=0时DIS端悬空。另外还有复位端MR,控制电压端Vc,电源端VDD和
地端GND。这个特殊的触发器有两个特点:
  (1)两个输入端的触发电平要求一高一低,置零端R即阈值端(TH)要求高电平,而置位端s即触发端(TR)则要求低电乎;
  (2)两个输入端的触发电平使输出发生翻转的阈值电压值也不同,当V c端不接控制电压时,对TH(R)端来讲,>2/3VDD是高电平1,<2/3VDD是低电平0:而对TR(S)端来讲,>1/3VDD是高电平1,<1/3VDD是低电平0。如果在控制端(Vc)上控制电压Vc时,这时上触发电平就变成Vc值,下触发电平就变成1/2Vc值,可  见改变控制端的控制电压值就可以改变上下触发电平值。它的功能表见图3(B)所示。

555时基电路应用和工作原理 

图3 555电路等效R—S触发器
  555集成电路有双极型和CMOS型两种。CMOS型的优点是功耗低、电源电压低、输入阻抗高,但输出功率较小,输出驱动电流只有几毫安。双极型的优点是输出功率大,驱动电流达200毫安,其他指标则不如CMOS型的。

  555的应用电路很多,只要改变555集成电路的外部附加电路,就可以构成几百种应用电路,大体上可分为555单稳、555双稳及555无稳(即振荡器)三类。

2  555单稳电路
  单稳电路有一个稳态和一个暂稳态,是利用电容的充放电形成暂稳态的,因此它的输入端都带有定时电阻和定时电容,常见的555单稳电路有两种:
  1)人工启动型
  将555电路的6、2脚并接起来接在RC定时电路上,在定时电容CT,两端接按钮开关SB,就成为人工启动型555单稳电路,如图4(a)所示,用等效触发器替代555,并略去与单稳工作无关的部分后见图4(b)所示,下面分析它的工作原理:
  稳态:接上电源后,电容CT很快充电到VDD,从图4(b)看到,触发器输入R=1,S=1,从功能表看到输出Vo=0,这是它的稳态。
  暂稳态:按下开关SB,CT上电荷很快放到零,相当于触发器输入R=0,S=0,输出立即翻转成Vo=l,暂稳态开始。开关放开后,电源又向CT充电,经过时间TD后,CT上电压上升到>2/3VDD时,输出又翻转成Vo=O,暂稳态结束。TD就是单稳电路的定时时间或延时时间,它和定时电阻RT和定时电容CT的值有关:TD=1.1RTCT

555时基电路应用和工作原理 

    图4人工启动型555单稳电路
  2)脉冲启动型
  将555电路的6、7脚并接起来接在定时电容CT上,用2脚作输入就成为脉冲启动型单稳电路,如图5(a)所示,电路的2脚平时接高电平,当输入接低电平或输入负脉冲时才启动电路,用等效触发器替代555后见图5 6)所示,下面分析它的工作原理:
  稳态:接上电源后,R=1,S=1,输出Vo=0,DIS端接地,CT上的电压为0即R=0,输出仍保持Vo=0,这是它的稳态。
  暂稳态:输入负脉冲后,输入S=0,输出立即翻转成Vo=1,DIS端开路,电源通过RT向CT充电,暂稳态开始。经过时间TD后,CT上电压上升到>2/3VDD时,输入又成为R=1,S=1,这时负脉冲已经消失,输出又翻转成Vo=0,暂稳态结束。这时内部放电开关接通,DIS端接地,CT上电荷很快放到零,为下一次定时控制作准备。电路的定时时间TD=1.1RTCT
  这两种单稳电路常用作定时延时控制。

555时基电路应用和工作原理 

    图5脉冲启动型单稳电路

3  555双稳电路
  常见的555双稳电路有两种:
  1)R-S触发器型双稳
  将555电路的6、2脚作为两个控制输入端,7端不用,就成为一个R-S触发器。注意两个输入端的触发电平和阈值电压不同,如图6(a)所示,有时可能只有一个控制端,这时另外一个控制端要设法接死,根据电路要求可以把R端接到电源端,如图6(b)所示,也可以把S接地,用R端作输入。
  有两个输入端的双稳电路常用作电机调速、电源上下限告警等用途。有一个输入端的双稳电路作为单端比较器用于各种检测电路。

555时基电路应用和工作原理 

    图6 555构成R-S触发器
  2)施密特触发器型双稳
  将555电路的6、2脚并接起来接成只有一个输入端的触发器,如图7(a)所示,这个触发器输出电压和输入电压的关系是一个长方形的回线形,如图7(b)所示,从曲线可知,当输入V1=0时输出Vo=1,当输入电压从0上升到>2/3VDD后,Vo翻转成0,当输入电压从最高值下降到<1/3VDD后,Vo又翻转成1。由于它的输入有两个不同的阈值电压,所以,这种电路常用于电子开关,各种控制电路、波形的变换和整形,如图8所示。

555时基电路应用和工作原理 

图7 555构成施密特触发器

555时基电路应用和工作原理 

图8波形的变换和整形

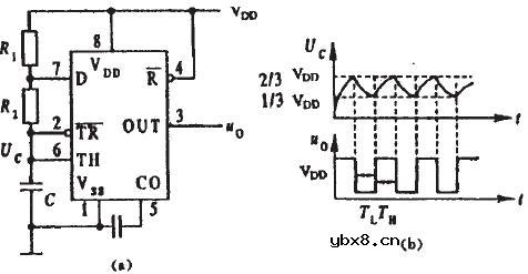
4 555无稳电路(振荡器)
  由555定时器构成的多谐振荡器如图9(a)所示,其工作波形见图9(b)。
  接通电源后,电源VDD通过R1和R2对电容C充电,当Uc<1/3VDD时,振荡器输出Vo=1,放电管截止。当Uc充电到≥2/3VDD后,振荡器输出Vo翻转成0,此时放电管导通,使放电端(DIS)接地,电容C通过R2对地放电,使Uc下降。当Uc下降到≤1/3VDD后,振荡器输出Vo又翻转成1,此时放电管又截止,使放电端(DIS)不接地,电源VDD通过R1和R2又对电容C充电,又使Uc从1/3VDD上升到2/3VDD,触发器又发生翻转,如此周而复始,从而在输出端Vo得到连续变化的振荡脉冲波形。脉冲宽度TL≈0.7R2C,由电容C放电时间决定;TH=0.7(R1+R2)C,由电容C充电时间决定,脉冲周期T≈TH+TL。

555时基电路应用和工作原理 

    图9 555构成多谐振荡器
  上面仅讨论了由555定时器构成的几种典型应用实例。实际上,由于555定时器灵敏度高,功能灵活,因而在电子电路中获得广泛应用。

相关热词:#555

最新文章
无线遥控器电路图制作无线遥控器电路图制作

时间:2026-03-07

无线电遥控门铃电路原理图无线电遥控门铃电路原理图

时间:2026-03-07

NE555过流保护检测器电路图NE555过流保护检测器电路图

时间:2026-03-07

串联谐振升压原理串联谐振升压原理

时间:2026-03-07

谐振回路的工作原理谐振回路的工作原理

时间:2026-03-07

电容降压电路原理电容降压电路原理

时间:2026-03-07

实用的电容降压电路实用的电容降压电路

时间:2026-03-07

低成本的阻容降压电路原理图分析低成本的阻容降压电路原理图分析

时间:2026-03-07

阻容降压原理及电路阻容降压原理及电路

时间:2026-03-07

阻容降压电路的误区阻容降压电路的误区

时间:2026-03-07

热门文章
彩灯电路彩灯电路

时间:2026-03-05

三相异步电动机原理三相异步电动机原理

时间:2026-03-04

三相异步电动机的七种调速方式三相异步电动机的七种调速方式

时间:2026-03-04

转角测量电路转角测量电路

时间:2026-03-05

经典的正弦波发生电路经典的正弦波发生电路

时间:2026-03-05

电动机单线远程正反转控制电路图电动机单线远程正反转控制电路图

时间:2026-03-04

三相异步电动机的拆装详讲三相异步电动机的拆装详讲

时间:2026-03-04

USB转232电路图USB转232电路图

时间:2026-03-04

电度表的工作原理电度表的工作原理

时间:2026-03-04

电风扇红外遥控器2电风扇红外遥控器2

时间:2026-03-04