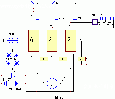
电动机缺相保护器电路原理
该装置的电路工作原理见下图。在A、B、C三相中均串入LSE器件。当三相电力线均完好时,LSE的④脚输出高电平,此时继电器J1、J2、J3均处于吸合状态,从而使三相交流接触器CJ吸合,其触点CJ1、CJ2、CJ3自保,电动机M正常工作。如果A、B、C三相电源中有任意一相断开,将导致其中一只LSE的①、②脚间呈断开状态,相应的LSE器件上的④脚就会变为低电平,其继电器J就会释放。由于其触点j1、j2、j3在CJ的回路中呈与门的逻辑关系,故只要其中的任一只触点断开,均会导致CJ断电释放,从而使得CJ1、CJ2、CJ3触点全部断开,保护了电动机M。电路中设置了12V直流电源,是使该电路万无一失。

相关热词:#电动机
波特率是什么意思_怎样计算波特率
时间:2026-04-21
RS485基本知识介绍
时间:2026-04-18
什么是激光雷达?激光雷达的构成与分类
时间:2026-04-18
Excelpoint - 一文了解SiC MOS的应用
时间:2026-04-18
什么是磁电阻器?磁电阻特性及应用
时间:2026-04-18
什么是电场?电场在电容器中的应用
时间:2026-04-18
什么是ARM64?
时间:2026-04-17
vga和hdmi的区别
时间:2026-04-17
什么是ESD?ESD及TVS的原理和应用
时间:2026-04-17
开关电源原理与维修完整版 (10)_标清视频
时间:2026-04-16
基于逻辑门的构成解释如何完成任意逻辑的管...
时间:2026-03-08
彩灯电路
时间:2026-03-05
NE555的有趣电路设计分享
时间:2026-03-08
三相异步电动机原理
时间:2026-03-04
三相异步电动机的拆装详讲
时间:2026-03-04
从0学电路,万用表演示测量三极管方法
时间:2026-03-08
电动机单线远程正反转控制电路图
时间:2026-03-04
光耦在电子电路中作用、关键参数详解
时间:2026-03-08
H桥电机驱动电路解析
时间:2026-03-08
转角测量电路
时间:2026-03-05