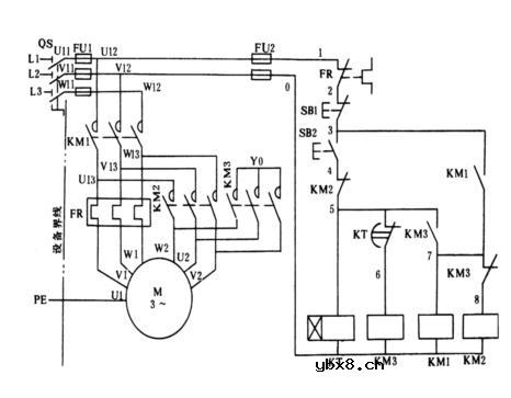
起动电机电阻控制原理图
三相异步电动机Y—Δ转换启动的控制原理大致如下:
i.按下启动按钮SB2后,电源通过热继电器FR的动断接点、停止按钮SB1的动断接点、Δ形连接交流接触器KM2常闭辅助触头,接通时间继电器KT的线圈使其动作并延时开始。此时时间继电器KT虽已动作,接点应断开,但其延时接点是瞬间闭合延时断开的(延时结束后断开),同时通过此KT延时接点去接通Y形连接的交流接触器KM3的线圈回路,则交流接触器KM3带电动作,其主触头去接通三相绕组,使电动机处于Y形连接的运行状态;KM3辅助常开触头闭合去接通主交流接触器KM1的线圈。
ii.主交流接触器KM1带电启动后,其辅助触头进行自保持功能(自锁功能);而KM1的主触头闭合去接通三相交流电源,此时电动机启动过程开始。
iii.当时间继电器KT延时断开接点(动断接点)KT的时间达到(或延时到)电动机启动过程结束时间后,时间继电器KT接点随即断开。
iv.时间继电器KT接点断开后,则交流接触器KM3失电。KM3主触头切断电动机绕组的Y形连接回路;同时接触器KM3的常闭辅助触头闭合,去接通Δ形连接交流接触器KM2的线圈电源。
v.当交流接触器KM2动作后,其主触头闭合,使电动机正常运行于Δ形连接状态;而KM2的常闭辅助触头断开使时间继电器KT线圈失电,并对交流接触器KM3联锁。电动机处于正常运行状态。
vi.启动过程结束后,电动机按Δ形连接正常运行。
相关热词:#电机
影响介电常数的因素有哪些?
时间:2026-04-22
关于电流互感器基础知识介绍
时间:2026-04-22
开关电源的工作原理及特性
时间:2026-04-22
绝缘栅双极型晶体管(IGBT)外形、等效结构与...
时间:2026-04-22
信噪比(SNR)的定义,如何计算信噪比
时间:2026-04-22
波特率是什么意思_怎样计算波特率
时间:2026-04-21
RS485基本知识介绍
时间:2026-04-18
什么是激光雷达?激光雷达的构成与分类
时间:2026-04-18
Excelpoint - 一文了解SiC MOS的应用
时间:2026-04-18
什么是磁电阻器?磁电阻特性及应用
时间:2026-04-18
基于逻辑门的构成解释如何完成任意逻辑的管...
时间:2026-03-08
彩灯电路
时间:2026-03-05
NE555的有趣电路设计分享
时间:2026-03-08
三相异步电动机原理
时间:2026-03-04
三相异步电动机的拆装详讲
时间:2026-03-04
从0学电路,万用表演示测量三极管方法
时间:2026-03-08
电动机单线远程正反转控制电路图
时间:2026-03-04
光耦在电子电路中作用、关键参数详解
时间:2026-03-08
H桥电机驱动电路解析
时间:2026-03-08
转角测量电路
时间:2026-03-05