液位继电器是控制液面的继电器。这是一个继电器内部有电子线路。利用液体的导电性。当液面达到一定高度时继电器就会动作切断电源。液面低于一定位置时接通电源使水泵工作。达到自动控制的作用。
自动控制由传感器和控制执行机构组成。液位控制器的传感器一般是导线。利用水的导电性。水的导电性较差,不能直接驱动继电器。所以要有电子线路将电流放大,以推动继电器工作。继电器就是执行机构。
液位继电器是控制液面的继电器。这是一个继电器内部有电子线路。利用液体的导电性。当液面达到一定高度时继电器就会动作切断电源。液面低于一定位置时接通电源使水泵工作。达到自动控制的作用。
自动控制由传感器和控制执行机构组成。液位控制器的传感器一般是导线。利用水的导电性。水的导电性较差,不能直接驱动继电器。所以要有电子线路将电流放大,以推动继电器工作。简化的话是这样!线分高低中三线,高为水位溢出点,自由控制水位高度,水位到此自动停止,低为点为自动加水点,水位在这个点时自动启动加水装置。
1、电源电压:交流220V、380V、36V、直流24V;
2、控制容量:如表1;
3、控制形式:一组转换;
4、控制极大最大电流:50微安;
5、工作性能:连续工作;
6、重量:JYB-714液位继电器每只重量370克;
7、耗功:<1W

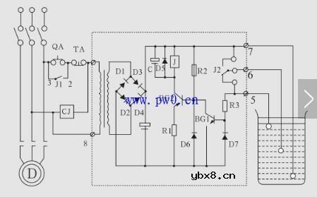
液位继电器接线图及原理图

液位继电器接线图

1、找出线圈引脚
用万用表测各引脚间的电阻,阻值在数百至1K欧姆左右的两个脚是线圈引脚。注意有些继电器的线圈分正负极,反接虽然不至于损坏,但不动作。
2、找出常开、常闭点
用万用表测除线圈之外的四个引脚,导通的两个引脚是常闭关系,给线圈加上5V直流电,使继电器动作,它们应断开,如果没有断开,则内部是短接关系。给线圈加上5V直流电,使继电器动作,此时再既与常开点有关系,又与常闭点有关系的引用万用表测,如果有原来不通的两个引|脚导通了,则它们是常开关系。脚,就是公共端。
RS485基本知识介绍
时间:2026-04-18
什么是激光雷达?激光雷达的构成与分类
时间:2026-04-18
Excelpoint - 一文了解SiC MOS的应用
时间:2026-04-18
什么是磁电阻器?磁电阻特性及应用
时间:2026-04-18
什么是电场?电场在电容器中的应用
时间:2026-04-18
什么是ARM64?
时间:2026-04-17
vga和hdmi的区别
时间:2026-04-17
什么是ESD?ESD及TVS的原理和应用
时间:2026-04-17
开关电源原理与维修完整版 (10)_标清视频
时间:2026-04-16
开关电源原理与维修完整版 (11)_标清视频
时间:2026-04-16
半导体光刻工艺 光刻—半导体电路的绘制
时间:2026-03-09
石英灯电子变压器电路原理
时间:2026-03-06
什么是硅片或者晶圆?一文了解半导体硅晶圆
时间:2026-03-09
什么是室温超导?半导体时代将走向结束?芯...
时间:2026-03-09
北京理工大学实现了光导型向平面光伏型量子...
时间:2026-03-09
HTCC:半导体封装的理想方式
时间:2026-03-06
如何利用可扩展的柔性中间层制备超低模量电...
时间:2026-03-09
光伏控制器简介
时间:2026-03-06
电阻的原理和作用 电阻色环识别图 电路中电...
时间:2026-03-09
NVIDIA CPU+GPU超级芯片大升级!
时间:2026-03-09