当前位置:首页 > 电工基础 > 正文

检测物体旋转方向及转速的电路

来源:网络  发布者:电工基础  发布时间:2026-03-06 14:04
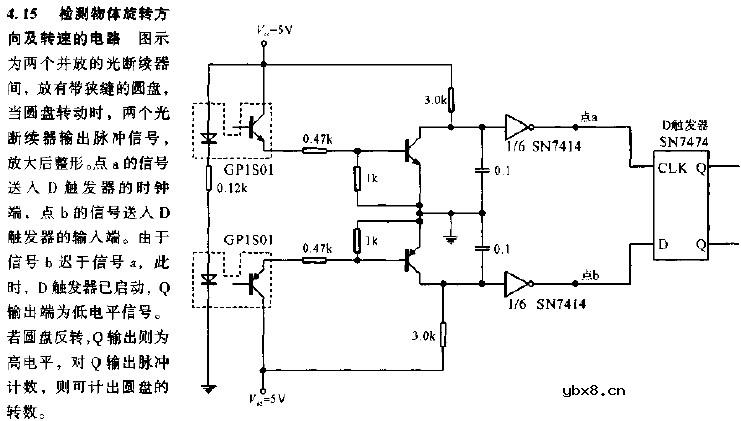
检测物体旋转方向及转速的电路

检测物体旋转方向及转速的电路

检测物体旋转方向及转速的电路

相关热词:#转速

热门文章
彩灯电路彩灯电路

时间:2026-03-05

三相异步电动机原理三相异步电动机原理

时间:2026-03-04

转角测量电路转角测量电路

时间:2026-03-05

经典的正弦波发生电路经典的正弦波发生电路

时间:2026-03-05

电动机单线远程正反转控制电路图电动机单线远程正反转控制电路图

时间:2026-03-04

三相异步电动机的拆装详讲三相异步电动机的拆装详讲

时间:2026-03-04

三相异步电动机的七种调速方式三相异步电动机的七种调速方式

时间:2026-03-04

USB转232电路图USB转232电路图

时间:2026-03-04

袖珍节拍器电路图袖珍节拍器电路图

时间:2026-03-05

石英晶体钟脉冲发生器石英晶体钟脉冲发生器

时间:2026-03-05