电压放大器(VoltageAmplifier)是提高信号电压的装置。对弱信号,常用多级放大,级联方式分直接耦合、阻容耦合和变压器耦合,要求放大倍数高、频率响应平坦、失真小。当负载为谐振电路或耦合回路时,要求在指定频率范围内有较好幅频和相频特性以及较高的选择性。
(1)传感器输出信号为电荷;
(2)是具有深度负反馈的高增益放大器,实质是一个电流\电压转换器;
(3)不容易引入现场干扰信号,电路受连接电缆长度变化的影响不大,几乎可忽略不计,可用于压电式传感器远距离传输放大;
(4)可对静态压力进行有效测量;
(5)频带宽、灵敏度高、信噪比高、结构简单、工作可靠和重量轻。
电压放大器的核心是处于放大状态的三极管,假定我们使用的是NPN型硅三极管,则可以如图3(a)向它提供放大条件。

图3(a)VBB给发射结提供正偏;VCC给集电结提供反偏。
如果流经Rb的电流Ib适当,使经过放大的Ic在Rc压降使集电极电压Vc》Vb,三极管就工作在放大区域了。但这一电路有明显的缺陷,就是需要用VBB和 VCC两组电池,这是很不方便的,也是不现实的。因此我们设法将两个电源合并使用,放弃电源VBB,利用电源VCC经过电阻Rb产生Ib,给发射结提供正偏,形成如图3(b)所示的电路。电阻Rb称作“偏置电阻”。这样,放大器的核心部分就形成了。如果Rb接在c-b之间,形成电压负反馈,稳定工作点,如图3(c)所示。通常在画电路图时,因为直流电源VCC许多地方公用,一般可以不画,标VCC即可,如(c)所示。
需要放大的小电压信号是如何输入而不影响放大器的直流偏置呢?可以在基极串入一个电容C1,如图4所示,C1称作“输入耦合电容”。电容的一个重要特性就是“隔直通交”,它能隔断直流,但允许交流通过。普通信号都是由一系列交流信号组合而成的,所以小电压信号可以通过耦合电容到达三极管的基极。

输入的电压信号到达基极,将使基极电位在原来确定的直流偏压基础上发生变化,从而使基极电流随之发生变化。如果输入信号很小,那么基极电流的变化规律与输入电压的变化规律是基 本相同的。(即不出现非线性 失真)基极电流的变化将引起集电极 电流的相应变化,而集电极电 流的变化量是基极电流变化量 的B 倍,这就实现了信号电流 的放大。
当信号尚未接入时,三极管三个电极的电流、电压状态称作静态,也叫“静态工作点”。一般只需求出集电极电流和集-射之间的电压值即可。
需要放大的信号输入后,是叠加在静态工作点之上的,使静态电流和电压出现“变化”或“波动”,我们就称它为“动态”。要了解放大器的工作原理,就要先了解静态,再了解动态。下面以图6电路为例来简要解释放大器是如何实现电压放大的。
如图6,假设三极管是硅材料管,而且电流放大系数已经确定( B=50),使用6V直流电源供电。

图6


动态:加入信号后,放大器各关键点的电压、电流值会发生相应变化,这种变化就是“动态”,它是叠加在静态之上的。


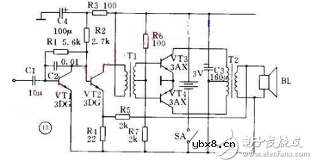
图是普及型收音机的低放电路。电路共3级,第1级(VT1)前置电压放大,第2级(VT2)是推动级,第3级(VT3、VT4)是推挽功放。VT1和VT2之间采用直接耦合,VT2和VT3、VT4之间用输入变压器(T1)耦合并完成倒相,最后用输出变压器(T2)输出,使用低阻扬声器。此外,VT1本级有并联电压负反馈(R1),T2次级经R3送回到VT2有串联电压负反馈。电路中C2的作用是增强高音区的负反馈,减弱高音以增强低音。R4、C4为去耦电路,C3为电源的滤波电容。整个电路简单明了。

RS485基本知识介绍
时间:2026-04-18
什么是激光雷达?激光雷达的构成与分类
时间:2026-04-18
Excelpoint - 一文了解SiC MOS的应用
时间:2026-04-18
什么是磁电阻器?磁电阻特性及应用
时间:2026-04-18
什么是电场?电场在电容器中的应用
时间:2026-04-18
什么是ARM64?
时间:2026-04-17
vga和hdmi的区别
时间:2026-04-17
什么是ESD?ESD及TVS的原理和应用
时间:2026-04-17
开关电源原理与维修完整版 (10)_标清视频
时间:2026-04-16
开关电源原理与维修完整版 (11)_标清视频
时间:2026-04-16
半导体光刻工艺 光刻—半导体电路的绘制
时间:2026-03-09
石英灯电子变压器电路原理
时间:2026-03-06
什么是硅片或者晶圆?一文了解半导体硅晶圆
时间:2026-03-09
什么是室温超导?半导体时代将走向结束?芯...
时间:2026-03-09
北京理工大学实现了光导型向平面光伏型量子...
时间:2026-03-09
HTCC:半导体封装的理想方式
时间:2026-03-06
如何利用可扩展的柔性中间层制备超低模量电...
时间:2026-03-09
光伏控制器简介
时间:2026-03-06
电阻的原理和作用 电阻色环识别图 电路中电...
时间:2026-03-09
NVIDIA CPU+GPU超级芯片大升级!
时间:2026-03-09