1、已运行变压器停下后再启动时,直接空载启动(低压侧负荷先断开);小型变压器一般采用直接启动。
2、新安装的630KVA以上容量宜采用先空载充电三次,检查无异常后再正常投运;超高压大容量的变压器可以采用串电阻或电感投运。
1.并列运行:两台变压器高压侧母线并列运行,低压侧母线联合向负荷供电。
2.分列运行:两台变压器高压侧母线并列(或分开)运行,低压侧母线联络断路器分开运行。
3.单独运行:两台变压器一台运行一台备用,高低压母线联络断路器联络
在110kV、220kV、500kV系统中,均采用中性点直接接地方式,变压器中性点接地数量和在网络中的位置是综合变压器的绝缘安全、降低短路电流、继电保护可靠动作等要求决定的。
1.变压器低压侧有电源时,则变压器中性点必须直接接地,以防止高压侧断路器跳闸,变压器成为中性点绝缘系统。
2.若数台变压器并列运行,正常时只运行一台或两台变压器中性点直接接地。在变压器操作时,应始终至少保持原来的中性点直接接地个数。
3.自耦变压器中性点应直接接地运行。
4.中性点接地运行的变压器,启用零序过流保护,停用零序过压及间隙零序过流保护;中性点不接地运行的变压器,启用零序过压及间隙零序过流保护(无间隙者,不启用间隙零序过流保护),停用零序过流保护。

启动时,转换开关SA扳向“启动”位置,此时电动机定子绕组与自耦变压器的低压侧连接,电动机进行降压启动,待转速上升到一定值时,再将SA扳向“运行”位置,这时自耦变压器被切除,电动机定子绕组全压运行。
自耦变压器降压启动有两种控制:手动控制与自动控制两种。
手动控制所采用的补偿器有QJ3。QJ3型启动补偿器的结构图与控制线路图如下所示:

QJ3型补偿器主要由自耦变压器、触头系统、保护装置和操作机构等部分构成,控制器上,自耦变压器的抽头有两种电压可供选择,分别是电源电压的65%和80%(出厂时接在65%抽头上),可根据电动机的负载大小适当选择。
保护装置有过载保护和欠压保护:
欠压保护由欠压继电器FV完成,
过载保护采用双金属片热继电器。
触头系统组成:
触头系统包括两排静触头和一排动触头,均装在补偿器的下部,浸没在绝缘油内,绝缘油的作用是熄灭触头断开时产生的电弧,上面一排触头叫启动静触头,它共有5个触头,其中3个在启动时与动触头接触,另外两个是在启动时将自耦变压器的三相绕组接成星形。下面一排触头叫运行静触头只有3个;中间一排是动触头,共有5个,有3个触点用软金属带连接板上的三相电源,另外两个触头自行接通的。
QJ3补偿器工作原理如下:
启动时将手柄扳到“启动”位置,电动机定子绕组接自耦变压器的低压绕组一侧,电动机降压启动。
当转速上升到一定值时,将手柄扳到“运行”位置,电动机定子绕组直接同三相电源相接,自耦变压器被切除,电动机全压运行。
如要停转,只要将手柄扳到“停止”位置,电动机不通电,电动机停转。

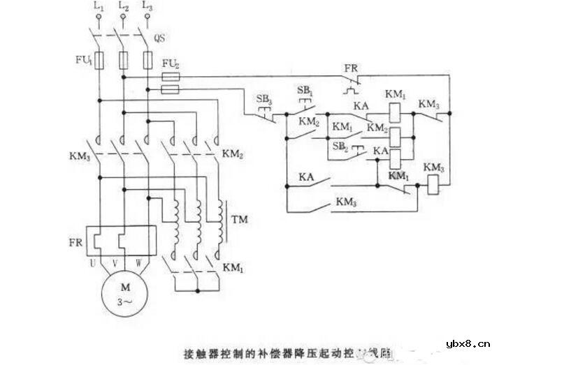
主电路采用了三组接触器触头KM1、KM2和KM3。
当KM1和KM2闭合,而KM3断开时,电动机定子绕组接自耦变压器的低压侧降压启动;
当KM2和KM1断开,而KM3闭合时,电动机全压运行。
辅助电路采用了3个交流接触器KM1、KM2、KM3,一个中间继电器KA,启动按钮SB1,升压按钮SB2等。
实现降压启动,其控制过程如下:

当转速达到一定值时
需要停转时,只需按动停止按钮SB3即可。
此控制线路具有以下几个特点:
(1)如果发生误操作,在没有按动SB1按钮的情况下,直接按动了SB2升压按钮,电控制线路可看出KM3线圈不会通电,电动机M无法全压启动。
(2)如果接触器KM3出现线圈断线或机械卡住无法闭合时,电动机也不会出现低压长期运行,原因是一旦按动了SB2按钮,中间断电器KA通电工作,必然使KM1线圈断电,KM1线圈断电必定KM2线圈也断电,低压启动结束。
(3)电动机进入全压运行过程中。KM3的主触头先闭合,而KM2主触头后断开,尽管这个时间间隔很短,但是不会出现电动机间隙断电,也就不会出现第二次启动电流。
(4)电路的缺点是,每次启动需按动两次按钮,并且两次按动按钮的时间间隔不容易掌握,即启动时间的长短不准确。
如果采用时间继电器来代替人工操作,控制启动时间的长短,上述控制电路的缺点就不存在了。

控制电路分为三部分,主电路、控制电路和指示电路。
主电路:由自耦变压器TM,接触器KM1的三个主触头、接触器KM2的三个主触头和两个辅助常闭触头、热继电器FR的热元件及电动机M组成。当接触器KM1通电工作,而KM2接触器不工作时,电动机进入全压运行。自耦变压器具有多个抽头,可获得不同的变化,使用过程中可供选择。
指示电路:指示电路包括有指示灯电源变压器T,接触器KM1的常开触头和常闭触头,接触器KM2的常开触头和中间继电器KA的常闭触头。指示灯I亮,表示控制线路已接电源,处在准备工作状态;指示灯Ⅱ亮,表示控制线路已进入降压启动过程;指示灯Ⅲ亮,表示控制线路进入全压运行。
控制电路:由两台接触器KM1、KM2、时间继电器KT和中间继电器KA及启动按钮SB1、SB4和停止按钮SB2、SB3组成。两个启动按钮并联,两个停止按钮串联,构成了两地控制功能。SB1、SB3(虚线框中)组成了甲地控制的启动,停止按钮。SB4、SB2组成了乙地控制的启动,停止按钮。
XJ01型自动启动补偿器工作原理如下:
当合上开关SQ后,变压器T有电,指示灯I亮,表示电源接通(电路处于启动准备状态),但是电动机不转。
启动时:

停止时只需按动停止按钮SB2或SB3。
降压启动过程中,接触器KM1,时间断电器KT工作,而接触器KM2和中间继电器KA不工作。电路进入全压运行后,情况正相反,接触器KM2和中间断电器KA工作,而接触器KM1和时间继电器KT不工作。

自耦变压器具有多个抽头,可以获得不同的变化,比Y-△降压启动方法的启动电流、启动转矩选择灵活。
采用自耦变压器降压启动比采用定子串电阻减压启动效果好,在启动转矩相等的情况下,自耦变压器启动从电网吸收的电流小,但是自耦变压器价格较贵,而且其线圈是按短时通电设计的,因此只允许连续启动两次。
RS485基本知识介绍
时间:2026-04-18
什么是激光雷达?激光雷达的构成与分类
时间:2026-04-18
Excelpoint - 一文了解SiC MOS的应用
时间:2026-04-18
什么是磁电阻器?磁电阻特性及应用
时间:2026-04-18
什么是电场?电场在电容器中的应用
时间:2026-04-18
什么是ARM64?
时间:2026-04-17
vga和hdmi的区别
时间:2026-04-17
什么是ESD?ESD及TVS的原理和应用
时间:2026-04-17
开关电源原理与维修完整版 (10)_标清视频
时间:2026-04-16
开关电源原理与维修完整版 (11)_标清视频
时间:2026-04-16
半导体光刻工艺 光刻—半导体电路的绘制
时间:2026-03-09
石英灯电子变压器电路原理
时间:2026-03-06
什么是硅片或者晶圆?一文了解半导体硅晶圆
时间:2026-03-09
什么是室温超导?半导体时代将走向结束?芯...
时间:2026-03-09
北京理工大学实现了光导型向平面光伏型量子...
时间:2026-03-09
HTCC:半导体封装的理想方式
时间:2026-03-06
如何利用可扩展的柔性中间层制备超低模量电...
时间:2026-03-09
光伏控制器简介
时间:2026-03-06
电阻的原理和作用 电阻色环识别图 电路中电...
时间:2026-03-09
NVIDIA CPU+GPU超级芯片大升级!
时间:2026-03-09