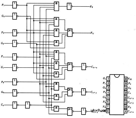
多位数的超前进位加法器的进位是并行产生的,大大提高了一算速度。但是随着位数的增加,超前进位逻辑电路越来越复杂。为了解决这一矛盾,设计出了专用的超前进位产生器,用多个超前进位产生器连接,既可扩充位数而又不使逻辑电路太复杂。集成超前进位产生器74182的逻辑图和引脚图分别如下图所示。

对74182的引出端信号说明如下:
74182的输入、输出信号有进位输入端Cn,进位输出端Cn+x、Cn+y
、Cn+z,进位产生输出端FG(低电平有效),进位传输输出端FP(低电平有效),进位产生输入端G0~G3(低电平有效),进位传输输入端P0~P3(低电平有效)。74182的逻辑功能如下列诸表所示。
74182FG输出功能表

74182FP输出功能表

74182Cn+x输出功能表

74182 Cn+y输出功能表

74182 Cn+z输出功能表

根据这些功能表可得到:

16位全超前进位算术/逻辑运算电路图如下所示:

相关热词:#产生器
RS485基本知识介绍
时间:2026-04-18
什么是激光雷达?激光雷达的构成与分类
时间:2026-04-18
Excelpoint - 一文了解SiC MOS的应用
时间:2026-04-18
什么是磁电阻器?磁电阻特性及应用
时间:2026-04-18
什么是电场?电场在电容器中的应用
时间:2026-04-18
什么是ARM64?
时间:2026-04-17
vga和hdmi的区别
时间:2026-04-17
什么是ESD?ESD及TVS的原理和应用
时间:2026-04-17
开关电源原理与维修完整版 (10)_标清视频
时间:2026-04-16
开关电源原理与维修完整版 (11)_标清视频
时间:2026-04-16
基于逻辑门的构成解释如何完成任意逻辑的管...
时间:2026-03-08
彩灯电路
时间:2026-03-05
NE555的有趣电路设计分享
时间:2026-03-08
三相异步电动机原理
时间:2026-03-04
三相异步电动机的拆装详讲
时间:2026-03-04
从0学电路,万用表演示测量三极管方法
时间:2026-03-08
电动机单线远程正反转控制电路图
时间:2026-03-04
光耦在电子电路中作用、关键参数详解
时间:2026-03-08
转角测量电路
时间:2026-03-05
H桥电机驱动电路解析
时间:2026-03-08