又有工程师被电伤了!
看来这是搞电子工程师,尤其是平时好奇心太强搞拆解的或搞开关电源工程师的家常便饭吧!
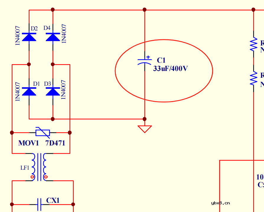
拿一AC-DC开关电源板来举例

在开关电源220V输入前端,都会有一个很大的滤波电容,这个电容一般就是一个400V以上耐压的电解电容,这个电容基本决定着电源板的寿命了(因为寿命相对最短),当这个电容充满电时,因为经过了整流滤波,这个电容2端电压在充电后会达到310V左右。



当电源板损坏需要维修时,第一步要做的就是把这些电容的电先放掉,不然不小心碰到电容引脚2端,就要“哦豁”了。
大家不管在维修任何电路板,特别是那些接220V电源的,一定要先看下上面有没有那些大个子的电容,首先要确认上面是不是写着耐压范围都是上几百V的,而且容量是不是都是那种uF级别以上。不然你碰到后就要唱:
“怎么容量越大,被电越痛”!

像这种只要电容工作电压低,容量再大也不怕。
回到正题目,对电容的放电一般有哪些姿势?
第一种:使用专业放电小工具

这种放电工具某宝也有卖

主要就是通过短路电容,来把电容的电能以热量 形式消耗掉。
第二种:自已来做简单的小放电工具
比如用一些大点功率的电阻,串个发光二极管等等,反正能消耗掉电容 里的电就行了

记得做好绝缘哦!
第三种:直接短路电容放电(用螺丝刀、万用表笔、电烙铁等)
实在没钱或懒的做,就用这个方法,直接把手上工具金属部分搭在电容2脚,这也是有经验的工程师最常用的方案

要注意的是,手拿 的部分要有绝缘哦,不然电的你哇哇的。
另外还有一个听力敏感工程师要注意,这种直接短路方法,因为电压非常高,在短路瞬间,会有很大一声”叭“的声音,并伴随之火花四射,且电容电压越高,容量越大,这种声音越强。
特别容易被吓一跳,执行操作作前一定要做好心里准备,或戴个耳机

第四种:用电子负载
如果是搞电源的,手上有电子负载的就更方便了,直接设置一个负载电流接在电容2端把电消耗。

第五种:时间等待法
有的时候没工具,又不想短路放电,怕那个声音火花,那么可以先用万用表量一下电容2边有没有高压,如果没有,那就大胆摸,如果有上百V高压,你就放几个小时,几天,这个电也会慢慢消失,只要降到百V以下,那就安全多了,最好可以低于36V。
第六种:人肉放电(千万不要试)

再次提醒,注意安全,千万要注意高压危险!
你学废了吗?
RS485基本知识介绍
时间:2026-04-18
什么是激光雷达?激光雷达的构成与分类
时间:2026-04-18
Excelpoint - 一文了解SiC MOS的应用
时间:2026-04-18
什么是磁电阻器?磁电阻特性及应用
时间:2026-04-18
什么是电场?电场在电容器中的应用
时间:2026-04-18
什么是ARM64?
时间:2026-04-17
vga和hdmi的区别
时间:2026-04-17
什么是ESD?ESD及TVS的原理和应用
时间:2026-04-17
开关电源原理与维修完整版 (10)_标清视频
时间:2026-04-16
开关电源原理与维修完整版 (11)_标清视频
时间:2026-04-16
半导体光刻工艺 光刻—半导体电路的绘制
时间:2026-03-09
石英灯电子变压器电路原理
时间:2026-03-06
什么是硅片或者晶圆?一文了解半导体硅晶圆
时间:2026-03-09
什么是室温超导?半导体时代将走向结束?芯...
时间:2026-03-09
北京理工大学实现了光导型向平面光伏型量子...
时间:2026-03-09
HTCC:半导体封装的理想方式
时间:2026-03-06
如何利用可扩展的柔性中间层制备超低模量电...
时间:2026-03-09
光伏控制器简介
时间:2026-03-06
电阻的原理和作用 电阻色环识别图 电路中电...
时间:2026-03-09
NVIDIA CPU+GPU超级芯片大升级!
时间:2026-03-09