pilz安全继电器工作原理及接线图
电子元件2026-03-06
pilz安全继电器工作原理 PILZ安全继电器一般由铁芯、线圈、衔铁、触点簧片等组成的。只要在线圈两端加上一定的电压,线圈中就会流过一定的电流,从而产生电磁效应,衔铁就会在电磁力吸引的作用下克服返回
电子元件2026-03-06
pilz安全继电器常见故障 PILZ安全继电器在使用过程中,由于各种原因,如产品质量不高、使用不当、维修不好等,常常发生各种各样的故障。对于电子PILZ安全继电器,因目前机车上所用种类还少,其故障及处理
电子元件2026-03-06
pilz安全继电器有什么用 1.PILZ安全继电器是由数个继电器与电路组合而成,为的是要能互补彼此的异常缺陷,达到正确且低误动作的继电器完整功能,使其失误和失效值愈低,安全因素则愈高,因此需设计出多种
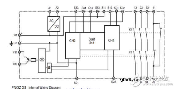
Pilz的安全继电器的使用技术解读
电子元件2026-03-06
有个优秀的控制系统必将会把安全放在首位,单证的有事故来临的时候,它也能保证设备和人身的安全。
波特率是什么意思_怎样计算波特率
时间:2026-04-21
RS485基本知识介绍
时间:2026-04-18
什么是激光雷达?激光雷达的构成与分类
时间:2026-04-18
Excelpoint - 一文了解SiC MOS的应用
时间:2026-04-18
什么是磁电阻器?磁电阻特性及应用
时间:2026-04-18
什么是电场?电场在电容器中的应用
时间:2026-04-18
什么是ARM64?
时间:2026-04-17
vga和hdmi的区别
时间:2026-04-17
什么是ESD?ESD及TVS的原理和应用
时间:2026-04-17
开关电源原理与维修完整版 (10)_标清视频
时间:2026-04-16
半导体光刻工艺 光刻—半导体电路的绘制
时间:2026-03-09
石英灯电子变压器电路原理
时间:2026-03-06
什么是室温超导?半导体时代将走向结束?芯...
时间:2026-03-09
什么是硅片或者晶圆?一文了解半导体硅晶圆
时间:2026-03-09
北京理工大学实现了光导型向平面光伏型量子...
时间:2026-03-09
HTCC:半导体封装的理想方式
时间:2026-03-06
如何利用可扩展的柔性中间层制备超低模量电...
时间:2026-03-09
NVIDIA CPU+GPU超级芯片大升级!
时间:2026-03-09
光伏控制器简介
时间:2026-03-06
电阻的原理和作用 电阻色环识别图 电路中电...
时间:2026-03-09