电子元件2026-03-23
ATX电源与BTX电源有什么区别
电工问答2026-03-06
ATX电源 ATX电源作用是把交流220V的电源转换为计算机内部使用的直流5V,12V,24V的电源。
atx电源坏了怎么快速维修
电工问答2026-03-06
ATX电源的核心电路:ATX电源的主变换电路与AT电源相同,也是采用“双管半桥它激式”电路,PWM(脉宽调制)控制器同样采用TL494控制芯片,但取消了市电开关。由于取消了市电开关,所以只要接上电源线,在变换电路
ATX电源主电源的修复过程
电工问答2026-03-06
ATX开关电源与AT电源最显著的区别是,前者取消了传统的市电开关,依靠+5VSB、PS-ON控制信号的组合来实现电源的开启和关闭。
电工问答2026-03-06
电脑电源是把220V交流电,转换成直流电,并专门为电脑配件如CPU、主板、硬盘、内存条、显卡、光盘驱动器等供电的设备,是电脑各部件供电的枢纽,是电脑的重要组成部分。目前PC电源大都是开关型电源。
20针及24针atx电源接口定义
电工问答2026-03-06
ATX电源的核心电路:ATX电源的主变换电路与AT电源相同,也是采用“双管半桥它激式”电路,PWM(脉宽调制)控制器同样采用TL494控制芯片,但取消了市电开关。由于取消了市电开关,所以只要接上电源线,在变换电路
电工问答2026-03-06
ATX 规范是1995 年Intel 公司制定的新的主机板结构标准,是英文(AT Extend)的缩写,可以翻译为AT 扩展标准,而ATX 电源就是根据这一规格设计的电源。市面上销售的家用电脑电源,一般都遵循ATX 规范。
atx电源测试仪使用方法
电工问答2026-03-06
采用ATX电源的计算机系统如果出现故障,首先要从CMOS设置、Windows中ACPI的设置及电源和主板等几个方面进行全面的分析。硬件方面,为了区别故障在负载上还是在电源本身,可以将电源拆卸下来,用一台废旧设备(例
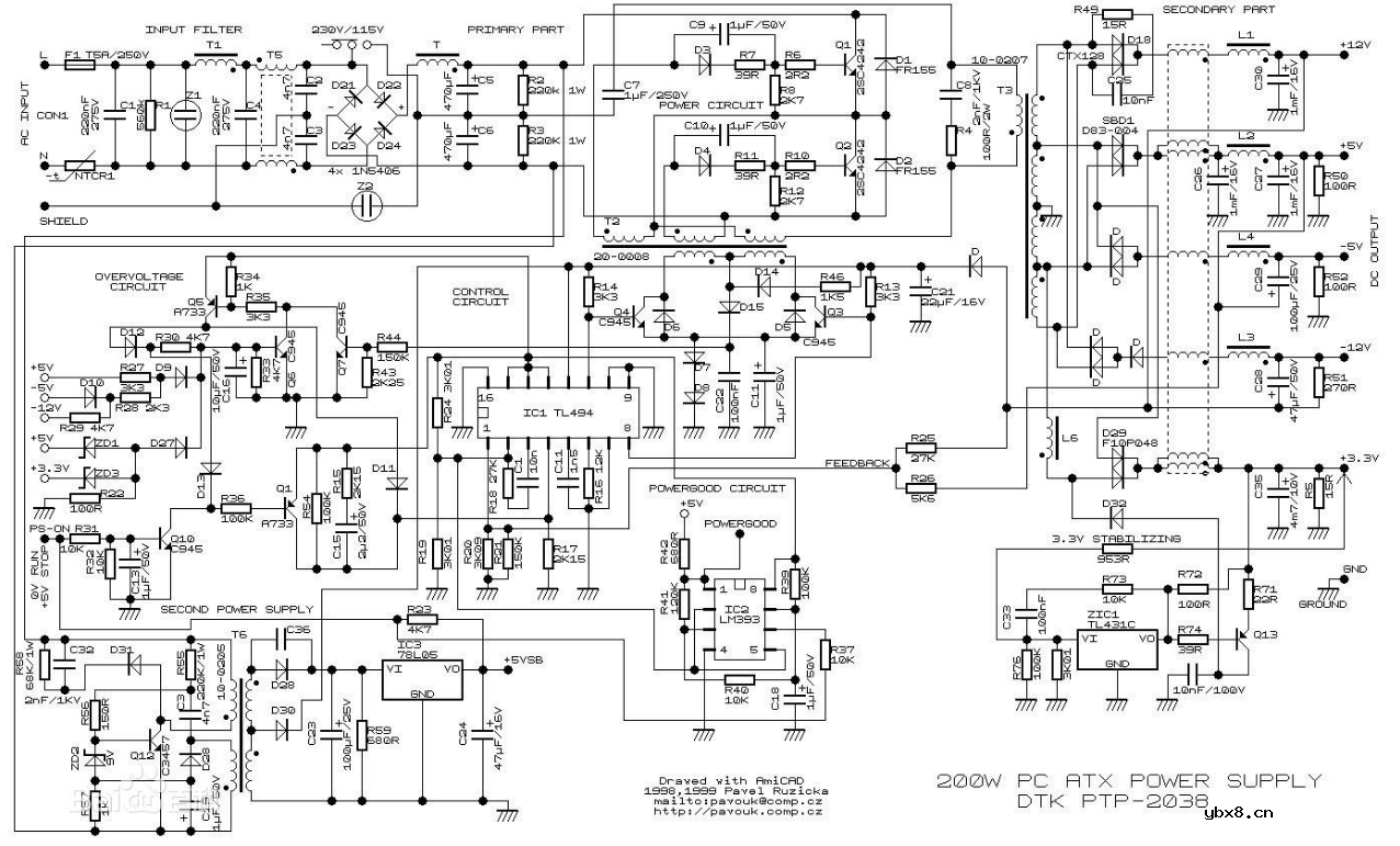
atx电源电路图讲解(五款atx电源电路图)
电工问答2026-03-06
atx电源电路图一: ATX电源电路结构较复杂,如图中所,整个电路可以分成两大部分:一部分为开关变压器T3以后的电路,不和交流220V直接相连,称为低压侧电路;另一部分为从电源输入到开关变压器T3之前的
电脑atx电源接口详解
电工问答2026-03-06
ATX电源简介 ATX电源作用是把交流220V的电源转换为计算机内部使用的直流5V,12V,24V的电源。
RS485基本知识介绍
时间:2026-04-18
什么是激光雷达?激光雷达的构成与分类
时间:2026-04-18
Excelpoint - 一文了解SiC MOS的应用
时间:2026-04-18
什么是磁电阻器?磁电阻特性及应用
时间:2026-04-18
什么是电场?电场在电容器中的应用
时间:2026-04-18
什么是ARM64?
时间:2026-04-17
vga和hdmi的区别
时间:2026-04-17
什么是ESD?ESD及TVS的原理和应用
时间:2026-04-17
开关电源原理与维修完整版 (10)_标清视频
时间:2026-04-16
开关电源原理与维修完整版 (11)_标清视频
时间:2026-04-16
什么是追踪缓存/转接卡?
时间:2026-03-06
GPS接收机的分类
时间:2026-03-07
什么是GPS旅行提示器/屏幕尺寸
时间:2026-03-07
GPS的WAAS跟踪性能
时间:2026-03-07
GPS设备的动态性能
时间:2026-03-07
EMC和ESD防护技术
时间:2026-03-05
GPS设备的地图功能
时间:2026-03-07
坐标基准
时间:2026-03-07
GPS的接口有哪些类型?
时间:2026-03-07
什么是EPIC
时间:2026-03-06