电路图天天读(13):可穿戴紧急呼叫器电路模块设计
电路图基础2026-03-07
当某一路有呼叫信号输入时,该信号会被送到编码器(74LS148)中进行编码,编码器信号经过反相器(74LS04),经驱动芯片(CD4511)输出到显示电路,显示这一路的编码。同时触发单稳态电路,产生2s的高电平,使
远距离无线编码报警器电路
电路图基础2026-03-06
远距离无线编码报警器电路
四通道运放选频编码电路
电路图基础2026-03-06
四通道运放选频编码电路
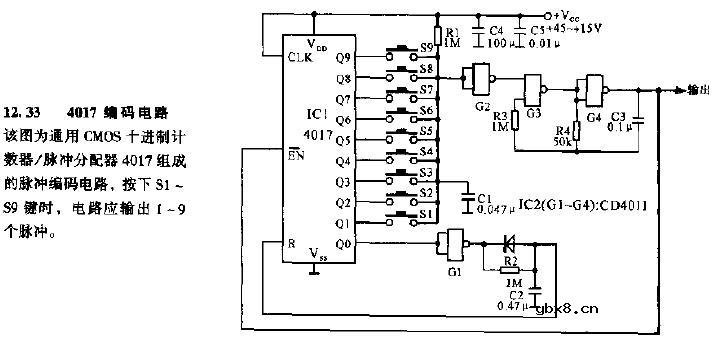
4017编码电路图
电路图基础2026-03-06
4017编码电路图
HT-640的编码电路图
电路图基础2026-03-06
HT-640的编码电路图
PPM编码电路图
电路图基础2026-03-06
PPM编码电路图
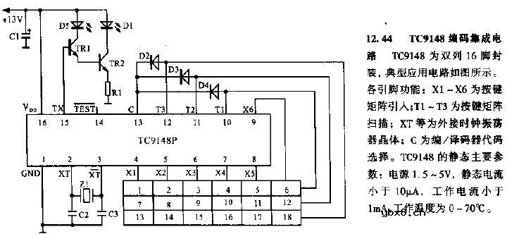
TC9148编码集成电路图
电路图基础2026-03-06
TC9148编码集成电路图
YN5103编码电路
电路图基础2026-03-06
YN5103编码电路
单片UM3758-108A/AM编码电路图
电路图基础2026-03-06
单片UM3758-108A/AM编码电路图
单片ZH9401编码电路图
电路图基础2026-03-06
单片ZH9401编码电路图
DTMF编码电路
电路图基础2026-03-06
DTMF编码电路
HT-12E编码电路
电路图基础2026-03-06
HT-12E编码电路
KD-701系列编码电路
电路图基础2026-03-06
KD-7** 编码电路
YYH26编码电路
电路图基础2026-03-06
YYH26编码电路
单级运放选频编码电路
电路图基础2026-03-06
单级运放选频编码电路
三星贴片电容编码规则
电子元件2026-03-05
三星贴片电容规格对照表 三星电容编码识别 你看盘子的料号如下对比: 例如:
RS485基本知识介绍
时间:2026-04-18
什么是激光雷达?激光雷达的构成与分类
时间:2026-04-18
Excelpoint - 一文了解SiC MOS的应用
时间:2026-04-18
什么是磁电阻器?磁电阻特性及应用
时间:2026-04-18
什么是电场?电场在电容器中的应用
时间:2026-04-18
什么是ARM64?
时间:2026-04-17
vga和hdmi的区别
时间:2026-04-17
什么是ESD?ESD及TVS的原理和应用
时间:2026-04-17
开关电源原理与维修完整版 (10)_标清视频
时间:2026-04-16
开关电源原理与维修完整版 (11)_标清视频
时间:2026-04-16
半导体光刻工艺 光刻—半导体电路的绘制
时间:2026-03-09
石英灯电子变压器电路原理
时间:2026-03-06
什么是硅片或者晶圆?一文了解半导体硅晶圆
时间:2026-03-09
什么是室温超导?半导体时代将走向结束?芯...
时间:2026-03-09
北京理工大学实现了光导型向平面光伏型量子...
时间:2026-03-09
HTCC:半导体封装的理想方式
时间:2026-03-06
如何利用可扩展的柔性中间层制备超低模量电...
时间:2026-03-09
光伏控制器简介
时间:2026-03-06
电阻的原理和作用 电阻色环识别图 电路中电...
时间:2026-03-09
NVIDIA CPU+GPU超级芯片大升级!
时间:2026-03-09