例1
图中的光耦MOC3041是用来隔离可控硅上的交流高压和直流低压控制信号的。其输出用来触发双向可控硅,选用ST
Microelectronics公司的T4系列,内部集成有缓冲续流电路,不用在双向可控硅两端并联RC吸收电路,可以直接触发,电路设计比较简单。

P1.0通过可控硅、交流接触器、过流保护器和断相保护器控制电机,图中仅给出带过零触发的双向晶闸管触发电路。MOC3041为光耦合双向可控硅驱动器,输入端驱动电流为15mA,适用于220V交流电路。

1、MOC3041的工作电流仅十余个毫安,直接驱动20瓦的功率非常勉强,不敢保证长时间工作不会烧坏,应该让3041驱动97A6的可控硅,再用可控硅驱动电磁阀。
2、实践证明,51单片机驱动PNP管的时候,在工作条件接近临界点的时候,会出现关不断的现象,其原因在于:(1)端口的高电平并不是严格的Vcc电压,而是比Vcc略低,这种略低的电压足以形成给Q1一个很小的偏置电压Vbe,虽然该电压远小于0.7V,但经过三极管放大后,却能够造成Q1集电极有极小的电流存在,尽管该电流不足以导致LED发出用肉眼能看到的亮光,但是在密封的光耦合器内,却能够导致光耦合区工作;(2)PNP管要比NPN极管有更大的穿透电流,即:在基极B完全断开的情况下,集电极仍然有极小的电流存在。
综合以上两点,该电路的设计是存在缺欠的,改进方法如下:
1、MOC3041与气阀之间加入一个可控硅(必须)
2、建议改用NPN管驱动,如果必须要用PNP管,就应该在B和E之间接一个10K左右的电阻;或者在发射极串入一个二极管,以起到钳位作用,即保证PNP管能可*关断;或者干脆将耦合器的1和2脚改接在发射极,并让集电极通过电阻接地。
1、不推荐用3041直接驱动电磁阀,加一个可控硅非常有必要。
2、用单片机直接驱动3041是可以的。
3、用2K电阻能可*驱动,因为内部的光耦合几乎是100%的耦合,只要微弱发光即可。
例2
交流接触器C 由双向晶闸管KS 驱动。光电耦合器MOC3041 的作用是触发双向晶闸管KS 以及隔离单片机系统和接触器系统。MOC3041 的输入端接7407,由单片机的P1.1端控制。P1.1输出低电平时,KS导通,接触器C吸合。P1.1输出高电平时,KS关断,接触器C释放。MOC3041内部带有过零控制电路,因此KS 工作在过零触发方式。
例3
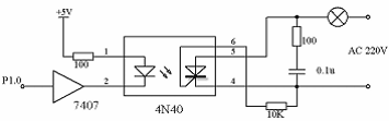
单片机处理完数据后,发出控制信号控制外电路工作,开关型驱动接口中单片机控制输出的信号是开关量,有发光二极管驱动接口,光电耦合器驱动接口,液晶显示器驱动接口,晶闸管输出型驱动接口和继电器型驱动接口。控制扬声器采用的是晶闸管输出型光电耦合驱动接口。
电路如图2 所示。晶闸管输出型光电耦合器的输出端是光敏晶闸管。当光电耦合器的输入端有一定的电流流入时,晶闸管导通。采用4N 40单相晶闸管输出型光电耦合器,当输入端有15-30mA的电流时输出端的晶闸管导通。输出端的额定电压为400V ,额定电流有效值为300mA。4N 40的6脚是输出晶闸管的控制端,不使用此端时,可对阴极接一电阻。所以,当8031的P1.0为低电平时,二极管导通,发光,触发晶闸管使其导通,扬声器报警。
自动通车接口电路设计


图2 光电耦合器驱动接口电路
8031与自动停车电路间用的是交流电磁式接触器的功率接口。具体电路如图3 所示。

图3 交流接触器接口
交流接触器C 由双向晶闸管KS 驱动。光电耦合器MOC3041 的作用是触发双向晶闸管KS 以及隔离单片机系统和接触器系统。MOC3041 的输入端接7407,由单片机的P1.1端控制。P1.1输出低电平时,KS导通,接触器C吸合。P1.1输出高电平时,KS关断,接触器C释放。MOC3041内部带有过零控制电路,因此KS 工作在过零触发方式。
例4

与双向可控硅配套的光电隔离器称为光耦合双向可控硅驱动器,如图所示
与一般光耦不同的是它的输出部分是一硅光敏双向可控硅,一般还带有过零触发检测器(如上图中的A),以保证在电压接近零是触发可控硅。常用的有MOC3000系列,我们的设计采用MOC3041,
下图为光耦与双向可控硅的接线图

不同的光隔,其输入端驱动电流也不一样,如MOC3041为15mA,电阻R则在驱动回路中起到限流的作用,一般在微机测控系统中,其输出可用OC门驱动,在光隔输出端,与双向可控硅并联的RC是为了在使用感性负载时吸收与电流不同步的过压,而门级电阻则是为了提高抗干扰能力,以防误触发。
实际可行方案protel原理图(变动了几个电阻)


例5
为了实现水温的PID控制,功率放大电路的输出不能是一个简单的开关量,输入电炉的加热功率必须连续可调;
改变输入电炉的电压平均值就可改变电炉的输入功率,而较简单的调压方法有相位控制调压和通断控制调压法;
采用通断控制调压法不仅使输出通道省去了D/A转换器和可控硅移相触发电路,大大简化了系统硬件,而且可控硅工作在过零触发状态,提高了设备的功率因数,也减轻了对电网的干扰。
例6
图4.24 是4N40 的接口电路。
4N40 是常用的单向晶闸管输出型光电耦合器,也称固态继电器。当输入端有15~30mA 电流时,输出端的晶闸管导通,输出端的额定电压为400V,额定电流为300mA。输入输出端隔离电压为1500V~7500V。
4N40 的第6 脚是输出晶闸管控制端,不使用此端时,此端可对阴极接一个电阻。

RT809F、RT809H编程器:笔记本EC在线读写KB...
时间:2026-03-23
eMMC RPMB分区介绍
时间:2026-03-23
NorFlash、NandFlash、eMMC闪存的比较与区别
时间:2026-03-23
RT809H编程器教程:康佳RTD2995方案厂家升级...
时间:2026-03-23
液晶电视串口刷机或查看打印信息常用接口介...
时间:2026-03-23
VGA线针脚定义与规格,编程器刷机线、3+2、...
时间:2026-03-23
RT809H编程器:创维8R96机芯RTD2992打印信息...
时间:2026-03-23
RT300M(V2.0)新款超高亮度LED智能测试仪使用...
时间:2026-03-23
eMMC芯片在线读写寻找关键点的方法与步骤
时间:2026-03-23
RT809H教程:变频空调控制板MCU读写方法操作...
时间:2026-03-23
住宅小区负荷与变压器容量的选择技巧
时间:2026-03-06
石英灯电子变压器电路原理
时间:2026-03-06
玻璃釉电容器的结构与特点
时间:2026-03-05
光伏控制器简介
时间:2026-03-06
三极管的主要参数
时间:2026-03-07
HTCC:半导体封装的理想方式
时间:2026-03-06
变压器并列运行的条件浅析
时间:2026-03-06
电阻的标称阻值和允许偏差
时间:2026-03-05
半导体三极管的技术参数
时间:2026-03-07
贴片电阻怎么看阻值
时间:2026-03-05