光耦合器(opticalcoupler,英文缩写为OC)亦称光电隔离器或光电耦合器,简称光耦。它是以光为媒介来传输电信号的器件,通常把发光器(红外线发光二极管LED)与受光器(光敏半导体管)封装在同一管壳内。当输入端加电信号时发光器发出光线,受光器接受光线之后就产生光电流,从输出端流出,从而实现了“电—光—电”转换。以光为媒介把输入端信号耦合到输出端的光电耦合器,由于它具有体积小、寿命长、无触点,抗干扰能力强,输出和输入之间绝缘,单向传输信号等优点,在数字电路上获得广泛的应用。
开关稳压电源的最大特点就是灵活,其能为电路提供各类不同的电压等级电源。而在光电耦合器中光电耦合器也起着同样的作用,光电耦合器能为开关稳压电源提供两种截然不同的信号,那么这两种信号是什么?信号又是怎样被传递的呢?
光电耦合器在开关稳压电源中传递的信号有两种,一种是开关信号,另一种是误差放大信号。这两种不同的运用,需要在发光二极管及光敏三极管的不同状态(饱和、截止或放大区)下才能进行传递开关信号或放大误差信号。
传递开关信号
①-②(发光二极管)电位差:1.2V/1.3V(发光强)。
④-③(光敏三极管饱和导通)电位差:O.1V~0.4V(饱和压降)IC最大,约几毫安。
①-②(发光二极管)电位差:小于0.7V(不发光)。
④-③(光敏三极管截止)电位差:大于6V(根据电源电压不同,接近电源电压)、IC≈0。
传递误差放大信号
①~②(发光二极管)电位差:1V左右变化(亮度变化很灵敏)。
④~③(光敏三极管工作于放大区)电位差:5V~10V变化(根据电源电压和负载线有所不同)IC约在lmA~3mA之间变化。

如使用光电耦合器还必须采用如图1所示的比较放大器(也可用分立元件组成),将取样电压(B+)的变化值分压后加在三极管的基极上。与发射极上稳定的电位作比较,放大后由集电极输出。集电极电流的变化也就是发光二极管电流的变化,使发光二极管在灵敏区亮度变化,并将误差信号反相放大后传递给光敏三极管,再经控制放大电路才能达到稳定B+的目的。
最后还需说明一点,在我国大屏幕彩电中采用STR-S6709系列或STR-M6800系列厚膜电路很多,这两种IC内部的振荡器中,是用光耦反馈电流改变振荡器中电容器的充电电流,从而控制达到门限电压Vthl≈O.73V的充电时间。新型的STR-G8656系列IC内部,使用了直流偏置来控制导通时间。以便微调功率开关场效应管的占空比,达到稳压的目的。两者可靠性均相同,后者电路更简单。
光耦的特点:具有信号单向传输性,从而实现输入端与输出端的电气隔离,即:输出信号对输入端无影响,具有抗干扰能力强、工作特性稳定、高可靠性、传输效率高等优点,通常被应用与开关电源控制回路中。
光耦在开关电源中的典型应用原理:从输出端采样,获取误差信号,然后把信号通过转换、隔离传输到输入端IC的PWM控制器,通过调节PWM占空比的大小,实现高精度稳压输出。

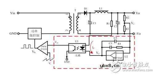
光耦与TL431的组合使用,构成最简单的开关电源控制回路(反馈回路),实现稳压输出,如图所示,Vs为输出电压Vo分压后的提供给TL431误差放大器反相端的采样型号,该采样信号Vs通过光耦二极管、TL431、电阻R1转换为电流信号IF,然后传输到光耦输出端,形成误差信号Vea,与PWM控制器的三角波Vt进行比较,得到矩形脉冲(具有一定占空比的PWM信号Vb),然后调节功率级器件的导通、截止时间,达到稳定输出的目的。
反馈环路的稳定性对开关电源来说是非常重要的,如果没有足够的相位余量和增益余量,电源的动态特性就会变差或直接导致输出振荡,使产品损坏或者缩短使用寿命。
在设计开关电源控制回路时,要充分考虑反馈环路的稳定性,使其具有负反馈特性:为了使产品能工作在最恶劣的情况时,仍保持稳定,理论至少需要45°的相位余量。
图红框的器件要素就构成一个具有2型补偿的反馈环路。TL431是开关电源次级反馈最常用的基准和误差放大器件,其供电方式不同对它的传递函数有很大的影响。在研发设计阶段,工程师一般都会借助环路测试仪器,调试环路的稳定性,缩短产品的开发周期,提高产品的稳定性、可靠性。
光耦在开关电源中的应用主要是提供初级输入与次级输出间的电气隔离、与TL431组合的反馈控制环路,所以在电路设计时,必须遵循下列原则:
1、根据产品输入、输出间的隔离耐压,选择符合国内、国际相关隔离击穿电压标准的光耦;
2、电流传输比(CTR)的理想范围是50%~200%。这是因为当CTR过小时,光耦中的LED需要较大的工作电流,这会增大光耦的功耗;当CTR过大时,在电路启动或者负载突变时,有可能影响正常输出;
3、优先选择线性光耦,因为CTR值在一定的范围内,具有较好的线性调整。
回调函数(callback)是什么?回调函数的实现方...
时间:2026-05-08
电压指示测试灯
时间:2026-05-08
PLC自动步程序的7种编程方法
时间:2026-05-08
压力变送器的工作原理
时间:2026-05-08
ipv6和ipv4有什么区别,哪个网速快?
时间:2026-05-08
TFTP简介_TFTP的特点_TFTP的应用
时间:2026-05-08
氩弧焊与电焊的优缺点,哪个更加结实
时间:2026-05-08
使用高压电阻进行设计的 10 个技巧
时间:2026-05-07
数字仪表与模拟仪表:它们有何区别?
时间:2026-05-07
基于半导体的电源模块与分立元件
时间:2026-05-07
电阻的原理和作用 电阻色环识别图 电路中电...
时间:2026-03-09
什么是室温超导?半导体时代将走向结束?芯...
时间:2026-03-09
NVIDIA CPU+GPU超级芯片大升级!
时间:2026-03-09
半导体光刻工艺 光刻—半导体电路的绘制
时间:2026-03-09
什么是硅片或者晶圆?一文了解半导体硅晶圆
时间:2026-03-09
石英灯电子变压器电路原理
时间:2026-03-06
一文详解MOS管驱动电路拓扑的设计
时间:2026-03-09
汽车芯片业应汲取的教训
时间:2026-03-09
半导体行业之ICT技术简介
时间:2026-03-09
集成电路的几纳米代表了什么?
时间:2026-03-09