光电耦合器——又称光耦合器或光耦,它属于较新型的电子产品,现在它广泛应用于计算机、音视频……各种控制电路中。由于光耦内部的发光二极管和光敏三极管只是把电路前后级的电压或电流变化,转化为光的变化,二者之间没有电气连接,因此能有效隔断电路间的电位联系,实现电路之间的可靠隔离。
随着光电耦合器的日益稳定且普遍的情况下,市场上出现了许许多多、各式各样的光耦,因此山寨牌的光耦也浮现出来了,为了让广大的消费者能买到好的光耦,亿光代理商超毅电子跟大家讲解一下如何检查光耦的好坏:
判断光耦的好坏,可在路测量其内部二极管和三极管的正反向电阻来确定。更可靠的检测方法是以下三种。
1、比较法拆下怀疑有问题的光耦,用万用表测量其内部二极管、三极管的正反向电阻值,用其与好的光耦对应脚的测量值进行比较,若阻值相差较大,则说明光耦已损坏。
2、数字万用表检测法下面以EL817光耦检测为例来说明数字万用表检测的方法,检测电路如图1所示。检测时将光耦内接二极管的+端{1}脚和-端{2}脚分别插入数字万用表的Hfe 的c、e插孔内,此时数字万用表应置于NPN挡;然后将光耦内接光电三极管C极{5}脚接指针式万用表的黑表笔,e极{4}脚接红表笔,并将指针式万用表拨在RX1k挡。这样就能通过指针式万用表指针的偏转角度——实际上是光电流的变化,来判断光耦的情况。指针向右偏转角度越大,说明光耦的光电转换效率越高,即传输比越高,反之越低;若表针不动,则说明光耦已损坏。
3、光电效应判断法仍以EL817光耦合器的检测为例,检测电路如图2所示。将万用表置于RX1k电阻挡,两表笔分别接在光耦的输出端{4}、{5}脚;然后用一节1.5V的电池与一只50~100Ω的电阻串接后,电池的正极端接EL817的{1}脚,负极端碰接{2}脚,或者正极端碰接{1}脚,负极端接{2}脚,这时观察接在输出端万用表的指针偏转情况。如果指针摆动,说明光耦是好的,如果不摆动,则说明光耦已损坏。万用表指针摆动偏转角度越大,表明光电转换灵敏度越高。

用两个万用表就可以测了。光电耦合器由发光二极管和受光三极管封装组成。如光电耦合器4N25,采用DIP-6封装,共六个引脚,①、②脚分别为阳、阴极,③脚为空脚,④、⑤、⑥脚分别为三极管的e、c、b极。
以往用万用表测光耦时,只分别检测判断发光二极管和受光三极管的好坏,对光耦的传输性能未进行判断。这里以光耦4N25为例,介绍一种测量光耦传输特性的方法。
1、判断发光二极管好坏与极性:用万用表R×1k挡测量二极管的正、负向电阻,正向电阻一般为几千欧到几十千欧,反向电阻一般应为∞。测得电阻小的那次,红笔接的是二极管的负极。
2、判断受光三极管的好坏与放大倍数:将万用表开关从电阻挡拨至三极管hFE挡,使用NPN型插座,将E孔连接④脚发射极,C孔连接⑤脚集电极,B孔连接⑥脚基极,显示值即为三极管的电流放大倍数。一般通用型光耦hFE值为一百至几百,若显示值为零或溢出为∞,则表明三极管短路或开路,已损坏。
3、光耦传输特性的测量:测试具体接线见下图,将数字万用表开关拨至二极管挡位,黑笔接发射极,红笔接集电极,⑥脚基极悬空。这时,表内基准电压2.8V经表内二极管挡的测量电路,加到三极管的c、e结之间。但由于输入二极管端无光电信号而不导通,液晶显示器显示溢出符号。当输入端②脚插入E孔,①脚插入C孔的NPN插座时,表内基准电源2.8V经表内三极管hFE挡的量电路,使发光二极管发光,受光三极管因光照而导通,显示值由溢出符号瞬间变到188的示值。当断开①脚阳极与C孔的插接时,显示值瞬间从188示值又回到溢出符号。不同的光耦,传输特性与效率也不相同,可选择示值稍小、显示值稳定不跳动的光耦应用。由于表内多使用9V叠层电池,故给输入端二极管加电的时间不能过长,以免降低电池的使用寿命及测量精度,可采用断续接触法测量。

[1] 光电器件是指能将光信号转换为电信号的电子元器件,包括光电二极管、光电三极管、光电耦合器等。光电二极管有一个PN结,光电三极管有两个PN结,图1所示为金属壳封装、透明塑封、树脂封装光电二、三极管外形。

[2] 光电二极管的代号为“VD”、图形符号见图2。靠近管键或色点长脚是正极,短脚是负极。

[3] 光电二极管的最高工作电压URM是指在无光照、反向电流不超过规定值(常为0.1μA)的前提下允许加的最高反向电压,光电流IL是指在受到光照时加有反向电压时所流过的电流,如图3所示。光电灵敏度Sn是指光电二极管的光电流IL与入射光功率之比,Sn越高越好。

[4] 光电二极管通常工作在反向电压状态,如图4所示。无光照时,VD截止,反向电流I=0,负载电阻RL上的电压UO=0。有光照时,VD的反向电流I明显增大并随光照强度的变化而变化,这时UO也随光照强度的变化而变化,从而实现了光电转换。

[5] 光电三极管的代号为“VT”、图符如图5所示,有NPN、PNP型光电三极管两类。其基极即为光窗口,因此它只有发射极e和集电极c两个管脚,靠近管键或色点的是发射极e(长脚),另一脚是集电极c(短脚);少数光电三极管基极b有引脚,用作温度补偿。

[6] 光电三极管可以等效为光电二极管和普通三极管的组合元件,如图6所示。光电三极管基极与集电极间的PN结相当于一个光电二极管,在光照下产生的光电流IL又从基极进入三极管放大,因此光电三极管输出的光电流可达光电二极管的β倍。光电二极管和光电三极管各有特点,要求线性好、工作频率高的场合应选用光电二极管;要求灵敏度高时,应选用光电三极管。

[7] 光电二极管和光电三极管可用万用表检测:万用表置“R×1k”挡,红表笔(表内电池负极)接光电二极管正极或光电三极管发射极e(NPN型,下同),黑表笔接光电二极管负极或光电三极管集电极c。用一遮光物遮住透明窗口,如图7所示,这时表针应指无穷大。

[8] 移去遮光物,使透明窗口朝向光源(自然光、白炽灯或手电筒等),这时表针应转至几kΩ处,如图8所示。表针偏转越大灵敏度越高。

[9] 图9为光控开关电路。无光照时,光电二极管VD1截止。有光照时,VD1导通,VT1、VT2导通,继电器K吸合接通被控电路。

[10] 图10为光信号放大电路,光信号由VD接收,经VT放大后经C输出。

[11] 红外光到可见光的转换,如图11所示。红外光VD1接收,VT1、VT2放大并驱动发光二极管VD2发出可见光。

[12] 图12所示VT1为光控开关电路,它比使用光电二极管的同类电路简化了许多。

[13] 光电耦合器是以光为媒介传输电信号的器件,还可实现输入输出间的电隔离。常见的封装形式见图13。

[14] 光电耦合器种类较多,如图14所示。有:光电二极管型、光电三极管型、光敏电阻型、光控晶闸管型、达林顿型、集成电路型等。

[15] 光电耦合器的主要参数有正向电压UF和输出电流IL等。如图15所示,UF是指光电耦合器输入端发光二极管正向导通所需要的最小电压(即管压降);IL是指光电耦合器输入端接入规定正向电压时,输出端光电器件通过的电流。

[16] 光电耦合器的封装形式,仅双列直插式就有4、6、8脚等,如图16所示。

[17] 检测光电耦合器输入部分:万用表置“R×1k”挡,分别测量输入部分发光二极管的正、反向电阻,正向电阻数百Ω(图17),反向电阻几十kΩ。由于其中的发光二极管的正向管压降较普通发光二极管低,在1.3V以下,所以可以用万用表“R×1k”挡直接测量。

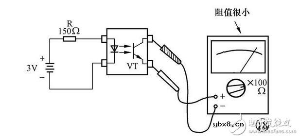
[18] 检测光耦的传输性能:如图18所示,万用表置“R×100”挡输入端接入(+3V)时VT应导通,万用表指示阻值很小。断开(+3V)时,VT应截止,阻值为无穷大。

[19] 光电耦合器的作用是隔离传输。如图19所示,当输入端加上电压GB1时,I1使发光二极管发光;光电三极管受光照后就产生光电流I2,从而实现了电信号的传输。由于这个传输过程是通过“电→光→电”完成的,GB1与GB2之间并没有电的联系,所以实现了输入、输出之间的电隔离。

[20] 光电耦合器还可以用作隔离控制。图20所示为交流电钻控制电路。当按下SB时,光电耦合器产生输出电流,VS导通,电钻M转动。由于光电耦合器的隔离作用,只需控制3V低压直流电即可间接控制交流220V电源。
回调函数(callback)是什么?回调函数的实现方...
时间:2026-05-08
电压指示测试灯
时间:2026-05-08
PLC自动步程序的7种编程方法
时间:2026-05-08
压力变送器的工作原理
时间:2026-05-08
ipv6和ipv4有什么区别,哪个网速快?
时间:2026-05-08
TFTP简介_TFTP的特点_TFTP的应用
时间:2026-05-08
氩弧焊与电焊的优缺点,哪个更加结实
时间:2026-05-08
使用高压电阻进行设计的 10 个技巧
时间:2026-05-07
数字仪表与模拟仪表:它们有何区别?
时间:2026-05-07
基于半导体的电源模块与分立元件
时间:2026-05-07
电阻的原理和作用 电阻色环识别图 电路中电...
时间:2026-03-09
什么是室温超导?半导体时代将走向结束?芯...
时间:2026-03-09
NVIDIA CPU+GPU超级芯片大升级!
时间:2026-03-09
半导体光刻工艺 光刻—半导体电路的绘制
时间:2026-03-09
什么是硅片或者晶圆?一文了解半导体硅晶圆
时间:2026-03-09
石英灯电子变压器电路原理
时间:2026-03-06
一文详解MOS管驱动电路拓扑的设计
时间:2026-03-09
汽车芯片业应汲取的教训
时间:2026-03-09
半导体行业之ICT技术简介
时间:2026-03-09
集成电路的几纳米代表了什么?
时间:2026-03-09