音频光耦合器是一种能够将电信号转换为光信号并进行传输的设备。它通常由发光二极管(LED)和光敏电阻(光电二极管或光敏电阻器)组成。

音频光耦合器的主要作用是实现电与光信号之间的互相转换和传输。它具有抗干扰性强、传输距离远、信号传输质量好等特点。因此,在一些特殊的应用场景中,比如比如音频信号传输距离较远或需要抗干扰的环境中,音频光耦合器可以起到很好的作用。
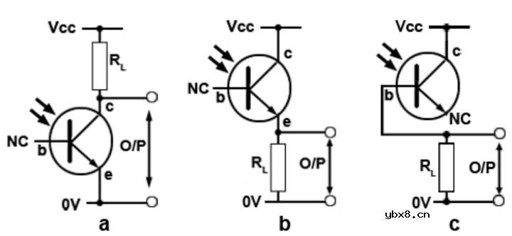
使用4N25进行音频
音频光耦合器4N25通过光电晶体管光耦合器用于音频应用,它通常用于低频数字信号(在饱和模式下)或直流应用(线性模式),需注意的是,音频光耦是一种专用的设备,通常用于特定的音频传输需求,而不是普遍存在于常规的音频设备中。


当光电晶体管输出取自基极连接(发射极未连接)时,如图(1)连接选择(c) 所示,基极/集电极结被用作光电二极管。由于光电晶体管现在不用作放大器,因此“米勒效应”(结电容值乘以晶体管的电流增益)不适用,因此基极/集电极结的有效大电容大大增加减少,允许光耦合器以更高的速度工作,这意味着在音频应用的情况下,可以使用更宽的带宽,尽管这种操作模式大大降低了输出信号幅度。
在图(1)所示的任何配置中,负载电阻的选择对输出信号都有显着影响;RL的值越高,输出信号的幅度越大,但带宽越窄,因此所选择的RL值是取决于电路目的的折中方案。
为了使4N25 为音频信号提供隔离,红外 LED 的输入必须使用 DC 电压进行适当偏置,以便在施加调制 AC(音频)信号时,可以改变通过 LED 的电流,而无需光耦合器输出达到饱和或截止。这实际上是线性操作模式的扩展,并且可以使用两种基本配置(光电晶体管或光电二极管)之一来应用。
审核编辑 黄宇
RT809F、RT809H编程器:笔记本EC在线读写KB...
时间:2026-03-23
eMMC RPMB分区介绍
时间:2026-03-23
NorFlash、NandFlash、eMMC闪存的比较与区别
时间:2026-03-23
RT809H编程器教程:康佳RTD2995方案厂家升级...
时间:2026-03-23
液晶电视串口刷机或查看打印信息常用接口介...
时间:2026-03-23
VGA线针脚定义与规格,编程器刷机线、3+2、...
时间:2026-03-23
RT809H编程器:创维8R96机芯RTD2992打印信息...
时间:2026-03-23
RT300M(V2.0)新款超高亮度LED智能测试仪使用...
时间:2026-03-23
eMMC芯片在线读写寻找关键点的方法与步骤
时间:2026-03-23
RT809H教程:变频空调控制板MCU读写方法操作...
时间:2026-03-23
住宅小区负荷与变压器容量的选择技巧
时间:2026-03-06
石英灯电子变压器电路原理
时间:2026-03-06
玻璃釉电容器的结构与特点
时间:2026-03-05
光伏控制器简介
时间:2026-03-06
三极管的主要参数
时间:2026-03-07
HTCC:半导体封装的理想方式
时间:2026-03-06
变压器并列运行的条件浅析
时间:2026-03-06
电阻的标称阻值和允许偏差
时间:2026-03-05
半导体三极管的技术参数
时间:2026-03-07
贴片电阻怎么看阻值
时间:2026-03-05