光耦合器对开关电源(SMPS)设计至关重要,它使得信号能够安全、可靠地跨越电气隔离边界传输。而光耦合器的性能取决于适当的偏置及在反馈控制环路内的正确集成;配置错误会导致不稳定、瞬态响应不佳和调节性能下降。
本主题分为两部分,探讨SMPS中光耦合器的技术实现。本文为第一部分,讨论关键工作原理,包括 LED和光电晶体管偏置、电流传输比(CTR)的选择及补偿网络的设计,这些方面对于保持控制环路精度和信号完整性非常重要。
在隔离型开关电源(SMPS)架构中,从输出(次级)侧到输入(初级)侧的反馈必须在不影响电气隔离的情况下进行传输。为了实现这一目标,通常的做法是将光耦合器与精密分流调节器(如LT1431)组合使用。分流调节器通过电阻分压器来监控SMPS的输出电压,并根据与期望设定点的偏差,调整流过光耦合器发光二极管(LED)的电流。
LED发出的光与正向电流(IF)成比例,光信号由初级侧的光电晶体管进行检测。该光电晶体管负责调制控制信号(通常位于脉宽调制(PWM)控制器的补偿引脚(COMP)),从而影响开关控制器的占空比。这种闭环反馈机制可确保输出电压在变化的负载和输入条件下保持稳定。
此环路的性能对光耦合器的偏置和补偿网络的设计非常敏感。不适当的偏置可能会引起非线性、饱和或响应迟缓,而补偿调整不当可能会导致不稳定或振荡。
什么是光耦合器偏置?
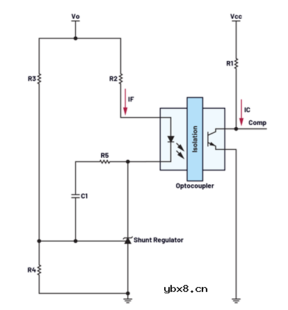
光耦合器的偏置是指设置正确的工作条件,具体而言是设置流过LED的正向电流及光电晶体管的集电极-发射极电压和电流,使得光耦合器在线性区域内工作。这对于反馈系统至关重要,因为光耦合器必须跨越隔离栅准确传输模拟信号。在隔离型 SMPS中,光耦合器是次级侧电压检测与初级侧PWM控制器之间的桥梁。如果偏置不正确,反馈信号就会失真,导致电压调节不佳或不稳定。图1展示了光耦合器的内部结构及其在SMPS中用作反馈元件时的相关外部元件。

图1. 反馈电路中光耦合器的典型连接
1LED侧——驱动光信号(输入级)
在采用隔离反馈的SMPS中,光耦合器的LED侧通常由分流调节器驱动,根据输出电压来调节LED的正向电流。此正向电流是一个关键控制参数,它决定了LED发射光的强度,进而控制次级侧光电晶体管的导通水平。LED在正偏区域内工作,其光输出随IF的提高而提高。推荐的工作电流范围通常为1 mA至10 mA,但不同型号可能有所差异。
工作电流低于此范围会导致光功率不足,进而造成光电晶体管激活不充分,反馈调节不佳。另一方面,工作电流超过上限会产生热应力,缩短LED寿命,并因老化加速和结发热效应而降低光学效率。在实际设计中,LED电流由光耦合器LED阳极处的电阻 (R2)设定;当分流调节器响应输出电压的变化而调整其阴极电流时,LED电流会动态调整。
环路设计中还必须考虑LED的正向压降,尤其是在计算低压轨的裕量时。在高性能或快速瞬变SMPS的设计中,为了确保光耦合器反馈路径的准确性、低噪声和热可靠性,保持稳定且精确受控的IF至关重要。
2电流传输比
电流传输比(CTR)是选择光耦合器时需要考虑的另一个参数。它指的是光电晶体管输出电流与LED输入电流之比,通常以百分比表示。例如,100%的CTR意味着1 mA的LED电流会导致光电晶体管输出1 mA的集电极电流。
CTR不是一个固定的值,它随温度、LED电流和器件老化而变化。例如,PC817D光耦合器的CTR在50%至600%之间,具体取决于产品型号和工作条件。设计人员必须考虑要保证的最小CTR,以确保系统在最坏情况下也能可靠运行。
选择CTR时的关键考虑因素
针对最小CTR进行设计,可确保反馈环路即使在最坏情况下也能正常工作。CTR可能因器件不同和时间推移而发生显著变化,围绕预计的最小CTR进行设计可保证即使光耦合器性能下降或在其规格边缘运行,光电晶体管也会提供足够的电流来驱动PWM控制器的COMP引脚。
温度漂移是另一个重要因素,因为CTR通常随着温度升高而降低。如果不考虑这种漂移,反馈环路在高温下可能会失去增益,导致响应迟缓,甚至丧失调节功能。设计人员必须确保环路具有足够的裕量,能够在整个工作温度范围内保持控制。
随着时间推移,老化效应也会导致CTR降低,尤其是在以大电流驱动LED的情况下。这种退化会导致给定电流下LED发出的光量减少,从而削弱反馈信号。在产品的整个使用寿命期间,这可能会导致补偿不足或不稳定,除非初始设计中包含了足够的裕量。
最后,线性度对于环路行为的可预测性至关重要。如果光耦合器工作在非线性区域,即LED电流的微小变化会导致光电晶体管电流发生不成比例的变化,反馈信号就会失真。这种非线性会使补偿设计复杂化,并降低输出电压调节的精度和稳定性。
设计人员通过仔细考虑这些因素,可确保基于光耦合器的反馈环路在产品的整个使用寿命期间和不同环境条件下均能保持鲁棒、准确和稳定。对于反馈应用,更严格的CTR容差(如100%至 200%)是更好的选择,有助于维持一致的环路增益和环路行为的可预测性。
3光电晶体管侧——接收信号(输出级)
光电晶体管是将内部LED的光信号转换为电输出的关键元件。光电晶体管通常采用共发射极配置,其发射极接地,其集电极连接到上拉电阻(R1),由此决定输出电压摆幅。当光耦合器内部的LED正偏时,它会发出红外光,照射到光电晶体管的基极区域,使其导通。产生的集电极电流(IC)与LED的正向电流和器件的CTR成比例。
随着LED照度的增强,光电晶体管的导电水平会提高,集电极电压下降,从而产生低电平输出信号。这种行为在隔离型反馈系统中至关重要,例如在SMPS中,集电极通常与COMP引脚或 PWM控制器的反馈端相连。此节点的电压会直接影响控制器的占空比,从而调节输出电压或电流。集电极上的上拉电阻不仅设置晶体管关断时的高电平输出电压,还影响反馈环路的动态响应。较低的电阻值可以改善响应时间,但可能会降低电压摆幅,而较高的电阻值会提高摆幅,但代价是转换速度较慢。此外,光电晶体管的开关速度、饱和特性和关断状态下的漏电流 都是重要的设计考虑因素,尤其是在高频或精密应用中。
SMPS反馈系统中光耦合器的正确偏置,对于确保跨隔离栅准确传输模拟信号至关重要。LED侧必须在其最佳电流范围内驱动,以保持线性光输出,避免因过热而性能下降。在输出侧,光电晶体管必须配置为将光信号转换为稳定的电信号,以便有效控制PWM控制器。所选的光耦合器应具有适当且严格规定的CTR,以确保即使在温度变化和老化的情况下,它也能保持一致的环路增益。总之,这些考量可确保设计在电源的整个使用寿命期间保持鲁棒、稳定、精确的电压调节。工程师通过遵循数据手册建议、对环路进行仿真并在全温度范围内进行测试,可确保设计方案性能稳健且可预测。
简而言之,光耦合器偏置并非只是点亮LED灯那么简单,而是涉及高速控制系统中关键模拟链路的调校。只有掌握这一点,才能确保SMPS设计不仅正常工作,而且可靠高效。
补偿网络的设计
在SMPS中,补偿网络连接到并联调节器,成为误差放大器。它对于塑造反馈系统的开环频率响应起着关键作用。其主要目的是在变化的负载和线路条件下,确保环路稳定、瞬态响应快速且电压调节精准。
在使用光耦合器和分流调节器的隔离型反馈系统中,反馈路径会引入额外的动态因素,必须加以谨慎管理。在电源应用中,通用光耦合器的带宽通常在20 kHz至500 kHz的范围内,这会给系统带来一个低频极点。同时,分流调节器会增加增益;如果偏置不当,可能会引入非线性行为。这些特性会降低系统的相位裕量,并可能导致系统不稳定。
为了抵消这些影响,需设计补偿网络以引入零点和极点,从而塑造环路增益和相位。极点和零点较少的补偿网络通常适合于中等带宽和电流模式控制应用。对于需要更高带宽或采用电压模式控制的设计,更复杂的补偿网络能够提供更大的相位裕量,并提升整体设计性能。
补偿网络的类型及其影响
在SMPS控制环路中,补偿网络用于塑造环路增益和相位响应,以确保稳定性和快速瞬态性能。这些网络通常在分流调节器中实现;而在非隔离型应用中,则通过PWM控制器的COMP引脚实现。具体的设计基于控制方法(电流模式或电压模式)及功率级和反馈路径的动态特性。

图2. 补偿网络的类型
如图2所示,在SMPS控制设计中,补偿技术对于确保环路稳定性、快速瞬态响应和精准电压调节至关重要。I型补偿由单个积分器组成,由于其相位提升能力有限且瞬态性能不足,在SMPS 中很少使用。它主要适用于本身具有稳定动态特性的系统,例如线性稳压器,此类系统只需极少的相位校正。II型补偿在积分器旁引入一个零点,非常适合电流模式控制架构。在此类系统中,内部电流环路贡献一个主导极点,从而简化外部电压环路。增加的零点可提升相位裕量并减轻输出滤波器极点的失稳影响,从而改善环路带宽和稳定性。III型补偿包含两个零点和两个极点,最为灵活,广泛用于电压模式控制系统。它能够通过精确的环路整形,实现高交越频率、严格的输出调节和稳健的稳定性裕量。通常,零点用于抵消LC输出滤波器形成的双极点,而极点会衰减高频增益,从而维护相位裕量并抑制噪声。
穿越频率(此时环路增益等于1)通常设置为开关频率的十分之一,以避免与开关谐波相互作用,并保持至少45°的相位裕量。有效的补偿可确保反馈环路迅速响应负载瞬变,而不会出现过冲或振荡,从而在不同工作条件下保持精准调节。此外,环路带宽需要精心平衡:既要足够宽以响应负载或输入电压的动态变化,又要足够窄以避免放大高频噪声或引起不稳定。设计人员还必须考虑实际存在的非理想因素,例如光耦合器电流传输比变化、温度漂移和元件容差,所有这些因素都可能显著影响环路动态特性和长期可靠性。
实用设计技巧
利用伯德图工具或SPICE模型对环路进行仿真,以检查增益和 相位裕量,并在实际电路板设计中进行验证。
应考虑光耦合器带宽,它会引入低频极点并限制环路速度。
为元件容差和老化效应预留裕量。
确保交越频率远低于开关频率(通常为1/10),以避免其与开 关谐波相互作用。
使用软启动和过流保护特性,防止启动期间或故障情况下环路不稳定。
本系列的第二部分将继续研究隔离型正激转换器中PWM控制器和 LT1431并联调节器在瞬态负载条件下的动态响应。LTspice仿真可清晰展现光耦合器偏置和CTR对反馈精度和环路稳定性的影响。文章还将介绍iCoupler技术,它是一种高性能替代方案,适合最新的隔离和反馈应用。敬请期待!
结语
光耦合器偏置是隔离型SMPS设计中一个关键但常被忽视的方面。确保光耦合器的LED侧和光电晶体管侧正确偏置,对于维持线性操作、精准信号传输和长期可靠性至关重要。必须精心考虑正向电流、CTR和温度漂移等关键参数,以避免不稳定、非线性和性能下降。
补偿网络的设计同样重要,它决定反馈环路的频率响应,并确保环路在变化的负载和线路条件下始终稳定。无论使用II型还是 III型补偿,设计人员都必须平衡带宽、相位裕量和抗噪能力,实现稳健且灵敏的调节。
掌握光耦合器偏置和补偿技术,有助于工程师打造出优秀的SMPS系统,不仅具备电气隔离特性,而且在实际工况下保持精确性、高效率和强韧性。
RT809F、RT809H编程器:笔记本EC在线读写KB...
时间:2026-03-23
eMMC RPMB分区介绍
时间:2026-03-23
NorFlash、NandFlash、eMMC闪存的比较与区别
时间:2026-03-23
RT809H编程器教程:康佳RTD2995方案厂家升级...
时间:2026-03-23
液晶电视串口刷机或查看打印信息常用接口介...
时间:2026-03-23
VGA线针脚定义与规格,编程器刷机线、3+2、...
时间:2026-03-23
RT809H编程器:创维8R96机芯RTD2992打印信息...
时间:2026-03-23
RT300M(V2.0)新款超高亮度LED智能测试仪使用...
时间:2026-03-23
eMMC芯片在线读写寻找关键点的方法与步骤
时间:2026-03-23
RT809H教程:变频空调控制板MCU读写方法操作...
时间:2026-03-23
住宅小区负荷与变压器容量的选择技巧
时间:2026-03-06
石英灯电子变压器电路原理
时间:2026-03-06
玻璃釉电容器的结构与特点
时间:2026-03-05
光伏控制器简介
时间:2026-03-06
三极管的主要参数
时间:2026-03-07
HTCC:半导体封装的理想方式
时间:2026-03-06
变压器并列运行的条件浅析
时间:2026-03-06
电阻的标称阻值和允许偏差
时间:2026-03-05
半导体三极管的技术参数
时间:2026-03-07
贴片电阻怎么看阻值
时间:2026-03-05