TLP701A 是可直接驱动小容量 IGBT 和功率MOSFET的SDIP6封装的IC 耦合器。TLP701A 採用新的使用寿命长的 LED 并且比现有型号 TLP701 更节约成本。此外,虽然 SDIP6 封装的安装面积约为 DIP8 封装(TLP351)的一半,TLP701A 符合国际安全标準的强化绝缘等级。它可用于大範围产品,包括工业设备、数位家用电器、测量设备和控制装置,并且可使封装更小并降低成本。

特徵
保证的工作温度範围更宽: Topr = -40°C至100°C
图腾柱式输出
峰值输出电流: IOP=±0.6A
低输入电流: IFLH=5mA(最大值)
绝缘电压: BVs=5000Vrms
传输延迟时间: tpLH,tpHL=700ns(最大值)
应用
PDP
通用变频器
MOSFET/IGBT 栅极驱动器
IH(电磁炉)
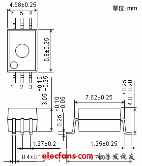
轮廓图

电路实例

RT809F、RT809H编程器:笔记本EC在线读写KB...
时间:2026-03-23
eMMC RPMB分区介绍
时间:2026-03-23
NorFlash、NandFlash、eMMC闪存的比较与区别
时间:2026-03-23
RT809H编程器教程:康佳RTD2995方案厂家升级...
时间:2026-03-23
液晶电视串口刷机或查看打印信息常用接口介...
时间:2026-03-23
VGA线针脚定义与规格,编程器刷机线、3+2、...
时间:2026-03-23
RT809H编程器:创维8R96机芯RTD2992打印信息...
时间:2026-03-23
RT300M(V2.0)新款超高亮度LED智能测试仪使用...
时间:2026-03-23
eMMC芯片在线读写寻找关键点的方法与步骤
时间:2026-03-23
RT809H教程:变频空调控制板MCU读写方法操作...
时间:2026-03-23
住宅小区负荷与变压器容量的选择技巧
时间:2026-03-06
光伏控制器简介
时间:2026-03-06
石英灯电子变压器电路原理
时间:2026-03-06
玻璃釉电容器的结构与特点
时间:2026-03-05
三极管的主要参数
时间:2026-03-07
HTCC:半导体封装的理想方式
时间:2026-03-06
变压器并列运行的条件浅析
时间:2026-03-06
电阻的标称阻值和允许偏差
时间:2026-03-05
半导体三极管的技术参数
时间:2026-03-07
贴片电阻怎么看阻值
时间:2026-03-05