圣邦微电子推出 SGM41606S,一款 I²C 控制且集成旁路模式和双输入选择器的单节 8A 开关电容并联电池充电器。该器件可应用于智能手机和平板电脑。
SGM41606S 是一款高性能的 8A 开关电容电池充电器,具备 I²C 控制功能,能够在电荷泵分压模式和旁路模式之间灵活切换。它支持 3.6V 至 12V 的宽输入电压范围(VBUS),能够利用智能适配器或充电宝为单节锂离子或锂聚合物电池充电。其优化的开关电容架构采用 50% 占空比,开关电容结构允许输入电流为充电电流的一半,从而显著降低布线压降、损耗以及应用中的温度升高。在 2:1 模式下,当电池电压(VBAT)为 4V、电池电流(IBAT)为 2A 时,其效率可达到 97.7% 以上。此外,其开关频率可在 187.5kHz 至 1.5MHz 之间灵活设置,进一步提升了充电效率。
SGM41606S 具备 5A 旁路模式充电能力(以前称为电池开关充电),通过其内置 MOSFET 实现高效充电。在旁路模式下,充电路径的导通电阻(RDSON)保持在 17mΩ(典型值)以下,能够支持大电流操作。集成的旁路模式确保可以使用 5V 快速充电适配器为单节电池充电,从而保持向后兼容性。支持单项单电容至三电容设计,优化外围电路设计。
在输入设置方面,SGM41606S 配备了双输入电源多路复用控制器,能够灵活选择输入电源(无线充电输入和有线充电输入),并通过集成的多路复用器控制和外部过压保护 MOSFET(OVPFET)驱动器实现双输入设置。此外,它还支持单输入,无需 OVPFET 或仅使用单个 OVPFET,为用户提供了更多选择。
SGM41606S 集成多种可编程保护功能,确保设备在各种工况下的安全运行。这些功能包括输入过压保护(VBUS_OVP)、电池过压保护(VBAT_OVP)、输入过流保护(IBUS_OCP)、电池过流保护(IBAT_OCP)、输入欠流保护(IBUS_UCP)、输入短路保护(VBUS_SCP)、输出过压保护(VOUT_OVP)、电池和电缆连接器温度监测(TSBAT_FLT 和 TSBUS_FLT)以及芯片过温保护(TDIE_OTP)。此外,SGM41606S 支持通过同步双 SGM41606S 实现并联充电,最高可支持 13A 的充电电流。它还集成了一个 10 通道 16 位(有效)ADC 转换器,用于监测 VAC1、VAC2、VBUS、IBUS、VOUT、VBAT、IBAT、TSBUS、TSBAT 和 TDIE 等关键参数,从而实现对设备运行状态的全面监控。
SGM41606S 采用符合环保理念的 WLCSP-2.65×2.65-36B-A绿色封装,能够在 -40℃ 至 +85℃ 的环境温度范围内稳定工作,适用于各种应用场景。


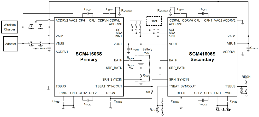
(a)单输入
(b)双输入

(c)并联操作
图 1 SGM41606S 典型应用电路

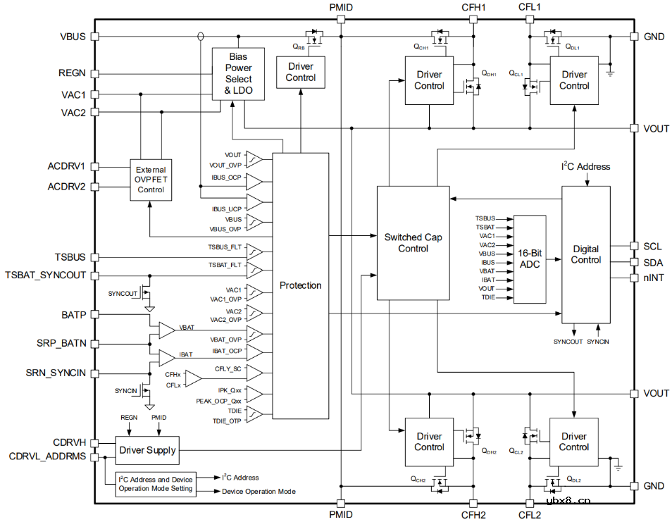
图 2 SGM41606S 功能框图
关于圣邦微电子
SG Micro Corp
圣邦微电子(北京)股份有限公司(股票代码 300661)是一家综合性的高性能和高可靠性模拟及混合信号处理和系统电源管理集成电路供应商,拥有 34 大类 5900 余款可供销售产品,为工业自动化、新能源、汽车、通信、计算机、医疗设备和消费类电子等应用提供各类模拟信号调理和电源创新解决方案。
电芯、电池模组和电池包三者有什么区别?如...
时间:2026-03-22
电池怎么做绝缘处理?电池模组绝缘片起到什...
时间:2026-03-22
电池模组绝缘片的制造工艺有哪些,它们对电...
时间:2026-03-22
亿纬锂能麟驹系列电动两轮车电池首批发货仪...
时间:2026-03-22
在电池模组中,除了绝缘片,还有哪些措施可...
时间:2026-03-22
深度解读广汽全固态电池技术
时间:2026-03-22
广汽科技全固态电池与无图纯视觉智驾引领智...
时间:2026-03-22
天合光能新一代柔性储能电池舱Elementa 2真...
时间:2026-03-22
锂电池和超级电容器哪个更耐用
时间:2026-03-22
“固态电池”和“半固态电池”是水火不容吗...
时间:2026-03-22
住宅小区负荷与变压器容量的选择技巧
时间:2026-03-06
光伏控制器简介
时间:2026-03-06
石英灯电子变压器电路原理
时间:2026-03-06
变压器并列运行的条件浅析
时间:2026-03-06
玻璃釉电容器的结构与特点
时间:2026-03-05
电阻的标称阻值和允许偏差
时间:2026-03-05
三极管的主要参数
时间:2026-03-07
HTCC:半导体封装的理想方式
时间:2026-03-06
半导体三极管的技术参数
时间:2026-03-07
碳膜电阻如何识别_金属膜电阻器和碳膜电阻器...
时间:2026-03-05