模型搭建背景
随着新能源发电及电动汽车等的快速发展,储能的应用也越来越广泛。在进行仿真建模时,如何搭建一个准确的电池单体模型变得十分重要。
电池是一个非线性时变系统,输出与输入不成正比,在电池使用过程中,电池的数据参数变化很难找到其普遍的规律,所以在这种情况下对电池进行建模就显得非常的重要。电池模型建模的方法大抵可以分为理论分析法和试验分析法。
根据电池的内部工作原理,通过理论分析法可以推导出电池的动态伏安特性方程。 然而,由于电池内部的繁琐物理和化学变化,这种理论分析方法难以在实际生产和生活中广泛使用。试验分析的方法的操作流程是收集电池的输入输出信号数据,根据采集到的数据创建等效电池模型并对所创建的电池模型进行参数辨识的处理,这种方法在实际生产中可操作性较强,比起理论分析法,实验分析法得以广泛使用。
等效电路模型一般由电阻、电容和电压源等电路元件构成,此电路模型可用于模拟电池的动态特性。普遍使用的等效电路模型,大部分是由时域分析法建立的,时域分析法通过电池电流和电压等参数对电池进行等效电路模型搭建与分析。典型的等效电路模型有Rint模型(内阻模型)、Thevenin模型(戴维宁模型)、RC模型、和 PNGV模型等。
Rint模型(内阻模型)
Rint模型由美国爱达荷国家实验室设计,模型将电池等效为理想电压源Uoc(开路电压)与电池内阻R 的串联,开路电压Uoc是SOC和温度函数。内阻等效电路模型是最简单的等效电路模型,由一个非线性电压源和一个电阻串联构成,电压源和电阻随电池状态而不断变化,参数的辨识容易,但精度不高,且不能体现电池极化和极化消去过程中电池的动态特性。

Rint模型(内阻模型)等效电路
Thevenin模型(戴维宁模型)
Thevenin模型也称为一阶RC模型,是较常用的等效模型之一,如图所示,Thevenin模型在Rint模型的基础上增加了关于电池极化的因素考虑,在该模型中Uoc 为理想电压源,Ro为电池的欧姆内阻,Rp为电池的极化内阻,Cp为极化电容。一般认为Thevenin模型中的开路电压OCV是随时变化的,所以模型中的电容可以通过OCV-SOC的关系来替代。Thevenin相较于内阻模型,能够模拟出电池的动态过程。

Thevenin模型(戴维宁模型)等效电路
PNGV模型
PNGV模型是美国新一代汽车合作计划在2001年《PNGV电池试验手册》中的标准电池模型,也沿用为2003年《FreedomCAR电池试验手册》中的标准电池模型。PNGV模型相较于一阶RC模型,用理想电压源来描述电池的稳态开路电压UOC,增加了一个用来描述负载中电流累计产生的开路电压变化的电容Cs,电容Cs模拟了电池的容量。PNGV模型的内阻参数(Ro+Rp)具有效为明确的物理含义,在不同温度下辨识得到的参数值与同等温度下电池直流内阻比较吻合。模型中Ro、Rp和Cp随SOC与温度的变化,这些参数可以通过模型参数辨识实验,测得不同条件下的数值求平均值来近似计算。

PNGV模型(戴维宁模型)等效电路
二阶、三阶RC模型
二阶RC模型是最常用的电池等效电路模型,模型包括一个非线性电压源和两个RC环节,与一阶RC模型相似,用非线性电压源来描述电池的稳态开路电压UOC,用欧姆内阻R0以及电阻Rp、Rs与电容Cp、Cs并联环节来描述瞬态响应。双极化模型通过两个RC回路能够更好的模拟电池的动态过程,兼顾电池的瞬态特性和稳态特性。三阶RC模型在二阶RC基础上增加了一组RC电路,增加了等效模型精度,但是使用时各参数辨识相对也更困难。

二阶RC模型等效电路

三阶RC模型等效电路
仿真模型
针对常见的一阶RC、二阶RC以及三阶RC模型,搭建simulink物理模型及数学模型,并进行相同参数下结果对比,验证数学模型正确性;相较于物理模型,数学模型参数设置相对更加灵活,为增加准确性,其中各元器件参数还可设置成根据温度或soc等曲线查表得到的变化的数值。
给定物理模型和数学模型相同的参数,并进行脉冲充放电测试,模型及仿真结果如下:
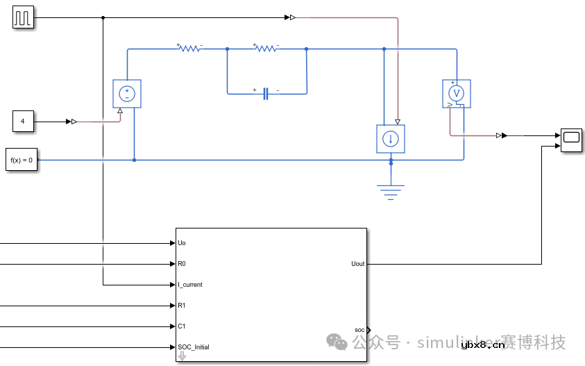
一阶RC模型
给定开路电压Uo为4V,脉冲电流幅值为100A,电阻R0=0.001Ω,R1=0.001Ω,电容C1=10f。

一阶RC等效仿真模型

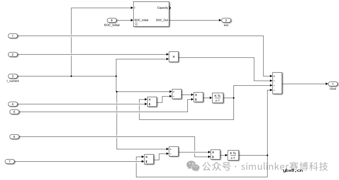
一阶RC等效仿真数学模型

一阶RC模型仿真结果
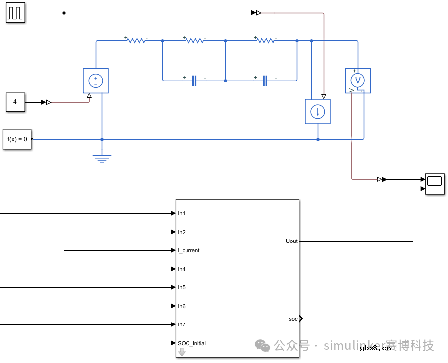
二阶RC模型
给定开路电压Uo为4V,脉冲电流幅值为100A,电阻R0=0.001Ω,R1=0.001Ω,R2=0.001Ω,电容C1=10f,C2=10f。

二阶RC等效仿真模型

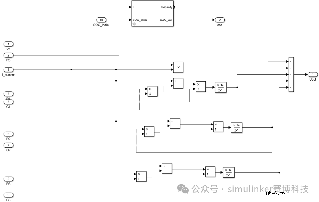
二阶RC等效仿真数学模型

二阶RC模型仿真结果
三阶RC模型
给定开路电压Uo为4V,脉冲电流幅值为100A,电阻R0=0.001Ω,R1=0.001Ω,R2=0.001Ω,R3=0.001Ω,电容C1=10f,C2=10f,C2=10f。

三阶RC等效仿真模型

三阶RC等效仿真数学模型

三阶RC等效模型仿真结果
通过仿真结果可以看出三种RC模型仿真结果基本上一致,通常使用时一般选取二阶RC模型就可以满足需求,另外通过数学模型的搭建方式,可增加参数设置的灵活性。
审核编辑:刘清
电芯、电池模组和电池包三者有什么区别?如...
时间:2026-03-22
电池怎么做绝缘处理?电池模组绝缘片起到什...
时间:2026-03-22
电池模组绝缘片的制造工艺有哪些,它们对电...
时间:2026-03-22
亿纬锂能麟驹系列电动两轮车电池首批发货仪...
时间:2026-03-22
在电池模组中,除了绝缘片,还有哪些措施可...
时间:2026-03-22
深度解读广汽全固态电池技术
时间:2026-03-22
广汽科技全固态电池与无图纯视觉智驾引领智...
时间:2026-03-22
天合光能新一代柔性储能电池舱Elementa 2真...
时间:2026-03-22
锂电池和超级电容器哪个更耐用
时间:2026-03-22
“固态电池”和“半固态电池”是水火不容吗...
时间:2026-03-22
住宅小区负荷与变压器容量的选择技巧
时间:2026-03-06
光伏控制器简介
时间:2026-03-06
石英灯电子变压器电路原理
时间:2026-03-06
变压器并列运行的条件浅析
时间:2026-03-06
玻璃釉电容器的结构与特点
时间:2026-03-05
电阻的标称阻值和允许偏差
时间:2026-03-05
三极管的主要参数
时间:2026-03-07
HTCC:半导体封装的理想方式
时间:2026-03-06
半导体三极管的技术参数
时间:2026-03-07
碳膜电阻如何识别_金属膜电阻器和碳膜电阻器...
时间:2026-03-05