目前充电宝新国标开始实施发证、全球旅游市场复苏、iPhone切换USB-C口等热点频频,再加上电芯能量密度、放电倍率也获得突破,充电宝芯片集成度再创新高,功率也从10W提升到240W,堪称性能狂飙。移动电源市场受到多重要素利好,市场强势增长,成为众多3C配件中率先复苏突围的品类。
充电头网特别策划 2023 USB-C大功率充电宝技术研讨会,南芯科技应邀参加。会上南芯市场经理Kerry带来《南芯关于充电宝及小储能应用的充电方案》介绍,系统介绍了南芯科技多个快充方案在充电宝/耳机/可穿戴/小功率储能等多场景的应用。
具体包括:
>30W移动电源快充方案(65W、100W、140W)
30W 移动电源快充方案(含有线/无线充电方案)
20W 以内移动电源充电方案
储能小功率方案
南芯科技移动电源方案系统介绍
南芯科技已推出多款产品可适用于移动电源领域,覆盖多条产品线,包括支持充放电双向的Charger、DC-DC以及Protocol等。
南芯升降压芯片可分为1-2串、1-3串、1-4串、2-4串、1-6串等类型,其中大部分产品主要针对户外电源和移动电源应用,从内置MOS支持24W输出的单芯片,到外挂MOS支持100W以上双向快充控制器均有布局;并且多款方案不仅支持锂离子电池,而且还支持磷酸铁锂电池,既能满足当下20-100W快充移动电源的开发,也能够满足户外电源实现大功率双向快充。
南芯DC/DC开关电源管理芯片,为电源转换提供降压、升压以及升降压的功能。其中同步开关控制IC(DCDC controller),可以直接驱动外置MOS,为用户系统提供宽电压、大电流、高功率的高效DCDC转换,灵活支持各类高压和大/小功率应用。
>30W移动电源快充方案(65W、100W、140W)
下图展示的经典2C1A方案中,USB-C口可用南芯SC8815或SC8812A作为同步升降压充电控制器,搭配南芯协议芯片SC2001;A口则可搭配DC-DC方案SC8723/4或SC8726A,实现移动电源主流>30W快充方案。
SC8815/8815A
带I2C接口的同步升降压充电控制器,同时支持电池反向放电工作。

产品特点:
支持1-6节电池升降压充电 ,完整的充电循环管理,包括涓流充电、恒流充电、恒压充电、充电截止
反向升降压放电工作
VBAT宽范围:2.7V至36V,最高可达40V
VBUS宽范围:2.7V至36V,最高可达40V
I2C可编程控制充电电流及充电电压
I2C可编程控制反向输出电压
I2C可编程控制输入及输出限流
I2C可编程控制开关频率
内部集成10bit ADC
充电状态指示
事件监测:适配器接入和负载接入自动检测
电源路径管理
完善的保护:欠压保护、过压保护、过流保护、短路保护,热关断保护
QFN-32封装
SC8812A
支持充放电双向、带I2C控制接口的40V高效、同步升降压(buck-boost)充电管理控制芯片。

产品特点:
支持1-4节电池升降压充电管理控制,包括涓流充电、恒流充电(CC)、恒压充电(CV)、充电截止
反向升降压放电工作
VBAT工作范围:2.7V至26V
VBUS工作范围:2.7V至36V(40V耐压)
I2C可编程控制充电电流及充电电压
I2C可编程控制反向输出电压
I2C可编程控制输入及输出限流
超高的升降压转换效率
支持DP/DM快速充电协议握手控制(MCU控制)
内部集成10bit ADC
充电状态指示
事件监测:适配器接入和负载接入自动检测
功率路径管理
完善的保护:欠压保护、过压保护、过流保护、短路保护,热关断保护
4x4 QFN-32封装
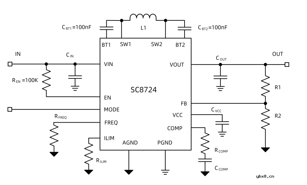
SC8723/4
集成四开关的同步升降压变换器。

产品特点:
高效率升降压转换
极简的外围器件
集成四个低RDS(ON)开关管
超宽的输入范围:2.7V至22V
超宽的输出范围:3.0V至22V
支持固定5.1V的输出电压
支持3.5A的输出电流
支持250K/500K/750K/1MHz开关频率可调
支持输出限流可调
支持强制PWM模式/ PSM模式可选
支持EN控制和可编程UVLO
内部软启动
支持输入输出过电压保护
输出短路保护打嗝模式
热关断保护
欠压保护
过压保护
QFN-25 FC 4 x 4封装
SC2021A
Type-C/PD和DPDM快充控制器。

产品特点:
USB Type-C端口
支持Type-C接收协议
可配置电阻Rp
USB 功率传输
支持DFP USB PD 3.0(含PPS)
硬件BMC发送器和接收器
全功能物理层
硬件检测消息并自动回复GoodCRC
自动检测硬件复位消息(hardreset)
集成PD 3.0协议
集成VCONN并支持电子标记的SOP’
双DPDM快充接口
集成 2组固件控制的 DPDM 接口
支持苹果充电,BC1.2, DCP, HVDCP, FC, AFC, FCP, SCP, VOOC, UART 和其他专有充电协议
电源:宽电压工作范围:3.05V至22V(可耐受26V)
MCU子系统
集成32-bit高性能MCU核
32k-Byte OTP和2.5k-Byte RAM
预留独立空间存放芯片ID码
支持UART、I2C接口和多个I/O
支持睡眠模式
模拟模块
支持适配器OPTO接口
支持DCDC FB调压接口
内置双DAC用于 CC/CV 环路控制
10-bit ADC监控电压、电流和外部信号
集成高边电流检测放大器
集成NMOS栅驱动器
集成VBUS放电路径
集成温度传感模块
保护机制
C1/CC2最高可耐压26V
DP/DP最高可耐压12V
芯片提供多重保护机制:OVP, UVP, SCP, VCONN OVP, VCONN, OCP, VCONN SCP, OTP, DPDM OVP, CC OVP
封装:32-pin QFN 4mm x 4mm x 0.75mm
30W 移动电源快充方案
移动电源30W功率方案中,采用南芯升降压芯片SC8910A/8910+协议IC SC2001+DC-DC芯片SC8726A/SC8724/SC8723方案;另外,30W有线充及15W无线充方案中,可使用南芯升降压芯片SC8910A/8910+无线充电发射SoC SC9608+协议IC SC2001方案。
SC9608
包含数字微控制器和模拟前端(AFE)的高度集成无线充电发射SoC。

产品特点:
支持4V到14V AVIN输入电压范围
支持2V到14V PVIN输入电压范围
支持高达15W的输出功率
集成电压和电流解调
集成全桥低阻抗MOSFETs
集成高精度电流采样
支持USB PD快充
支持DP/DM快充
UVLO/OVP/OCP/OTP
采用FCQFN 4mm x 4mm 封装
20W 以内移动电源充电方案
针对20W以内低功率充电宝方案,可采用南芯同步降压充电控制器SC8933/34+协议IC SC2001方案。
SC8933/34
集成MOS的具有反向升压放电功能的同步充电器。

产品特点:
充电管理,包括涓流充电、CC充电、CV充电和充电截止功能
VBUS电压工作电压高达13.5 V
支持电池电压 4.1 V ~ 4.5 V
支持300kHz到750kHz的不同频率
集成超低RDS_ON的MOSFET
VBAT=3V 输出12V2A的效率高达92%
可配置的 VINREG 电压
支持 25 mA/step 限流调节 与 10 mV/step 输出电压调节
可配置线损补偿
3个USB端口的插入检测
集成3个N_MOS的驱动
DP/DM接口 来 实现 快速 充电 的 协议握手
IMON管脚检测电压和电流
Kevin Sense检测端口电流
支持 pass-through 模式
充电状态指示
支持硬件使能控制
支持NTC功能
欠压和过压保护
支持过流保护,短路提示和过温保护
采用4mm*4mm QFN-32 封装
储能小功率方案
储能电源多配备有AC输入,DC输入,AC输出,USB /Type-C输出等多种接口,南芯科技快充方案同样广泛适用于小功率的储能场景中。
其中,南芯科技重磅推出的明星产品SC9712A,是一款全新集成36V 高效同步降压控制器的双端口快充(1C1A)SoC,符合USB PD3.1 最新快充标准,可高达140W功率。
SC9712A
相较于传统双口充方案,选用SC9712A同时集成DC-DC和C+A口的快充协议,大大精简多口快充充电器的电路设计,易于产品开发,实现双USB 口(1C1A, Type C + USB A)快速充电。能为电脑、平板电脑、手机等便携式设备提供高达140W(28V5A)的充电功率,不仅提升了用户使用体验,同时产品体积和生产成本也得到降低。

相关阅读
南芯科技推出集成降压控制器的双端口140W快充(1C1A) SoC - SC9712A
小 结
在移动电源领域,南芯科技已推出多款产品覆盖Charger、DC-DC以及协议(包括DC-DC+协议集成)等产品线,提供不同拓扑结构的选择,充分涵盖不同功率段的产品需求, 为客户带来更优更多选择。
据充电头网不完全统计,南芯科技快充方案被广泛应用于移动电源、充电器、车充等领域,被安克PowerHouse II 400户外电源、羽博300W便携式储能电源、紫米20号200W PD快充移动电源、征拓100W双向快充移动电源SuperTank Pro、三星10000mAh 25W PD快充移动电源、小米20000mAh移动电源 50W超级闪充版、阿卡西斯300W便携式储能电源等数款产品采用。(数据由充电头网拆解得出)
审核编辑:刘清
电芯、电池模组和电池包三者有什么区别?如...
时间:2026-03-22
电池怎么做绝缘处理?电池模组绝缘片起到什...
时间:2026-03-22
电池模组绝缘片的制造工艺有哪些,它们对电...
时间:2026-03-22
亿纬锂能麟驹系列电动两轮车电池首批发货仪...
时间:2026-03-22
在电池模组中,除了绝缘片,还有哪些措施可...
时间:2026-03-22
深度解读广汽全固态电池技术
时间:2026-03-22
广汽科技全固态电池与无图纯视觉智驾引领智...
时间:2026-03-22
天合光能新一代柔性储能电池舱Elementa 2真...
时间:2026-03-22
锂电池和超级电容器哪个更耐用
时间:2026-03-22
“固态电池”和“半固态电池”是水火不容吗...
时间:2026-03-22
住宅小区负荷与变压器容量的选择技巧
时间:2026-03-06
光伏控制器简介
时间:2026-03-06
石英灯电子变压器电路原理
时间:2026-03-06
变压器并列运行的条件浅析
时间:2026-03-06
玻璃釉电容器的结构与特点
时间:2026-03-05
电阻的标称阻值和允许偏差
时间:2026-03-05
三极管的主要参数
时间:2026-03-07
HTCC:半导体封装的理想方式
时间:2026-03-06
半导体三极管的技术参数
时间:2026-03-07
碳膜电阻如何识别_金属膜电阻器和碳膜电阻器...
时间:2026-03-05