本文以锂电池数学模型为基础,在Matlab/Simulink的仿真系统中,建立了一种Thevenin/RC电池模块仿真模型,通过实际工况试验,测试精度在允许误差范围内,为电池SOC/SOH研究提供了极大的参考价值。
1、等效电路模型参数辨识
锂电池在充放电结束后,端电压会迅速上升并逐渐趋向于一个稳定值,我们称之为锂电池的回弹特性。Thevenin/RC网络结构的工作特性通常满足回弹特性的特征,我们常用电池回弹阶段的电压、电流数据对Thevenin/RC模型进行参数辨识。
为辨识Thevenin/RC模型参数,需要获取电池在不同SOC状态下的电压回弹数据。首先采用恒流恒压的方法将电池充满,然后以1C的放电电流将电池SOC放至为0.9→0.1,得到每个时刻的电压回弹曲线。
具体的递推过程可以参考文献。(Schweighofer B , Raab K M , Brasseur G . Modeling of high power automotive batteries by the use of an automated test system[J]. IEEE Transactions on Instrumentation & Measurement, 2003, 52(4):1087-1091.)
最后,将每个SOC时刻的电压回弹数据进行拟合,可以得到电池模型参数随SOC的变化情况。
SOC = [0 0.1 0.2 0.3 0.4 0.5 0.6 0.7 0.8 0.9 1];
OCV_charge = [2.59 3.22 3.26 3.3 3.3 3.31 3.31 3.32 3.34 3.34 3.47];
OCV_discharge = [2.66 3.19 3.23 3.26 3.28 3.28 3.29 3.3 3.33 3.33 3.4];
R0_charge = [0.0306 0.0123 0.0126 0.012 0.0117 0.012 0.0117 0.0123 0.012 0.0144 0.0207];
R0_discharge = [0.0771 0.0168 0.0135 0.0123 0.0117 0.0123 0.0117 0.012 0.0117 0.0114 0.012];
R1_charge = [0.032155 0.008199 0.004763 0.004183 0.00348 0.003242 0.003193 0.003006 0.003091 0.003062 0.003062];
R1_discharge = [0.032155 0.008199 0.004763 0.004183 0.00348 0.003242 0.003193 0.003006 0.003091 0.003062 0.003062];
C1_discharge = [54.148429 21.802633 25.586141 30.914925 26.854337 32.525752 40.18035 1.503165 44.76751 43.347833 43.347833];
C1_charge = C1_discharge;
当然,你们可以参考我的方法,通过拟合方法计算出不同SOC数值下对应的阻抗系数。
2、电池Simulink模型建立
模型包括:SOC计算模块、模型参数辨识模块和端电压计算模块。
2.1、SOC计算模块

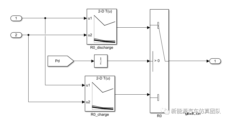
2.2、模型参数辨识模块(以R0为例)

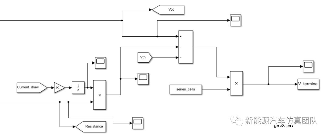
2.3、端电压计算模块

2.4、封装模块

3、试验验证

由仿真结果可知,所建立的电池模型适用于电池BMS系统开发,具有很高的精度和实时性。
结论:不管是Thevenin模型,还是二阶RC模型都能很好的反应电池的特性,适用于BMS系统。如果通过最小二乘法对电池模型辨识出现问题时,电池静置回弹电压的测试方法也是一个很好的选择!
电芯、电池模组和电池包三者有什么区别?如...
时间:2026-03-22
电池怎么做绝缘处理?电池模组绝缘片起到什...
时间:2026-03-22
电池模组绝缘片的制造工艺有哪些,它们对电...
时间:2026-03-22
亿纬锂能麟驹系列电动两轮车电池首批发货仪...
时间:2026-03-22
在电池模组中,除了绝缘片,还有哪些措施可...
时间:2026-03-22
深度解读广汽全固态电池技术
时间:2026-03-22
广汽科技全固态电池与无图纯视觉智驾引领智...
时间:2026-03-22
天合光能新一代柔性储能电池舱Elementa 2真...
时间:2026-03-22
锂电池和超级电容器哪个更耐用
时间:2026-03-22
“固态电池”和“半固态电池”是水火不容吗...
时间:2026-03-22
住宅小区负荷与变压器容量的选择技巧
时间:2026-03-06
光伏控制器简介
时间:2026-03-06
石英灯电子变压器电路原理
时间:2026-03-06
变压器并列运行的条件浅析
时间:2026-03-06
玻璃釉电容器的结构与特点
时间:2026-03-05
电阻的标称阻值和允许偏差
时间:2026-03-05
三极管的主要参数
时间:2026-03-07
HTCC:半导体封装的理想方式
时间:2026-03-06
半导体三极管的技术参数
时间:2026-03-07
碳膜电阻如何识别_金属膜电阻器和碳膜电阻器...
时间:2026-03-05