在MODEL 3的国产后驱版本中,使用的是宁德时代的磷酸铁锂电池(图片来自于第一电动网),电池包上面的BMS采集板与之前相比是不同的设计,今天一起来学习一下。

宁德铁电芯模组版本的MODEL 3一个电池包上面有4个采集板,你会发现它与之前分析过的圆柱电芯的采集板有很大的不同,无论尺寸、AFE、连接方式等等都是不同的,下面来具体分析。
采样板外壳为塑料材质,分为上下壳体,呈黑色,
上下壳体与PCB之间看起来是卡扣固定的。
去掉下壳体,露出了PCBA的B面,可以看到上壳体的卡扣穿过PCB而与下壳体固定。
接下来转向PCBA,整个PCBA的尺寸大概为232mm*65mm*15mm,PCB厚度为1.6mm,呈绿色,四层板;
T面器件最小封装为0603,所有器件都有三防漆涂覆,PCB表面处理方式为ENIG,过孔都未塞绿油,而且是开阻焊的。
PCBA可以发现B面没有布置任何器件,也没有布置测试点,但是三防漆还是有涂覆的。
下面简要看下采样板的电路方案,整个单板基本的功能分配如下图所示,电路都是大同小异的,一个单板上面有两个AFE电路,板内为电容隔离通信,对外为变压器隔离通信。

AFE选取的是TI的BQ79616,这个与之前看到的MODEL 3采样板是不同的,之前分析的AFE是特斯拉定制的Robin与Batman,而这个版本选用的是现有的成熟型号,整个单板的通信拓扑架构如下(来自TI官网)。

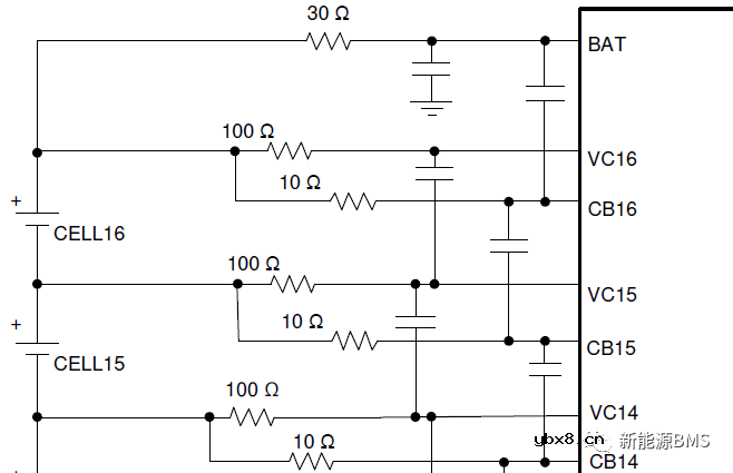
采样均衡、通信电路基本都是按照TI原厂推荐的方案,如下图所示:采样输入采用RC滤波,电容为差模形式,布置在相邻的电压采样引脚;均衡采取内部均衡方案,并且在相邻均衡引脚放置差模电容。

对应的电路如下图所示,采样输入电阻为100Ω/0603封装,而采样滤波电容采取两个串联方案;均衡电阻采用两个24Ω/1206电阻并联,均衡引脚处的电容也是采用两个串联的形式;菊花链通信电路就不详细介绍了,可以查看芯片的规格书。

最后再看一个地方,就是电芯电压、温度采样用的连接器,为直插封装,来自于TE,看起来没有相对特殊的地方。
但是它对插的线端为FPC连接器,如下图所示(图片来自于TE):我们常见的FPC连接器是板对板的,只是一边连接PCB,另外一边连接FPC,并且FPC与连接器之间一般是通过焊接的形式来固定的;但是这个FPC连接器不一样,它是使用接线端子与FPC连接的,MODEL 3此版本的电池包就是采用了这个方案。
进一步地,将FPC从连接器上取出,就露出了里面的接线端子,发现端子与FPC连接是刺破式接触连接,接线端子与FPC内部的铜是直接接触的。
再看另一面,在接线端子与PFC接触的地方有涂胶进行保护。
审核编辑:刘清
电芯、电池模组和电池包三者有什么区别?如...
时间:2026-03-22
电池怎么做绝缘处理?电池模组绝缘片起到什...
时间:2026-03-22
电池模组绝缘片的制造工艺有哪些,它们对电...
时间:2026-03-22
亿纬锂能麟驹系列电动两轮车电池首批发货仪...
时间:2026-03-22
在电池模组中,除了绝缘片,还有哪些措施可...
时间:2026-03-22
深度解读广汽全固态电池技术
时间:2026-03-22
广汽科技全固态电池与无图纯视觉智驾引领智...
时间:2026-03-22
天合光能新一代柔性储能电池舱Elementa 2真...
时间:2026-03-22
锂电池和超级电容器哪个更耐用
时间:2026-03-22
“固态电池”和“半固态电池”是水火不容吗...
时间:2026-03-22
住宅小区负荷与变压器容量的选择技巧
时间:2026-03-06
光伏控制器简介
时间:2026-03-06
石英灯电子变压器电路原理
时间:2026-03-06
变压器并列运行的条件浅析
时间:2026-03-06
玻璃釉电容器的结构与特点
时间:2026-03-05
电阻的标称阻值和允许偏差
时间:2026-03-05
三极管的主要参数
时间:2026-03-07
HTCC:半导体封装的理想方式
时间:2026-03-06
半导体三极管的技术参数
时间:2026-03-07
碳膜电阻如何识别_金属膜电阻器和碳膜电阻器...
时间:2026-03-05