铁锂电池是锂电池家族中的一类电池,正极材料主要为磷酸铁锂材料·又简称为锂铁电池。与传统的铅酸蓄电池相比,锂离子电池在工作电压、能量密度、循环寿命等方面都具有显著优势。
(1) 能量密度高:标称电压为3.2V,能量密度是铅酸电池的4倍左右,体积小、重量轻;
(2)安全性强:磷酸铁锂正极材料具有良好的电化学性能,充放电平台十分平稳,充放电过程中结构稳定,电池不燃烧、不爆炸、安全性好;
(3)高温性能好:外部温度55℃时电池正常工作;
(4)高功率输出:标准放电为0.2C、可3C充放;
(5)长循环寿命:常温1C充放电,单体经2000次循环后容量仍大于80%;
(6)环保:整个生产过程清洁无毒,所有原料都无毒。
会有爆炸的危险,当锂电池大电流充放电时,电池内部持续升温,活化过程中所产生的气体膨胀,电池内压加大,压力达到一定程度,如外壳有伤痕,即会破裂,引起漏液、起火,甚至爆炸。
相信绝大部分消费者都听说过,锂电池的寿命是“500次”,500次充放电,超过这个次数,电池就“寿终正寝”了,许多朋友为了能够延长电池的寿命,每次都在电池电量完全耗尽时才进行充电,这样对电池的寿命真的有延长作用吗?答案是否定的。锂电池的寿命是“500次”,指的不是充电的次数,而是一个充放电的周期。
一个充电周期意味着电池的所有电量由满用到空,再由空充到满的过程,这并不等同于充一次电。比如说,一块锂电在第一天只用了一半的电量,然后又为它充电慢电。如果第二天还如此,即用一半就充,总共两次充电下来,这只能算作一个充电周期,而不是两个。因此,通常可能要经过好几次充电才完成一个周期。每完成一个充电周期,电池容量就会减少一点。不过,这个电量较少幅度非常小,高品质的电池充过多次周期后,仍然会保留原始容量的80%,很多锂电供电产品在经过两三年后仍然照常使用。当然,锂电寿命到了最终后仍是需要更换的。
而所谓500次,是指厂商在恒定的放电深度实现了625次左右的可充次数,达到了500个充电周期。
由于实际生活的各种影响,特别是充电时的放电深度不是恒定的,所以“500个充电周期”只能作为参考电池寿命。
1、每天都充电
即使您的电动车锂电池充一次电可以使用2到3天,还是建议您每天都充电。因为使用后的锂电池处于浅循环状态,每天都充电会使电动车锂电池的寿命延长。
2、及时充电
因为锂电池在放电以后,会进入硫化过程,如果及时充电,就可以清除不严重的硫化。所以,锂电池在使用完了以后要尽早的充电,尽可能使电池电量处于饱满状态。
3、定期深放电
电池定期进行一次深放电也有利于“活化”电池,可以略微提升电池的容量。一般的方法是,定期对电池进行一次完全放电。
完全放电的方法是在平坦路面正常负荷的条件下骑车到第一次欠压保护。
电池在第一次欠压保护以后,电池经过一段时间以后,等电压又恢复到非欠压状态,这时对电池进行完全充电,会对电池容量有所提升。
需要注意的是,在锂电池第一次欠压保护的时候,切记不要使用电池,这时候对锂电池的伤害是很大的。
4、尽量使用原装的充电器
一般,各个制造商的充电器一般都有个性化需求,在没有把握的时候不要随意更换充电器。另外,不要去掉控制器的限速,去掉控制器的限速后,虽然可以提高一些车的速度,但会降低电池的使用寿命。
其实电动车锂电池的正确使用方法,还与很多,小编就不在此一一累述。在您购买电动车的时候,一般都会有使用说明。为了您的电动车锂电池可以长寿,小编在提醒各位一句,一定要按照电动车锂电池的正确使用方法来执行,千万不可给锂电池过度充电或过度放电。
国家杰青黄云辉教授/李真教授:光纤传感技术...
时间:2026-03-22
电池采样电路为什么测量结果不对?
时间:2026-03-22
德赛电池自研云平台 与时间赛跑的那朵“云...
时间:2026-03-22
国芯科技全资子公司通过WPC无线充电MCSP认证
时间:2026-03-22
亿纬锂能荣获小鹏汽车“与鹏同行奖”
时间:2026-03-22
采用电源路径电池充电器优化应用
时间:2026-03-22
宁德时代谈开发第二代钠电池 性能指标已与磷...
时间:2026-03-22
圣邦微电子推出集成旁路模式和双输入选择器...
时间:2026-03-22
纳微车规级第三代“快速”碳化硅MOSFET助力...
时间:2026-03-22
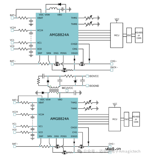
拆解国产高集成BMS SOC芯片:AMG8824A 能力...
时间:2026-03-22
住宅小区负荷与变压器容量的选择技巧
时间:2026-03-06
光伏控制器简介
时间:2026-03-06
石英灯电子变压器电路原理
时间:2026-03-06
变压器并列运行的条件浅析
时间:2026-03-06
玻璃釉电容器的结构与特点
时间:2026-03-05
电阻的标称阻值和允许偏差
时间:2026-03-05
三极管的主要参数
时间:2026-03-07
HTCC:半导体封装的理想方式
时间:2026-03-06
半导体三极管的技术参数
时间:2026-03-07
碳膜电阻如何识别_金属膜电阻器和碳膜电阻器...
时间:2026-03-05