硅光电池主要由单晶硅片、受光层、抗反射膜等几部分构成。其中,硅片与受光层形成的PN结构是硅光电池的核心部分,而抗反射膜则是为了提高硅光电池的性能,它可以提高光的吸收率和增加电能量的转化率,那么硅光电池特性有哪些呢?下面就一起随佰佰安全网小编来了解一下吧。
特性一:不同强度的光线照射在硅光电池上会产生不同强弱的电流,电流与光线的强度形成线性的关系,因此利用硅光电池的可以来测量和控制光的强弱程度。
特性二:研究人员观察硅光光电池光谱特性的曲线图不难发现,不同的光电池的光谱曲线峰值所在位置不同,硅光电池的光谱范围较宽,当然,这不仅仅与硅光电池的制造材料有关,也跟光电池的制造工艺有关,此外还随着环境中的温度变化有关。
特性三:硅光电池的电压与温度成负相关,而短流电流则与温度成正相关。因而,硅光电池作为测量仪器的 传感器 使用时,需要进行相应的温度补偿作业,通常在测量的参数设置不变的情况下,测量仪器的数据会跟随着温度而发生偏移,产生相应的误差。
①开路电压voc:在一定光照下,硅光电池俩输出端开路时,所产生的光电子电压。
②短路电流isc:在一定光照下,硅光电池所接负载电阻为零时,流过硅光电池的电流。
③暗电流id:在无光照的条件下,在硅光电池两端施加反向电压时所产生的电流。
④反向阻抗rζ:在无光照的条件下,在硅光电池两端施加反向电压时所呈现的阻抗。
⑤峰值波长λo:响应光谱中吸收最大处的波长。
⑥下限波长λ1:响应光谱中吸收力最大吸收的50%处所对应的下限波长。·
⑦上限波长λ2:响应光谱中吸收为最大吸收的50%处所对应的上限波长。
⑧最大反向电压vrm:使用硅光电池时所允许加的极限反向电压。
⑨转换效率η硅光电池输出电能与输入光能量的比值。
1)硅光电池的寿命很长,性能很稳定,但是要注意保护,不能受机械损伤,一旦电池破碎就无法再使用了。
2)硅光电池不能受潮,也不能沾油污,否则将使抗反射膜脱落。
3)应避免用白炽灯的光源长时间照射硅光电池,这样会使电池的温度升高,降低输出功率。
4)硅光电池的输出电压一般为0.5V,为能获得较高的电压,可将硅光电池串联起来使用,如要获得较大的电流,也可将硅光电池并联使用。
硅光电池串、并联后,就可得到一定输出功率的电池组。该电池组就可当电源使用。也可与蓄电池配合共同完成对负载的供电。如图1所示,当无光照射时,由蓄电池向负载供电,当有光照射时,由硅光电池向负载供电,同时给蓄电池充电。图中的VD为防逆流二极管,其反向耐压要高于蓄电池的电压,最大工作电流要大于硅光电池组的最大输出电流。
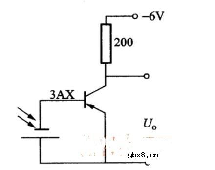
5)将硅光电池作为光电开关的光接收器件,如图2所示,当有光照射时,硅光电池输出电压,使晶体管导通。当无光照射时,硅光电池无电压输出,晶体管截止不导通。由此使电路得到控制,硅光电池在其中起到一个自动开关的作用。

图1硅光电池与蓄电池配合使用

图2光电开关
硅光电池的自动开关作用可用于路灯的开关,也可用于航标灯的开关,以及室内照明、防盗报警器、机床的安全控制等的自动开关。
使用高压电阻进行设计的 10 个技巧
时间:2026-05-07
数字仪表与模拟仪表:它们有何区别?
时间:2026-05-07
基于半导体的电源模块与分立元件
时间:2026-05-07
一文看懂堆和栈的区别和联系
时间:2026-05-07
pcb板和pcba的区别
时间:2026-05-07
什么是数组?数组有什么用?
时间:2026-05-07
电感器设计流程和见解
时间:2026-05-01
什么是触发器?触发器的作用是什么?
时间:2026-05-01
什么是电源?电源是如何进行分类的?
时间:2026-05-01
电驱动NVH的特点和结构
时间:2026-05-01
电阻的原理和作用 电阻色环识别图 电路中电...
时间:2026-03-09
什么是室温超导?半导体时代将走向结束?芯...
时间:2026-03-09
NVIDIA CPU+GPU超级芯片大升级!
时间:2026-03-09
半导体光刻工艺 光刻—半导体电路的绘制
时间:2026-03-09
什么是硅片或者晶圆?一文了解半导体硅晶圆
时间:2026-03-09
石英灯电子变压器电路原理
时间:2026-03-06
一文详解MOS管驱动电路拓扑的设计
时间:2026-03-09
汽车芯片业应汲取的教训
时间:2026-03-09
半导体行业之ICT技术简介
时间:2026-03-09
集成电路的几纳米代表了什么?
时间:2026-03-09