硅光电池是一种直接把光能转换成电能的半导体器件。它的结构很简单,核心部分是一个大面积的PN 结,把一只透明玻璃外壳的点接触型二极管与一块微安表接成闭合回路,当二极管的管芯(PN结)受到光照时,你就会看到微安表的表针发生偏转,显示出回路里有电流,这个现象称为光生伏特效应。硅光电池的PN结面积要比二极管的PN结大得多,所以受到光照时产生的电动势和电流也大得多。
利用硅片制成PN结,在P型层上贴一栅形电极,N型层上镀背电极作为负极。电池表面有一层增透膜,以减少光的反射。由于多数载流子的扩散,在N型与P型层间形成阻挡层,有一由N型层指向P型层的电场阻止多数载流子的扩散,但是这个电场却能帮助少数载流子通过。当有光照射时,半导体内产生正负电子对,这样P型层中的电子扩散到PN结附近被电场拉向N型层,N型层中的空穴扩散到PN结附近被阻挡层拉向P区,因此正负电极间产生电流;如停止光照,则少数载流子没有来源,电流就会停止。硅光电池的光谱灵敏度最大值在可见光红光附近(800nm),截止波长为1100nm。图2表示硅光电池灵敏度的相对值。
图1 硅光电池构造

图2 硅光电池的光谱灵敏度

使用时注意,硅光电池质脆,不可用力按压。不要拉动电极引线,以免脱落。电池表面勿用手摸。如需清理表面,可用软毛刷或酒精棉,防止损伤增透膜。
硅光电池是一种能将光能直接转换成电能的半导体器件,其结构如图所示。它实质上是一个大面积的半导体PN结。硅光电池的基体材料为一薄片P型单晶硅,其厚度在0.44mm以栅状电极下,在它的表面上利用热扩散法生成一层N型受光层,基体和受光层的交接处形成PN结。在N型受光层上制作有栅状负电极,另外在受光面上还均匀覆盖有抗反射膜,它是一层很薄的天蓝色一氧化硅膜,可以使电池对有效人射光的吸收率达到90%以上,并使硅光电池的短路电流增加25%-30%。

硅光电池结构示意图
以硅材料为基体的硅光电池,可以使用单晶硅、多晶硅、非晶硅来制造。单晶硅光电池是目前应用最广的一种,它有2CR和2DR两种类型,其中2CR型硅光电池采用N型单晶硅制造,2DR型硅光电池刚采用P型单晶硅制造。
硅光电池的工作原理是光生伏特效应。当光照射在硅光电池的PN结区时,会在半导体中激发出光生电子一空穴对。PN结两边的光生电子一空穴对,在内电场的作用下,属于多数载流子的不能穿越阻挡层,而少数载流子却能穿越阻挡层。结果,P区的光生电子进入N区,N区的光生空穴进入p区,使每个区中的光生电子一空穴对分割开来。光生电子在N区的集结使N区带负电,光生电子在p区的集结使P区带正电。P区和N区之间产生光生电动势。当硅光电池接人负载后,光电流从P区经负载流至NE,负载中即得到功率输出。


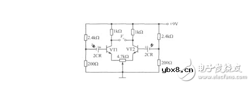
如图所示,用两个性能相近的硅光电池作光接受器件,当入射光通量相同时Vo=0,行机构按预定的方式工作。当光路系统略有偏差时,两个硅光电池接收到的光通量发生变化,此时Vo≠0,这一差动输出信号经过放大即可带动执行机构(例如微型电机)对系统状态进行纠正,直到Vo=0为止,从而达到跟踪的目的。
浅析非弹性中子散射谱仪的物理应用
时间:2026-03-22
预锂化功能隔膜实现长循环高能锂离子电池
时间:2026-03-22
一种可穿戴式离子电渗驱动的微针贴片设计
时间:2026-03-22
数字功放中如何巧用gain延长播放时长?
时间:2026-03-22
复合凝胶电解质中无机填料助力锂金属电池富...
时间:2026-03-22
原料价格腰斩,产业大洗牌,为啥锂企纷纷被...
时间:2026-03-22
探秘电池生产过程中电极片的单双张检测
时间:2026-03-22
直接正极再生实现废锂离子电池的未来闭环回...
时间:2026-03-22
革命性新型超光学显微镜可显示阿秒范围内的...
时间:2026-03-22
光伏电池片的分类
时间:2026-03-22
住宅小区负荷与变压器容量的选择技巧
时间:2026-03-06
光伏控制器简介
时间:2026-03-06
石英灯电子变压器电路原理
时间:2026-03-06
变压器并列运行的条件浅析
时间:2026-03-06
电阻的标称阻值和允许偏差
时间:2026-03-05
三极管的主要参数
时间:2026-03-07
HTCC:半导体封装的理想方式
时间:2026-03-06
玻璃釉电容器的结构与特点
时间:2026-03-05
半导体三极管的技术参数
时间:2026-03-07
碳膜电阻如何识别_金属膜电阻器和碳膜电阻器...
时间:2026-03-05