成组锂电池串联充电时,应保证每节电池均衡充电,否则使用过程中会影响整组电池的性能和寿命。常用的均衡充电技术有恒定分流电阻均衡充电、通断分流电阻均衡充电、平均电池电压均衡充电、开关电容均衡充电、降压型变换器均衡充电、电感均衡充电等。而现有的单节锂电池保护芯片均不含均衡充电控制功能;多节锂电池保护芯片均衡充电控制功能需要外接CPU,通过和保护芯片的串行通讯(如I2C总线)来实现,加大了保护电路的复杂程度和设计难度、降低了系统的效率和可靠性、增加了功耗。
本文针对动力锂电池成组使用,各节锂电池均要求充电过电压、放电欠电压、过流、短路的保护,充电过程中要实现整组电池均衡充电的问题,设计了采用单节锂电池保护芯片对任意串联数的成组锂电池进行保护的含均衡充电功能的电池组保护板。仿真结果和工业生产应用证明,该保护板保护功能完善,工作稳定,性价比高,均衡充电误差小于50mV。
锂电池组保护板均衡充电基本工作原理
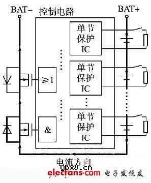
采用单节锂电池保护芯片设计的具备均衡充电能力的锂电池组保护板示意图如图1所示。其中:1为单节锂离子电池;2为充电过电压分流放电支路电阻;3为分流放电支路控制用开关器件;4为过流检测保护电阻;5为省略的锂电池保护芯片及电路连接部分;6为单节锂电池保护芯片(一般包括充电控制引脚CO,放电控制引脚DO,放电过电流及短路检测引脚VM,电池正端VDD,电池负端VSS等);7为充电过电压保护信号经光耦隔离后形成并联关系驱动主电路中充电控制用MOS管栅极;8为放电欠电压、过流、短路保护信号经光耦隔离后形成串联关系驱动主电路中放电控制用MOS管栅极;9为充电控制开关器件;10为放电控制开关器件;11为控制电路;12为主电路;13为分流放电支路。单节锂电池保护芯片数目依据锂电池组电池数目确定,串联使用,分别对所对应单节锂电池的充放电、过流、短路状态进行保护。该系统在充电保护的同时,通过保护芯片控制分流放电支路开关器件的通断实现均衡充电,该方案有别于传统的在充电器端实现均衡充电的做法,降低了锂电池组充电器设计应用的成本。

图1 具备均衡充电能力的锂电池组保护板示意图
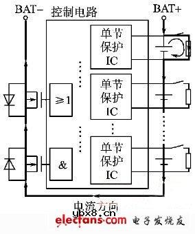
当锂电池组充电时,外接电源正负极分别接电池组正负极BAT+和BAT-两端,充电电流流经电池组正极BAT+、电池组中单节锂电池1~N、放电控制开关器件、充电控制开关器件、电池组负极BAT-,电流流向如图2所示。

图2 充电过程
系统中控制电路部分单节锂电池保护芯片的充电过电压保护控制信号经光耦隔离后并联输出,为主电路中充电开关器件的导通提供栅极电压;如某一节或几节锂电池在充电过程中先进入过电压保护状态,则由过电压保护信号控制并联在单节锂电池正负极两端的分流放电支路放电,同时将串接在充电回路中的对应单体锂电池断离出充电回路。
锂电池组串联充电时,忽略单节电池容量差别的影响,一般内阻较小的电池先充满。此时,相应的过电压保护信号控制分流放电支路的开关器件闭合,在原电池两端并联上一个分流电阻。根据电池的PNGV等效电路模型,此时分流支路电阻相当于先充满的单节锂电池的负载,该电池通过其放电,使电池端电压维持在充满状态附近一个极小的范围内。假设第1节锂电池先充电完成,进入过电压保护状态,则主电路及分流放电支路中电流流向如图3所示。当所有单节电池均充电进入过电压保护状态时,全部单节锂电池电压大小在误差范围内完全相等,各节保护芯片充电保护控制信号均变低,无法为主电路中的充电控制开关器件提供栅极偏压,使其关断,主回路断开,即实现均衡充电,充电过程完成。

图3 分流均衡过程
当电池组放电时,外接负载分别接电池组正负极BAT+和BAT-两端,放电电流流经电池组负极BAT-、充电控制开关器件、放电控制开关器件、电池组中单节锂电池N~1和电池组正极BAT+,电流流向如图4所示。系统中控制电路部分单节锂电池保护芯片的放电欠电压保护、过流和短路保护控制信号经光耦隔离后串联输出,为主电路中放电开关器件的导通提供栅极电压;一旦电池组在放电过程中遇到单节锂电池欠电压或者过流和短路等特殊情况,对应的单节锂电池放电保护控制信号变低,无法为主电路中的放电控制开关器件提供栅极偏压,使其关断,主回路断开,即结束放电使用过程。

图4 放电过程
一般锂电池采用恒流-恒压(TAPER)型充电控制,恒压充电时,充电电流近似指数规律减小。系统中充放电主回路的开关器件可根据外部电路要求满足的最大工作电流和工作电压选型。
控制电路的单节锂电池保护芯片可根据待保护的单节锂电池的电压等级、保护延迟时间等选型。
单节电池两端并接的放电支路电阻可根据锂电池充电器的充电电压大小以及锂电池的参数和放电电流的大小计算得出。均衡电流应合理选择,如果太小,均衡效果不明显;如果太大,系统的能量损耗大,均衡效率低,对锂电池组热管理要求高,一般电流大小可设计在50~100mA之间。
分流放电支路电阻可采用功率电阻或电阻网络实现。这里采用电阻网络实现分流放电支路电阻较为合理,可以有效消除电阻偏差的影响,此外,还能起到降低热功耗的作用。
均衡充电保护板电路工作仿真模型
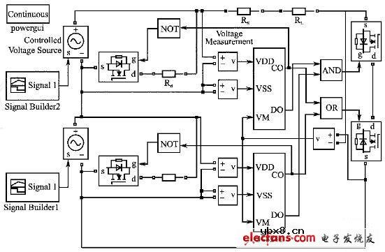
根据上述均衡充电保护板电路工作的基本原理,在Matlab/Simulink环境下搭建了系统仿真模型,模拟锂电池组充放电过程中保护板工作的情况,验证该设计方案的可行性。为简单起见,给出了锂电池组仅由2节锂电池串联的仿真模型,如图5所示。

图5 2节锂电池串联均充保护仿真模型
模型中用受控电压源代替单节锂电池,模拟电池充放电的情况。图5中,Rs为串联电池组的电池总内阻,RL为负载电阻,Rd为分流放电支路电阻。所采用的单节锂电池保护芯片S28241封装为一个子系统,使整体模型表达时更为简洁。
保护芯片子系统模型主要用逻辑运算模块、符号函数模块、一维查表模块、积分模块、延时模块、开关模块、数学运算模块等模拟了保护动作的时序与逻辑。由于仿真环境与真实电路存在一定的差别,仿真时不需要滤波和强弱电隔离,而且多余的模块容易导致仿真时间的冗长。因此,在实际仿真过程中,去除了滤波、光耦隔离、电平调理等电路,并把为大电流分流设计的电阻网络改为单电阻,降低了仿真系统的复杂程度。建立完整的系统仿真模型时,要注意不同模块的输入输出数据和信号类型可能存在差异,必须正确排列模块的连接顺序,必要时进行数据类型的转换,模型中用电压检测模块实现了强弱信号的转换连接问题。
仿真模型中受控电压源的给定信号在波形大体一致的前提下可有微小差别,以代表电池个体充放电的差异。图6为电池组中单节电池电压检测仿真结果,可见采用过流放电支路均充的办法,该电路可正常工作。

图6 锂电池电压检测仿真结果
系统实验
实际应用中,针对某品牌电动自行车生产厂的需求,设计实现了2组并联、10节串联的36V8A·h锰酸锂动力电池组保护板,其中单节锂电池保护芯片采用日本精工公司的S28241,保护板主要由主电路、控制电路、分流放电支路以及滤波、光耦隔离和电平调理电路等部分组成,其基本结构如图7所示。放电支路电流选择在800mA左右,采用510Ω电阻串并联构成电阻网络。

图7 锂电池组保护板基本结构
调试工作主要分为电压测试和电流测试两部分。电压测试包括充电性能检测过电压、均充以及放电性能检测欠电压两步。可以选择采用电池模拟电源供应器代替实际的电池组进行测试,由于多节电池串联,该方案一次投入的测试成本较高。也可以使用装配好的电池组直接进行测试,对电池组循环充放电,观测过压和欠压时保护装置是否正常动作,记录过充保护时各节电池的实时电压,判断均衡充电的性能。但此方案一次测试耗费时间较长。对电池组作充电性能检测时,采用3位半精度电压表对10节电池的充电电压监测,可见各节电池都在正常工作电压范围内,并且单体之间的差异很小,充电过程中电压偏差小于100mV,满充电压4.2V、电压偏差小于50mV。电流测试部分包括过流检测和短路检测两步。过流检测可在电阻负载与电源回路间串接一电流表,缓慢减小负载,当电流增大到过流值时,看电流表是否指示断流。短路检测可直接短接电池组正负极来观测电流表状态。在确定器件完好,电路焊接无误的前提下,也可直接通过保护板上电源指示灯的状态进行电流测试。
实际使用中,考虑到外部干扰可能会引起电池电压不稳定的情况,这样会造成电压极短时间的过压或欠压,从而导致电池保护电路错误判断,因此在保护芯片配有相应的延时逻辑,必要时可在保护板上添加延时电路,这样将有效降低外部干扰造成保护电路误动作的可能性。由于电池组不工作时,保护板上各开关器件处于断开状态,故静态损耗几乎为0。当系统工作时,主要损耗为主电路中2个MOS管上的通态损耗,当充电状态下均衡电路工作时,分流支路中电阻热损耗较大,但时间较短,整体动态损耗在电池组正常工作的周期内处于可以接受的水平。
经测试,该保护电路的设计能够满足串联锂电池组保护的需要,保护功能齐全,能可靠地进行过充电、过放电的保护,同时实现均衡充电功能。
根据应用的需要,在改变保护芯片型号和串联数,电路中开关器件和能耗元件的功率等级之后,可对任意结构和电压等级的动力锂电池组实现保护和均充。如采用***富晶公司的FS361A单节锂电池保护芯片可实现3组并联、12串磷酸铁锂电池组保护板设计等。最终的多款工业产品价格合理,经3年市场检验无返修产品。
结论
本文采用单节锂电池保护芯片设计实现了多节锂电池串联的电池组保护板,除可完成必要的过电压、欠电压、过电流和短路保护功能外,还可以实现均衡充电功能。仿真和实验结果验证了该方案的可行性,市场使用情况检验了该设计的稳定性。
使用高压电阻进行设计的 10 个技巧
时间:2026-05-07
数字仪表与模拟仪表:它们有何区别?
时间:2026-05-07
基于半导体的电源模块与分立元件
时间:2026-05-07
一文看懂堆和栈的区别和联系
时间:2026-05-07
pcb板和pcba的区别
时间:2026-05-07
什么是数组?数组有什么用?
时间:2026-05-07
电感器设计流程和见解
时间:2026-05-01
什么是触发器?触发器的作用是什么?
时间:2026-05-01
什么是电源?电源是如何进行分类的?
时间:2026-05-01
电驱动NVH的特点和结构
时间:2026-05-01
电阻的原理和作用 电阻色环识别图 电路中电...
时间:2026-03-09
什么是室温超导?半导体时代将走向结束?芯...
时间:2026-03-09
NVIDIA CPU+GPU超级芯片大升级!
时间:2026-03-09
半导体光刻工艺 光刻—半导体电路的绘制
时间:2026-03-09
什么是硅片或者晶圆?一文了解半导体硅晶圆
时间:2026-03-09
石英灯电子变压器电路原理
时间:2026-03-06
一文详解MOS管驱动电路拓扑的设计
时间:2026-03-09
汽车芯片业应汲取的教训
时间:2026-03-09
半导体行业之ICT技术简介
时间:2026-03-09
集成电路的几纳米代表了什么?
时间:2026-03-09