开关电源是开关稳压线性电源的简称,以前的电源产品是采用线性电源,这是一种晶体管线性稳压电源,由于效率低下等原因已逐渐被开关电源取代。开关电源,顾名思义就是通过控制开关管的导通时间以及关断时间来维持输出电压的稳定的电源,已逐渐向小型化、效率化、模块化、高可靠性等方向发展。对于开关电源,输入保护电路很重要,开关输入保护电路具有过流保护、过压保护以及浪涌抑制等功能,对于电网的电压冲击以及EMC等具有至关重要的作用。下面列举6种开关电源输入保护电路
一、保险丝形式
保险丝有普通型的也有快速型的,具有熔点低、熔断速度快特点,但是在熔断时候会产生火花、冒烟,甚至有玻璃管的会爆裂,因此安全性较差。仅有保险丝的输入保护电路,只有过流保护作用,一般选择保险丝时候实际的熔断电流要等于额定电流的1.5倍左右。

二、保险丝、压敏电阻形式
这种电路多了压敏电阻,压敏电阻规格有07471、10471、14471等规格,具有浪涌抑制功能,因此这种电路有过压、过流保护功能,有些还具有防雷击保护

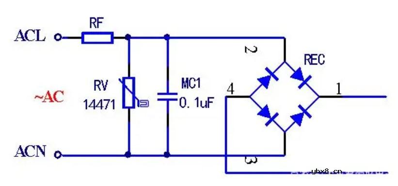
三、熔断电阻器、压敏电阻形式
熔断电阻器与保险丝作用相同,都是起到过流保护,但是与保险丝不同的是熔断电阻器熔断时候不会产生火花以及烟雾,就安全性来说安全高一点;而压敏电阻具有浪涌电压吸收作用,因此这种电路形式具有过压、过流保护功能

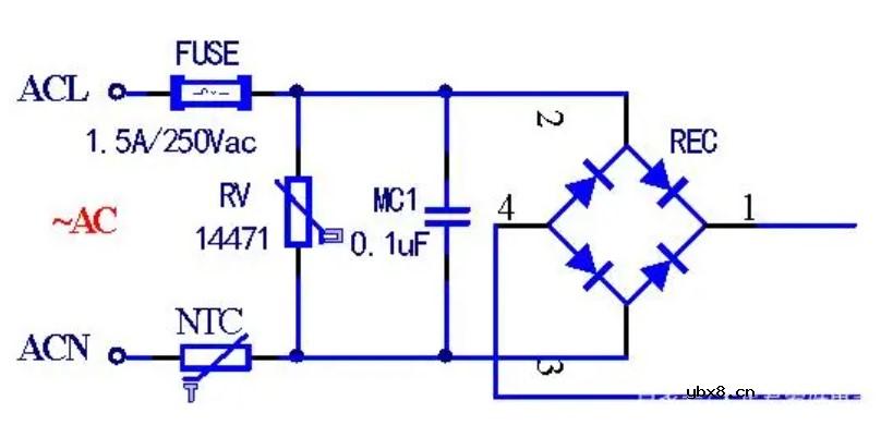
四、保险丝、NTC热敏电阻形式
热敏电阻采用的是负温度系数的,它的阻值随温度的升高为降低,它具有抑制电路的浪涌电流能力

五、压敏电阻、NTC热敏电阻形式

六、保险丝、压敏电阻、NTC热敏电阻形式

审核编辑:刘清
电芯、电池模组和电池包三者有什么区别?如...
时间:2026-03-22
电池怎么做绝缘处理?电池模组绝缘片起到什...
时间:2026-03-22
电池模组绝缘片的制造工艺有哪些,它们对电...
时间:2026-03-22
亿纬锂能麟驹系列电动两轮车电池首批发货仪...
时间:2026-03-22
在电池模组中,除了绝缘片,还有哪些措施可...
时间:2026-03-22
深度解读广汽全固态电池技术
时间:2026-03-22
广汽科技全固态电池与无图纯视觉智驾引领智...
时间:2026-03-22
天合光能新一代柔性储能电池舱Elementa 2真...
时间:2026-03-22
锂电池和超级电容器哪个更耐用
时间:2026-03-22
“固态电池”和“半固态电池”是水火不容吗...
时间:2026-03-22
住宅小区负荷与变压器容量的选择技巧
时间:2026-03-06
光伏控制器简介
时间:2026-03-06
三极管的主要参数
时间:2026-03-07
HTCC:半导体封装的理想方式
时间:2026-03-06
石英灯电子变压器电路原理
时间:2026-03-06
变压器并列运行的条件浅析
时间:2026-03-06
玻璃釉电容器的结构与特点
时间:2026-03-05
电阻的标称阻值和允许偏差
时间:2026-03-05
半导体三极管的技术参数
时间:2026-03-07
碳膜电阻如何识别_金属膜电阻器和碳膜电阻器...
时间:2026-03-05