PCB( Printed Circuit Board),中文名称为印制电路板,又称印刷线路板,是重要的电子部件,是电子元器件的支撑体,是电子元器件电气连接的载体。由于它是采用电子印刷术制作的,故被称为“印刷”电路板。
电子设备采用印制板后,由于同类印制板的一致性,从而避免了人工接线的差错,并可实现电子元器件自动插装或贴装、自动焊锡、自动检测,保证了电子设备的质量,提高了劳动生产率、降低了成本,并便于维修。
1、单面板
单面板(Single-Sided Boards) 在最基本的PCB上,零件集中在其中一面,导线则集中在另一面上(有贴片元件时和导线为同一面,插件器件再另一面)。因为导线只出现在其中一面,所以这种PCB叫作单面板(Single-sided)。因为单面板在设计线路上有许多严格的限制(因为只有一面,布线间不能交叉而必须绕独自的路径),所以只有早期的电路才使用这类的板子。
2、双面板
双面板(Double-Sided Boards) 这种电路板的两面都有布线,不过要用上两面的导线,必须要在两面间有适当的电路连接才行。这种电路间的“桥梁”叫做导孔(via)。导孔是在PCB上,充满或涂上金属的小洞,它可以与两面的导线相连接。因为双面板的面积比单面板大了一倍,双面板解决了单面板中因为布线交错的难点(可以通过孔导通到另一面),它更适合用在比单面板更复杂的电路上。
3、多层板
多层板(Multi-Layer Boards) 为了增加可以布线的面积,多层板用上了更多单或双面的布线板。用一块双面作内层、二块单面作外层或二块双面作内层、二块单面作外层的印刷线路板,通过定位系统及绝缘粘结材料交替在一起且导电图形按设计要求进行互连的印刷线路板就成为四层、六层印刷电路板了,也称为多层印刷线路板。板子的层数并不代表有几层独立的布线层,在特殊情况下会加入空层来控制板厚,通常层数都是偶数,并且包含最外侧的两层。大部分的主机板都是4到8层的结构,不过技术上理论可以做到近100层的PCB板。大型的超级计算机大多使用相当多层的主机板,不过因为这类计算机已经可以用许多普通计算机的集群代替,超多层板已经渐渐不被使用了。因为PCB中的各层都紧密的结合,一般不太容易看出实际数目,不过如果仔细观察主机板,还是可以看出来。

PCB之所以能得到越来越广泛地应用,因为它有很多独特优点,概栝如下。
可高密度化。数十年来,印制板高密度能够随着集成电路集成度提高和安装技术进步而发展着。
高可靠性。通过一系列检查、测试和老化试验等可保证PCB长期(使用期,一般为20年)而可靠地工作着。
可设计性。对PCB各种性能(电气、物理、化学、机械等)要求,可以通过设计标准化、规范化等来实现印制板设计,时间短、效率高。
可生产性。采用现代化管理,可进行标准化、规模(量)化、自动化等生产、保证产品质量一致性。
可测试性。建立了比较完整测试方法、测试标准、各种测试设备与仪器等来检测并鉴定PCB产品合格性和使用寿命。
可组装性。PCB产品既便于各种元件进行标准化组装,又可以进行自动化、规模化批量生产。同时,PCB和各种元件组装部件还可组装形成更大部件、系统,直至整机。
可维护性。由于PCB产品和各种元件组装部件是以标准化设计与规模化生产,因而,这些部件也是标准化。所以,一旦系统发生故障,可以快速、方便、灵活地进行更换,迅速恢服系统工作。当然,还可以举例说得更多些。如使系统小型化、轻量化,信号传输高速化等。

1、认清单元电路功能。就识别PCB印制板而言,认清单元电路能完成什么功能,对驳图来说是非常关键的。在电原理的学习中,符合一定功能的单元,可以用方框来表示。因此在驳图中是按反向分析识别方框。比如要识别该印制板是彩电主板?是电磁灶控制板?是节能日光灯控制板?还是电瓶车充电器控制板?等等。再比如局部地说要识别是单管放大电路。还是桥式整流电路,是集成功放电路,还是自激振荡电路等等。
2、认清PCB板上芯片或元件的型号。识出芯片的型号后,可以对照该芯片的典型应用电路图进行参考驳图。比如功放块TDA2616:彩电解码块LA76810;场扫描集成块LA7841;开关稳压电源控制块;单片机芯片89C2051等等。如果读出来的芯片型号平时没有见过,也可以上网去查,网址为:http://cn.ic-on-line.cn。在网上把它的DAATASHEET技术文档中的典型应用原理图,仔细阅读一遍,然后对比PCB板,绘制出该芯片的周边电路元件标号。可以假快理清该芯片的印制饭电路。
3、平时多掌握一些元器件的封装形式。常见的封装有TO-92、TO-220等。三极管的三个脚分别是E、B、C。小功率塑封装一般是TO-92,识别口诀是:“上平下圆脚朝己,从左到右E、B、C”(也有个别例外)。TO-220塑封三极管识别口诀是:“竖看字面脚朝下,从左到右B、C、E。”场效应管三个脚分别是D、G、S。TO-220塑封场效应管识别口诀是:“竖看字面脚朝下,从左到右G、D、S。可控硅三只脚单向为A、G、K.双向为T1(A1)、G、T2(A2),引脚与封装对应情况如图1所示。
此外还应抓住核心元件,以核心元件的供电和信号输入输出作为识别PCB的出发点来进行驳图。通常核心元件无非是三极管、场效应管、可控硅和集成电路芯片。这些核心元件是有源器件,须供电才能工作。因此合理地找出电源和地线走线是非常重要的。NPN三极管高电位为C极,PNP三极管为E极,场效应管高电位一般为D极。可控硅高电位为A,集成芯片供电脚可查资料。地线一般是位于边沿、且面积较粗的铜箔.中间位置的地线常与散热片连接(也有特别.最好用万用表电阻挡测量判断)。在分析供电时。应从高电位出发,到地线为止。每一条供电线路中。最高电位处.一般带有一个大的滤波电容,可作为判断的依据。至于信号的输入输出,应按三极管的共集放大电路、共基放大电路、共射放大电路等采对侍。场效应管和可控硅的控制极为G极,也就是通常三极管的的B极。场效应管和可控硅的G极是小信号输入的位置,三极管的C极,场效管的D极作为信号的输出位置。可控硅没有信号的输出极。集成电路芯片的输入、输出可参考它的技术文档进行判别。
识别PCB印制板时,应抓住先走静态线路,然后再分析动态线路的原则。备上万用表,检查线路的连接情况。一般来说,电阻、二极管、电感等应属静态线路中的元件,电容为动态线路中的元件。驳图时应先避开电容等动态线路元件,而先把核心元件的静态偏置电路元件进行理清,这样识别PCB电路的思路较为清楚,原理图绘制也合乎逻辑。
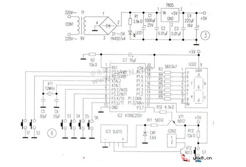
图2为一印制板图。首先分析一下本块印制板。它是单片板,电源部分位于板右上方,从集成电路7805可以看出,D1~D4四个二板管构成桥式整流电路,7805三端稳压输出供给后级电路工作。核心电路是主控芯片AT89C205l单片机,S1~S6构成键盘输入电路,LED2为一数码管构成显示电路,IC3构成报警电路。弄清大局后,再逐一进行绘制,绘制的电路如图3、图4所示。


电感器设计流程和见解
时间:2026-05-01
什么是触发器?触发器的作用是什么?
时间:2026-05-01
什么是电源?电源是如何进行分类的?
时间:2026-05-01
电驱动NVH的特点和结构
时间:2026-05-01
什么是霍尔传感器?
时间:2026-05-01
电负性的计算方法
时间:2026-04-30
电导的定义_电导的单位_电导怎么算
时间:2026-04-30
什么是计数器_计数器的作用
时间:2026-04-30
什么是欧姆定律_欧姆定律公式
时间:2026-04-30
RAID是什么?RAID有哪些?
时间:2026-04-30
电阻的原理和作用 电阻色环识别图 电路中电...
时间:2026-03-09
NVIDIA CPU+GPU超级芯片大升级!
时间:2026-03-09
什么是室温超导?半导体时代将走向结束?芯...
时间:2026-03-09
半导体光刻工艺 光刻—半导体电路的绘制
时间:2026-03-09
石英灯电子变压器电路原理
时间:2026-03-06
什么是硅片或者晶圆?一文了解半导体硅晶圆
时间:2026-03-09
一文详解MOS管驱动电路拓扑的设计
时间:2026-03-09
汽车芯片业应汲取的教训
时间:2026-03-09
压敏电阻型号的含义
时间:2026-03-05
半导体行业之ICT技术简介
时间:2026-03-09