|
全桥驱动器UBA2030T及其应用 1前言 飞利浦公司利用“BCD750功率逻辑工艺方法”制造的UBA2030T,是为驱动全桥拓扑结构中的功率MOSFET而专门设计的高压IC。UBA2030T只需用很少量的外部元件,即可组成高强度放电(HID)灯电子镇流器电路,并且为HID灯驱动电路的设计提供了解决方案。 2封装、内部结构及引脚功能 UBA2030T采用24脚SO封装,顶视图如图1所示。 UBA2030T芯片集成了自举二极管、振荡器、高压和低压电平移相器、高端(左、右)和低端(左、右)驱动器及控制逻辑等电路,其内部结构框图如图2所示。 表1列出了UBA2030T的引脚功能。 2主要参数及特点 2.1主要参数 UBA2030T的主要参数及参考数据如表2所列。 2.2主要特点
图1SO24封装顶视图 UBA2030T的主要特点如下: 内置自举二极管,用作驱动全桥电路可使外部元件减少到最低限度; 高压输入直达570V,为驱动内部电路和全桥
图2UBA2030T的内部结构框图 表1引脚功能
|
表2主要参数及参考数据
| 符号 | 参数 | 条件 | 最小值 | 典型值 | 最大值 | 单位 |
|---|---|---|---|---|---|---|
| 高压 | ||||||
| VHV | 高压电源(电压) | 0 | - | 570 | V | |
| 启动(经脚HV施加) | ||||||
| Istrtu | 启动电流 | - | 0.7 | 1.0 | mA | |
| Vth(osc,strt) | 启动振荡门限电压 | 在fbridge=500Hz下,无载 | 14.0 | 15.5 | 17.0 | V |
| Vth(osc,strt) | 停止振荡门限电压 | 在fbridge=500Hz下,无载 | 11.5 | 13.0 | 14.5 | V |
| 输出驱动器 | ||||||
| Io(source) | 输出源电流 | VDD=VFSL=VFSR=15VVGHR=VGHL=VGLR=VGLL=0V | 140 | 190 | 240 | mA |
| Io(sink) | 输出灌电流 | VDD=VFSL=VFSR=15VVGHR=VGHL=VGLR=VGLL=15V | 200 | 260 | 320 | mA |
| 内部振荡器 | ||||||
| fbridge | 桥路振荡器频率 | EXQ脚连接到SGND | 50 | - | 50000 | Hz |
| 外部振荡器 | ||||||
| fosc(ext) | 外部振荡器频率 | RC脚连接到SGNDfbridge=fosc(ext)/2 | 100 | - | 100000 | Hz |
| 死区时间 | ||||||
| tdead | 死区时间控制范围(外部可调) | 0.4 | - | 4 | μs | |
| 桥路使能 | ||||||
| IIH | 高电平输入电流 | 使能激活 | 100 | - | 700 | μA |
| IIL | 低电平输入电流 | 使能堵塞 | 0 | - | 20 | μA |
| 关闭 | ||||||
| VIH | 高电平输入电压 | 关闭激活:1ΔVSD/Δt1>5V/ms | 4.5 | - | VDD? | V |
| VIL | 低电平输入电压 | 关闭阻塞:1ΔVSD/Δt1>5V/ms | 0 | - | 0.5 | V |
| II(SD) | 输入电流 | 0 | - | 50 | μA | |
中的MOSFET,IC提供自己产生的低电源电压;
利用在DTC脚和SGND脚之间连接的电阻器RDT来设定死区时间tdead,并且RDT=270tdead-70,RDT(min)=50kΩ,RDT(max)=1MΩ(RDT的单位为kΩ时,tdead的单位为μs);
振荡器频率可调,当使用内部振荡器时,桥路(bridge)频率可利用外部电阻器ROSC和电容器COSC设定:fbridge=1/(2×8×ROSC×COSC),并要求ROSC=200kΩ~2MΩ;
内置PMOS高压移相器,以控制桥路使能功能;
具有关闭功能,只要在SD脚上的输入达到4.5V,全桥中的4只MOSFET则被关断。
3应用介绍
UBA2030T典型应用主要是在高压的(HPS)灯和金属卤灯这类HID灯电子镇流器电路中作为全桥驱动器。
3.1基本应用电路
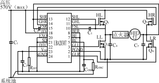
用UBA2030T作驱动器和HID灯为负载的全桥基本拓扑结构如图3所示。在这个应用电路中,

图3UBA2030T作驱动器、HID灯为负载的全桥基本电路

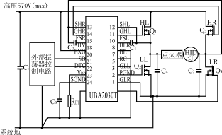
图4带外部控制电路的HID灯全桥拓扑结构

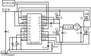
图5控制电路以桥路高端作参考的HID灯驱动器电路
图6用低压DC电源为内部电路
提供电流的HID灯全桥驱动器电路
BER脚、BE脚、EXO脚和SD脚都接系统地,没有使用桥路使能和关闭功能。当使用内部振荡器时,桥路换向频率由ROSC和COSC的取值决定。当HV施加电压超过振荡触发门限(典型值是15.5V)时,振荡器开始振荡。如果在HV脚上的电压降至振荡器停止门限(典型值是13V)电压,IC将重新进入启动状态。
一旦IC开始正常工作,在功率开关HL(Q1)和LR(Q4)导通时,HR(Q3)和LL(Q2)则截止;当HR(Q3)和LL(Q2)导通时,HL(Q1)和LR(Q4)则截止。UBA2030T提供的换向逻辑,保证了在HID灯中能产生交变电流。
HID灯的启动需要施加一个3kV~10kV的高压脉冲。由带负阻特性的触发元件、电容器和升压线圈等组成的点火器电路,在通电之后能产生足够使HID灯击穿的高电压,使灯引燃。为防止HID灯出现“声共振”现象,导致电弧不稳,烧坏灯管,对于HID灯驱动电路,往往还要采取“声共振”抑制措施。
3.2带外部振荡器控制的应用电路
图4示出的是带外部振荡器控制电路的HID灯全桥拓扑结构。在该应用电路中,UBA2030T的RC脚、BER脚和BE脚连接系统地,桥路换向频率由外部振荡器决定,关闭输入脚(SD脚)可以用作关断全桥电路中的全部MOSFET。
3.3控制电路以桥路高端作参考的HID灯全桥驱动器电路
UBA2030T在驱动HID灯全桥系统中作为换向器元件使用。HID灯的使用寿命依赖于通过石英壁的钠迁移量。为使钠迁移比率减至最小,HID灯以系统地为参考时,必须在负压下工作。图5示出的是控制单元以桥路高端作参考的HID灯全桥驱动器电路。在该应用电路中,BER脚和HV脚都连接到系统地。
图6所示的以桥路高端作为参考的又一种HID灯全桥驱动电路。BER脚连接系统地,通过HV脚流入IC内部低压电路的电流可以由低压DC电源(如电池)提供,如图6中虚线所示。RDT的数值在50kΩ与1000kΩ之间。当RDT=220KΩ时,死区时间tdead是1μs.
在任何应用中,在IC脚HV上的电压不能低于在VDD脚上的电压。否则,不论是在启动状态还是进入正常工作期间,全桥都不会正确工作。在启动阶段,IC的EXO脚和SD脚都应处于低电平。在EXO脚和SD脚的电压为时间函数时,其变化速率应大于5V/ms。
电感器设计流程和见解
时间:2026-05-01
什么是触发器?触发器的作用是什么?
时间:2026-05-01
什么是电源?电源是如何进行分类的?
时间:2026-05-01
电驱动NVH的特点和结构
时间:2026-05-01
什么是霍尔传感器?
时间:2026-05-01
电负性的计算方法
时间:2026-04-30
电导的定义_电导的单位_电导怎么算
时间:2026-04-30
什么是计数器_计数器的作用
时间:2026-04-30
什么是欧姆定律_欧姆定律公式
时间:2026-04-30
RAID是什么?RAID有哪些?
时间:2026-04-30
电阻的原理和作用 电阻色环识别图 电路中电...
时间:2026-03-09
NVIDIA CPU+GPU超级芯片大升级!
时间:2026-03-09
什么是室温超导?半导体时代将走向结束?芯...
时间:2026-03-09
半导体光刻工艺 光刻—半导体电路的绘制
时间:2026-03-09
石英灯电子变压器电路原理
时间:2026-03-06
什么是硅片或者晶圆?一文了解半导体硅晶圆
时间:2026-03-09
一文详解MOS管驱动电路拓扑的设计
时间:2026-03-09
汽车芯片业应汲取的教训
时间:2026-03-09
压敏电阻型号的含义
时间:2026-03-05
半导体行业之ICT技术简介
时间:2026-03-09