启辉器是一个用来预热日光灯灯丝,并提高灯管两端电压,以点亮灯管的自动开关,启辉器的基本组成可分为:充有氖气的玻璃泡、静触片、动触片,动触片为双金属片。
启辉器是通过利用高压导通灯管内部的汞蒸气,使灯管里的汞蒸气一经导通正常工作后,由于日光灯管的负阻特性,其两端电压低于启辉器放电管的电离电压,放电管双金属片分开保持断开状态。
触发器(trigger)是SQLserver提供给程序员和数据分析员来保证数据完整性的一种方法,它是与表事件相关的特殊的存储过程,它的执行不是由程序调用,也不是手工启动,而是由事件来触发,比如当对一个表进行操作(insert,delete,update)时就会激活它执行。触发器经常用于加强数据的完整性约束和业务规则等。触发器可以从DBA_TRIGGERS,USER_TRIGGERS数据字典中查到。SQL3的触发器是一个能由系统自动执行对数据库修改的语句。
触发器可以查询其他表,而且可以包含复杂的SQL语句。它们主要用于强制服从复杂的业务规则或要求。例如:您可以根据客户当前的帐户状态,控制是否允许插入新订单。
触发器也可用于强制引用完整性,以便在多个表中添加、更新或删除行时,保留在这些表之间所定义的关系。然而,强制引用完整性的最好方法是在相关表中定义主键和外键约束。如果使用数据库关系图,则可以在表之间创建关系以自动创建外键约束。
触发器与存储过程的唯一区别是触发器不能执行EXECUTE语句调用,而是在用户执行Transact-SQL语句时自动触发执行。
1.1实验方案一
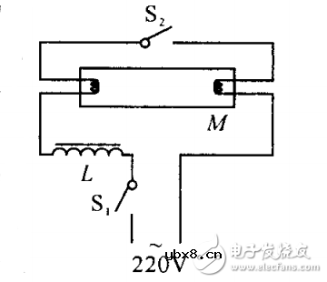
实验电路如图1所示,实验中接通s1,实验中再闭合s2,观察实验现象,断开电键S1。
实验现象:灯管两端逐渐发红(亮),但灯管就是不亮。
现象分析:直接用导线通过日光灯灯丝与电源相接,闭合电键s2,电一.路一直处于接通状态,灯管灯丝中有一‘持续电流通过,电流通过灯丝发热使灯丝发红(亮)。但加在灯管两端的电压较小(小于电源电压),不能满足气体导电的条件,故灯管两端一直发红(亮),但灯管就是不亮。

1.2实验方案二
实验电路如图2所示,接通S.,实验中先闭合S:,观察实验现象;之后把s断开,观察实验现象;重复一次,观察实验现象。
实验现象:灯管两端逐渐发红(亮),断开电键S,灯管正常发光;再次闭合电键S:,日光灯熄灭,灯丝发红(亮),断开电键s2,灯管又正常发光。

现象分析:直接用导线通过日光220V图2灯灯丝与电源相接,闭合电键s,电路一直处于接通状态,灯管灯丝中有持续电流通过,电流通过灯丝发热使灯丝发红(亮)。但加在灯管两端的电压较小,不能满足气体导电的条件,故灯管两端一直发红(亮),但灯管就是不亮。断开S:时,电路中的电流突然减小,镇流器在电路突然中断的瞬间,由于自感现象而产生一个瞬时高压加在灯管上,满足激发气体导电所需要的电压,使日光灯管成为通路开始发光。再次闭合电键S,灯丝两端电压小于维持气体正常发光所需的电压,日光灯熄灭,断开S时,又使气体导电而使日光灯正常发光。
1.3实验方案三
实验电路如图3所示,去掉启辉器外壳,正常启动日光灯;之后断开启辉器,观察实验现象,与方案一、二比较。
实验现象:启辉器闪烁,日光灯发光正常工作;再断开启辉器,日光灯仍正常工作。
现象分析:闭合电键S。后,电压加在启辉器两端,启辉器里的氖气放电发出辉光,产生的热量使启辉器的U型动触片膨胀伸长,与静触片接触把电路接通。电路接通后,启辉器里的氖气停止放电,U型动触片冷却收缩,电路自动断开,电路中的电流突然减小,镇流器在电路突然中断的瞬间,由于自感现象而产生一个瞬时高压加在灯管两端,满足激发气体导电所需要的电压,使日光灯管成为通路开始发光。日光灯正常工作时,加在启辉器两端电压等于日光灯管两端电压,但氖气发光所需电压大于日光灯正常工作所需电压,即日光灯正常工作时没有电流流过启辉器,所以日光灯正常工作后再断开启辉器,日光灯仍能正常发光。

1.4实验结论
启辉器主要是一个充有氖气的小氖泡,里面装有两个电极,一个是静触片,另一个是由两个膨胀系数不同的金属制成的U型动触片。有的启辉器还并接一个电容器,目的是防止两电极断开时放电对电极造成损坏。启辉器的作用是利用氖管的辉光放电(放电所需电压小于日光灯管内气体导电所需电压,大于日光灯正常工作时所需电压)和双金属片的热学特征,起着自动把电路接通和自动断开电路的作用,相当于一个自动开关,实际中可以用自动开关来代替启辉器而使日光灯发光,且目光灯正常发光后可以把启辉器去掉而不影响日光灯的正常使用。
联系实际:在家庭用电过程,如果启辉器损坏或丢失,我们可根据启辉器的作用原理(自动开关)用一根导线瞬时接通、断开电路,则可使日光灯正常发光,但一定要注意用电安全,手接触导线部分一定要绝缘。
2.1实验方案一
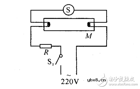
实验电路如图4所示,用一个较大定值电阻代替镇流器,闭合电键。观察实验现象。

2.1.1实验现象
启辉器发出辉光,El光灯不能正常工作
2.1.2现象分析
用定值电阻来代替镇流器,电路中加在灯管两端电压小于等于电源电压(启辉器两触片没接通时等于电源电压,接通瞬间小于电源电压),达不到气体导体所需电压,日光灯不能正常工作;电路接通瞬间,加在启辉器两触片两端电压等于电源电压,启辉器发出辉光。
2.1.3说明
如换用一个与镇流器直流电阻(用万用表测得约为几十欧姆)相当的定值电阻代替镇流器,启辉器两触片接触后电路中的电流较大,这样不仅会烧坏启辉器(很可能使两触片接通后不能自由分离),而且也会烧断灯管灯丝,造成实验仪器损坏,不再演示这个实验。

2.2实验方案二
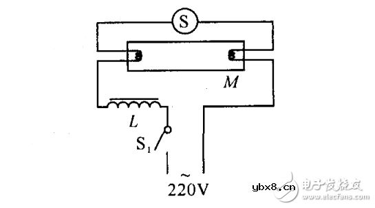
实验电路如图5所示,正常启动日光灯,观察实验现象。
2.2.1实验现象启辉器闪烁,日光灯发光,正常工作。
2.2.2现象分析
闭合电键S1后,电压加在启辉图5器两端,启辉器里的氖气放电发出辉光,产生的热量使启辉器的U型动触片膨胀伸长,与静触片接触把电路接通。’电路接通后,启辉器里的氖气停止放电,U型动触片冷却收缩,电路自动断开,电路中的电流突然减小,镇流器在电路突然中断的瞬间,由于自感现象而产生一个瞬时高压加在灯管两端,满足激发气体导电所需要的电压,使日光灯管成为通路开始发光。
2.2.3实验结论
镇流器是一个带铁芯的线圈,自感系数很大,镇流器是不能用电阻来代替的,镇流器工作原理是电磁感应现象,通过“感抗”实现对电流的阻碍,而电阻不能使灯管两端产生高压使灯管中气体导电;当变化电流通过镇流器时,镇流器中的线圈通过自感可使日光灯两端有较高的瞬时电压,激发气体导电。日光灯正常工作时,交流电不断通过镇流器和灯管(不经过启辉器),由于自感现象镇流器的线圈中产生自感电动势阻碍电流变化,起到降压作用,灯管两端电压低于电源电压,能够维持气体导电,从而能满足日光灯正常工作要求。即镇流器在起动时产生瞬时高压,在正常工作时起降压限流的作用。
2.2.4联系实际
现在使用最多的是电子镇流器,它由相互串联的电感、电容和电子启动部分组成,其电子启动部分采用触发二极管控制可控硅导通与截止,可直接启动日光灯管而不需配置外接启辉器,且有预热灯丝、延长寿命的功能,另还克服了现有日光灯管启动难、易出故障的毛病,特别适宜在电压波动大的地区使用,结构更简单、性能更安全、使用更方便。
3总结
通过上述实验,可定性说明启辉器和镇流器在日光灯中所起的作用。
①瞬时接通和断开电路,相当于自动开关。
②启动时产生瞬时高压,正常工作时降压限流。
电感器设计流程和见解
时间:2026-05-01
什么是触发器?触发器的作用是什么?
时间:2026-05-01
什么是电源?电源是如何进行分类的?
时间:2026-05-01
电驱动NVH的特点和结构
时间:2026-05-01
什么是霍尔传感器?
时间:2026-05-01
电负性的计算方法
时间:2026-04-30
电导的定义_电导的单位_电导怎么算
时间:2026-04-30
什么是计数器_计数器的作用
时间:2026-04-30
什么是欧姆定律_欧姆定律公式
时间:2026-04-30
RAID是什么?RAID有哪些?
时间:2026-04-30
电阻的原理和作用 电阻色环识别图 电路中电...
时间:2026-03-09
什么是室温超导?半导体时代将走向结束?芯...
时间:2026-03-09
NVIDIA CPU+GPU超级芯片大升级!
时间:2026-03-09
半导体光刻工艺 光刻—半导体电路的绘制
时间:2026-03-09
什么是硅片或者晶圆?一文了解半导体硅晶圆
时间:2026-03-09
石英灯电子变压器电路原理
时间:2026-03-06
一文详解MOS管驱动电路拓扑的设计
时间:2026-03-09
汽车芯片业应汲取的教训
时间:2026-03-09
半导体行业之ICT技术简介
时间:2026-03-09
集成电路的几纳米代表了什么?
时间:2026-03-09