可控硅是可控硅整流元件的简称,是一种具有三个PN 结的四层结构的大功率半导体器件,一般由两晶闸管反向连接而成。它的功能不仅是整流,还可以用作无触点开关的快速接通或切断;实现将直流电变成交流电的逆变;将一种频率的交流电变成另一种频率的交流电等等。可控硅和其它半导体器件一样,有体积小、效率高、稳定性好、工作可靠等优点。它的出现,使半导体技术从弱电领域进入了强电领域,成为工业、农业、交通运输、军事科研以至商业、民用电器等方面争相采用的元件。目前可控硅在自动控制、机电应用、工业电气及家电等方面都有广泛的应用。
可控硅从外形上区分主要有螺旋式、平板式和平底式三种。螺旋式应用较多。
可控硅有三个极----阳极(A)、阴极(C)和控制极(G),管芯是P型导体和N型导体交迭组成的四层结构,共有三个PN 结,与只有一个PN结的硅整流二极管在结构上迥然不同。可控硅的四层结构和控制极的引入,为其发挥“以小控大”的优异控制特性奠定了基础。可控硅应用时,只要在控制极加上很小的电流或电压,就能控制很大的阳极电流或电压。目前已能制造出电流容量达几百安培以至上千安培的可控硅元件。一般把5安培以下的可控硅叫小功率可控硅,50安培以上的可控硅叫大功率可控硅。


我们可以把从阴极向上数的第一、二、三层看面是一只NPN型号晶体管,而二、三、四层组成另一只PNP型晶体管。其中第二、第三层为两管交迭共用。可画出图1的等效电路图。当在阳极和阴极之间加上一个正向电压E,又在控制极G和阴极C之间(相当BG2的基一射间)输入一个正的触发信号,BG2将产生基极电流Ib2,经放大,BG2将有一个放大了β2 倍的集电极电流IC2 。因为BG2集电极与BG1基极相连,IC2又是BG1 的基极电流Ib1 。BG1又把Ib1(Ib2)放大了β1的集电极电流IC1送回BG2的基极放大。如此循环放大,直到BG1、BG2完全导通。事实上这一过程是“一触即发”的,对可控硅来说,触发信号加到控制极,可控硅立即导通。导通的时间主要决定于可控硅的性能。
可控硅一经触发导通后,由于循环反馈的原因,流入BG2基极的电流已不只是初始的Ib2 ,而是经过BG1、BG2放大后的电流(β1*β2*Ib2),这一电流远大于Ib2,足以保持BG2的持续导通。此时触发信号即使消失,可控硅仍保持导通状态,只有断开电源E或降低E的输出电压,使BG1、BG2 的集电极电流小于维持导通的最小值时,可控硅方可关断。当然,如果E极性反接,BG1、BG2受到反向电压作用将处于截止状态。这时,即使输入触发信号,可控硅也不能工作。反过来,E接成正向,而触动发信号是负的,可控硅也不能导通。另外,如果不加触发信号,而正向阳极电压大到超过一定值时,可控硅也会导通,但已属于非正常工作情况了。
可控硅这种通过触发信号(小触发电流)来控制导通(可控硅中通过大电流)的可控特性,正是它区别于普通硅整流二极管的重要特征。
由于可控硅只有导通和关断两种工作状态,所以它具有开关特性,这种特性需要一定的条件才能转化,此条件见表1

应用举例:
可控硅在实际应用中电路花样最多的是其栅极触发回路,概括起来有直流触发电路,交流触发电路,相位触发电路等等。
1、直流触发电路:
如图2是一个电视机常用的过压保护电路,当E+电压过高时A点电压也变高,当它高于稳压管DZ的稳压值时DZ道通,可控硅D受触发而道通将E+短路,使保险丝RJ熔断,从而起到过压保护的作用。

2、相位触发电路:
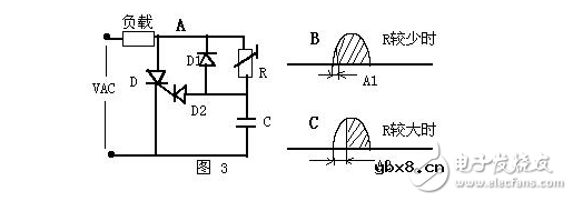
相位触发电路实际上是交流触发电路的一种,如图3,这个电路的方法是利用RC回路控制触发信号的相位。当R值较少时,RC时间常数较少,触发信号的相移A1较少,因此负载获得较大的电功率;当R值较大时,RC时间常数较大,触发信号的相移A2较大,因此负载获得较少的电功率。这个典型的电功率无级调整电路在日常生活中有很多电气产品中都应用它。

可控硅主要参数有:
1、 额定通态平均电流
在一定条件下,阳极---阴极间可以连续通过的50赫兹正弦半波电流的平均值。
2、 正向阻断峰值电压
在控制极开路未加触发信号,阳极正向电压还未超过导能电压时,可以重复加在可控硅两端的正向峰值电压。可控硅承受的正向电压峰值,不能超过手册给出的这个参数值。
3、 反向阴断峰值电压
当可控硅加反向电压,处于反向关断状态时,可以重复加在可控硅两端的反向峰值电压。使用时,不能超过手册给出的这个参数值。
4、 控制极触发电流
在规定的环境温度下,阳极---阴极间加一定电压,使可控硅从关断状态转为导通状态所需要的最小控制极电流和电压。
5、 维持电流
在规定温度下,控制极断路,维持可控硅导通所必需的最小阳极正向电流。
采用可控硅技术对照明系统进行控制具有:电压调节速度快,精度高,可分时段实时调整,有稳压作用,采用电子元件,相对来说体积小、重量轻、成本低。但该调压方式存在一致命缺陷,由于斩波,使电压无法实现正弦波输出,还会出现大量谐波,形成对电网系统谐波污染,危害极大,不能用在有电容补偿电路中。(现代照明设计要求规定,照明系统中功率因数必须达到0.9以上,而气体放电灯的功率因数在一般在0.5以下,所以都设计用电容补偿功率因数)在国外发达国家,已有明文规定对电气设备谐波含量的限制,在国内,北京、上海、广州等大城市,已对谐波含量超标的设备限制并入电网使用。
采用可控硅技术对照明系统进行照度控制时,可通过加装滤波设备来有效降低谐波污染。
近年来,许多新型可控硅元件相继问世,如适于高频应用的快速可控硅,可以用正或负的触发信号控制两个方向导通的双向可控硅,可以用正触发信号使其导通,用负触发信号使其关断的可控硅等等。
可控硅调光器是目前舞台照明、环境照明领域的主流设备。
在照明系统中使用的各种调光器实质上就是一个交流调压器,老式的变压器和变阻器调光是采用调节电压或电流的幅度来实现的,如下图所示。u1是未经调压的220V交流电的波形,经调压后的电压波形为u2,由于其幅度小于u1,使灯光变暗。在这种调光模式中,虽然改变了正弦交流电的幅值,但并未改变其正弦波形的本质。

与变压器、电阻器相比,可控硅调光器有着完全不同的调光机理,它是采用相位控制方法来实现调压或调光的。对于普通反向阻断型可控硅,其闸流特性表现为当可控硅加上正向阳极电压的同时又加上适当的正向控制电压时,可控硅就导通;这一导通即使在撤去门极控制电压后仍将维持,一直到加上反向阳极电压或阳极电流小于可控硅自身的维持电流后才关断。普通的可控硅调光器就是利用可控硅的这一特性实现前沿触发相控调压的。在正弦波交流电过零后的某一时刻t1(或某一相位角wt1),在可控硅控制极上加一触发脉冲,使可控硅导通,根据前面介绍过的可控硅开关特性,这一导通将维持到正弦波正半周结束。因此在正弦波的正半周(即0~p区间)中,0~wt1范围可控硅不导通,这一范围称为控制角,常用a表示;而在wt1~p间可控硅导通,这一范围称为导通角,常用j表示。同理在正弦波交流电的负半周,对处于反向联接的另一个可控硅(对两个单向可控硅反并联或双向可控硅而言)在t2时刻(即相位角wt2)施加触发脉冲,使其导通。如此周而复始,对正弦波每半个周期控制其导通,获得相同的导通角。如改变触发脉冲的施加时间(或相位),即改变了导通角j(或控制角a)的大小。导通角越大调光器输出的电压越高,灯就越亮。从上述可控硅调光原理可知,调光器输出的电压波形已经不再是正弦波了,除非调光器处在全导通状态,即导通角为180°(或p)。正是由于正弦波被切割、波形遭受破坏,会给电网带来干扰等问题……
好的调光设备应采取必要措施,努力降低使用可控硅技术后产生的干扰。
电感器设计流程和见解
时间:2026-05-01
什么是触发器?触发器的作用是什么?
时间:2026-05-01
什么是电源?电源是如何进行分类的?
时间:2026-05-01
电驱动NVH的特点和结构
时间:2026-05-01
什么是霍尔传感器?
时间:2026-05-01
电负性的计算方法
时间:2026-04-30
电导的定义_电导的单位_电导怎么算
时间:2026-04-30
什么是计数器_计数器的作用
时间:2026-04-30
什么是欧姆定律_欧姆定律公式
时间:2026-04-30
RAID是什么?RAID有哪些?
时间:2026-04-30
电阻的原理和作用 电阻色环识别图 电路中电...
时间:2026-03-09
什么是室温超导?半导体时代将走向结束?芯...
时间:2026-03-09
NVIDIA CPU+GPU超级芯片大升级!
时间:2026-03-09
半导体光刻工艺 光刻—半导体电路的绘制
时间:2026-03-09
什么是硅片或者晶圆?一文了解半导体硅晶圆
时间:2026-03-09
石英灯电子变压器电路原理
时间:2026-03-06
一文详解MOS管驱动电路拓扑的设计
时间:2026-03-09
汽车芯片业应汲取的教训
时间:2026-03-09
半导体行业之ICT技术简介
时间:2026-03-09
集成电路的几纳米代表了什么?
时间:2026-03-09