01 背 景
伴随着各国航空航天、船舶等领域,以及工业控制和农业现代化的不断需求与发展,对位移传感器的需求与应用要求也在不断地上升,且在不同的应用领域对于位移传感器的结构需求也不一致。航晶早期推出了一款替代AD598的全国产位移传感器激励解调电路HJG598,在多个领域的装配中使用已成熟,其型号能够与五线制和六线制的位移传感器进行配套使用。
对于配套半桥式三线制和四线制位移传感器应用领域的空白,航晶公司结合已往的深厚的模拟电路设计与应用经验,现推出一款全新的国产化位移传感器激励解调电路HJG698,其能够完全国产化功能替代进口器件AD698。
02 概 述
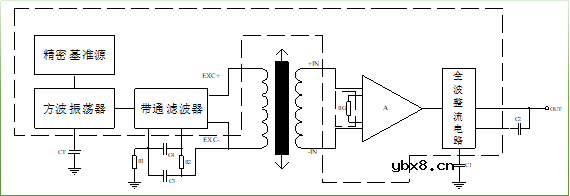
HJG698是采用符合GJB2438内控指示要求的厚膜集成工艺设计完成的LVDT/RVDT激励解调器,包含一个方波振荡器、带通滤波器和具有差分输出功能的运算放大器,用于产生驱动原边LVDT/RVDT的激励信号,同时HJG698将LVDT/RVDT输出的调幅波信号进行差值运算并转换为直流电压信号输出。
HJG698的激励采用方波振荡器与带通滤波器结合的形式,将方波信号滤波输出为正弦波信号,并采用低漂移精密电压源的形式为振荡电路网络供电,即设置器件带通滤波网络的外围电阻与电容元件只需要选择低温票类型,就能够得到低温漂的正弦波信号激励输出。采用了增益1/1的差分输出放大器作为激励信号输出对LVDT/RVDT进行驱动,使得即使LVDT/RVDT不存在共地端口,HJG698仍然可以进行正常驱动,能够配套驱动三线制半桥或四线制的传感器。后级解调部分采用了差分式的输入结构,这使得差分式的激磁信号温漂在后级解调电路工作原理上就能够得到抑制,使得输出直流信号的温漂更低。
HJG698非常适合精密位置和计量应用,具有温漂小、检测精度高、可靠性高、高灵敏度等优点。可应用于伺服控制系统、航空航天、电子等领域的角度位置检测系统中。
03 特性对照
下面是HJG698、HJG598与AD698的特性对照表。

04 电原理框图
HJG698电原理框图如下:

05 封装形式及引出端
HJG698采用陶瓷双列直插外壳HD16-02A,封装外形尺寸和实物图如下:


HJG698引脚引出端定义如下(顶视图):


06 绝对额定最大值

07 电特性
除非另有说明,VCC=+15V,VEE=-15V,TA=25℃。电特性表如下:

08 典型应用图
HJG698的三线制与四线制位移传感器的典型应用图如下:


注:
1.根据电特性表中所描述的各项计算公式描述,通过设置电容CT值可以对激磁信号的频率进行调节,公式要求满足:(电容单位为pF,频率单位为Hz)

设置完成激磁信号频率后,在通过调节电阻R1、R2与电容C3、C4以对带通滤波器的参数进行设置,推荐参考下述的公式要求进行计算以获得失真度小的正弦波信号。带通滤波器参数计算公式要求满足:(电阻单位为KΩ,电容单位为pF,频率f单位为Hz)

根据激励信号幅度要求先计算出带通滤波器的增益设置倍数A与电阻R2的阻值,而带通滤波器的输入信号为2.5Vrms的方波信号,其基波正弦波的有效值应为(2.5×4)/πVrms,即输出激励正弦波EXC+与EXC-的有效值为(A×2.5×4×0.707)/πVrms。
之后再通过公式计算出电阻R1与电容C3和C4的值大小,注意电阻与电容都应选择具有低温漂特性的元件。
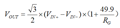
通过设置电阻RG可以对最终输出直流信号VOUT的幅度进行调节,满足下述公式:

VIN+与VIN-即为器件的16脚IN+和15脚IN-上的输入电压的有效值幅度。
可以通过外置电容C1与C2对后级解调部分的全波整流电路的截止频率进行设置,其计算公式满足:

而截止频率f还应满足≤0.1倍的激磁信号频率,这样输出的直流电压信号才能够保持失真度低、精度高的特点。截止频率的设置也影响了后级解调网络工作的时间常数,因此截止频率点的设置于用户要求传感器的响应速度也有关系,即截止频率不能设置的过低以使得器件解调工作的响应时间过长。
2.上述电容都应选用NPO介质的陶瓷电容以能够使得器件的温度特性更优秀。
3.可以通过对REF端进行设置以对最终输出信号的偏置电压进行调节,其计算公式满足:

但注意VREF基准电压推荐要应用基准源进行提供。
审核编辑:刘清
车用传感器频繁损坏的原因?车用传感器频繁...
时间:2026-03-20
角位移传感器的原理 角位移传感器的作用
时间:2026-03-20
振动传感器如何选择?测试方法有哪些?
时间:2026-03-20
霍尔传感器的优点及用途
时间:2026-03-20
什么叫离子传感器?离子传感器的工作原理 离...
时间:2026-03-20
指纹传感器的定义 指纹传感器的应用
时间:2026-03-20
北京大学高成臣团队在MEMS压力传感器领域实...
时间:2026-03-20
纳芯微推出车规级温湿度传感器NSHT30-Q1助力...
时间:2026-03-20
二氧化碳传感器的分类及其原理
时间:2026-03-20
微波传感器的工作原理和应用
时间:2026-03-20
光伏控制器简介
时间:2026-03-06
住宅小区负荷与变压器容量的选择技巧
时间:2026-03-06
三极管的主要参数
时间:2026-03-07
变压器并列运行的条件浅析
时间:2026-03-06
电阻的标称阻值和允许偏差
时间:2026-03-05
HTCC:半导体封装的理想方式
时间:2026-03-06
石英灯电子变压器电路原理
时间:2026-03-06
玻璃釉电容器的结构与特点
时间:2026-03-05
碳膜电阻如何识别_金属膜电阻器和碳膜电阻器...
时间:2026-03-05
关于STM32WL LSE 添加反馈电阻后无法起振的...
时间:2026-03-05