目前,电力机车采用机械脚踏开关人工定时(1分钟内)发送触发脉冲(110V/0V)到监控器,通报监控器机车司机处于正常值守状态,保证机车正常运行。由于脚踏开关是一种机械触点式开关且非密封,开关在库房存放或使用时间一段时间后,会出现触点氧化、老化与积尘等现象,造成触点接触不良故障,其结果使机车司机无法判断每次脚踏开关动作有效性。监控器无法定时收到触发脉冲而给出报警信号;同时,机车司机工作职责无法得到落实。改用非接触式电子脚踏开关可以很好地解决以上技术问题。
脚踏开关包括磁钢、霍尔电子开关单元、驱动电路单元、单片机单元、声光提示电路单元、光耦隔离电路单元、高压电子开关单元、DC/DC变换器单元。 磁钢设于霍尔电子开关的前侧,霍尔电子开关单元与驱动电路单元连接,驱动电路单元与单片机单元连接,单片机单元与声光提示电路单元及光耦隔离电路单元连接,光耦隔离电路单元与高压电子开关单元连接,DC/DC变换器单元的输出端与单片机单元、霍尔电子开关单元、声光提示电路单元以及光耦隔离电路单元连接的电源输入端连接。 磁钢为圆柱薄形钕铁硼磁钢,霍尔电子开关单元采用型号为DRV5013(或国产汽车级产品CHA442)的霍尔效应传感器, DC/DC变换器单元采用110V转5V,所述单片机单元采用型号为STC11F04的单片机。

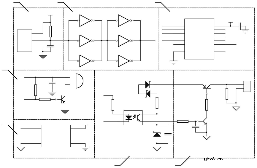
图1 结构框图

图2 应用电路图
工作过程及其原理:
磁钢1移动靠近霍尔传感器,感应触发霍尔电子开关,使其输出由高电平转为低电平。
霍尔电子开关单元2由霍尔传感器U1(CHA442)、R1以及C1组成,用于接收磁钢靠近的电磁信号,并转化为电信号。
驱动电路单元3由U2(74HC04)组成,3个非门并联可提供大于30mA驱动电流。
单片机单元4由U3(STC11F04)及外围元件组成,用于提高驱动能力以及电路抗干扰能力。
声光提示电路单元5由V3(2N2222)、BU1、R6以及R7组成,用于报警提示。
光耦隔离电路单元6由U4(TLP521)、D1-2(1N4753/36V)、D3(1N4742/12V)、R2、R8,D1-2、D3以及R8组成稳压电路。
高压电子开关单元7包括:V1(MUE13001)、V2(2SB546)、R3(10K)、R4(27K/1W)、R5(20K/2W)、C4(1uF)以及P1,R3、C4构成延时电路,防止开机输出高电平,高压电子开关用于模拟触发脉冲。
DC/DC变换器单元8将110VDC转化为5VDC(VCC),用于控制电路的供电。
文中提到的CHA442是一系列符合AEC-Q100 汽车认证的数字双极锁存霍尔传感器产品,CCHA44X系列产品其主要性能及特点如下:
• AEC-Q100汽车认证
• 数字双极锁存霍尔传感器
• 多种灵敏度选项(BOP / BRP):+15 /-15G;+30 /-30G;+45 / -45G;+120 / -120G;
• 在整个工作温度范围内稳定工作点的斩波器
• 2.5V至22V范围内的车载电压调节器
• 输出短路保护
• 反向电池和续流保护
• 对物理应力不敏感
• 宽工作温度范围:-40 至 150°C
• 小封装尺寸 TO-92S、SOT-23 和 SOT-89
• 符合 RoHS 的材料指令 2011/65/EU

产品应用:
1.转速和转速感应
2.转速表,计数器拾音器
3.流量传感器
4.无刷直流(直接电流)电机换向
5.电机和风扇控制
6.机器人控制

产品说明:
CH441/CH442/CH443/CH444霍尔效应传感器具有极高的温度稳定性和抗应力能力,特别适合在-40°C到150°C的温度范围内工作。通过动态偏移消除,可以获得优异的高温性能,它降低了通常由器件过度成型、温度依赖性和热效应引起的残余偏移电压压力该器件包括一个电压调节器,霍尔电压发生器,小信号放大器,斩波器稳定,施密特触发器,和短路保护开路漏极输出下降到25毫安。 板调压器允许在2.5至22 V的电源电压下工作。低至2.5 V的操作优势在于,该装置可用于2.5 V应用场合,或与电源引脚串联的附加外部电阻,以增强对高压瞬变事件的保护。 CH441/CH442/CH443/CH444系列是闩锁霍尔开关。对于锁存模式,也有反极性设备。正常情况下足够强度的南极打开输出;但是,对于反极性设备,足够强度的北极打开输出。 CH441/CH442/CH443/CH444还集成了内部夹具,以防电源/输出瞬态;输出短路保护;蓄电池反向状态。
功能说明
CHA44X/CH44X 具有锁存磁性开关特性。因此,它需要南极和北极都正常运行。该设备表现为具有对称操作和释放开关点 (BOP=|BRP|) 的锁存器。这意味着具有相同强度和相反方向的磁场驱动输出高低。去除磁场 (B→0),它会将输出保持在先前的状态。这种锁存特性将设备定义为磁存储器。磁滞 BHYST 将 BOP 和 BRP 保持在最小值之间。该滞后可防止开关点附近的输出振荡。
磁动作特性



典型应用
建议将外部电容器 C1 连接到电源。这可以减少注入设备的噪声。建议使用正常的 0.1uF。

霍尔开关& 锁存

审核编辑:刘清
一款可植入电池内部的高精度光纤传感器
时间:2026-03-18
拜安半导体6英寸MEMS光纤传感器芯片特色生产...
时间:2026-03-18
探讨一下IGBT的片上电流传感器基本原理及用...
时间:2026-03-18
基于微针的生物传感器研究进展
时间:2026-03-18
全志R128应用开发案例—中断方式驱动旋转编...
时间:2026-03-18
索尼推出业内首颗最高像素车载CMOS图像传感...
时间:2026-03-18
onsemi推出适用于智能家居的Hyperlux LP图像...
时间:2026-03-18
Melexis推出高性能线性行程磁位置传感器芯片
时间:2026-03-18
使用XR806芯片驱动一下DHT11温湿度传感器
时间:2026-03-18
具有弯曲宏观裂纹的多功能水凝胶传感器
时间:2026-03-18
玻璃釉电容器的结构与特点
时间:2026-03-05
碳膜电阻如何识别_金属膜电阻器和碳膜电阻器...
时间:2026-03-05
电阻的标称阻值和允许偏差
时间:2026-03-05
石英灯电子变压器电路原理
时间:2026-03-06
变压器并列运行的条件浅析
时间:2026-03-06
三极管的主要参数
时间:2026-03-07
为什么需要对变压器有载开关进行测试呢?
时间:2026-03-07
光伏控制器简介
时间:2026-03-06
关于STM32WL LSE 添加反馈电阻后无法起振的...
时间:2026-03-05
贴片电阻怎么识别_贴片电阻识别方法
时间:2026-03-05