汽车水温传感器的内部是汽车水温传感器,温度愈低,电阻愈大;反之电阻愈小,安装在发动机缸体或缸盖的水套上,与冷却水直接接触。从而测得发动机冷却水的温度。也可使用正温度系数的如PT1000传感器。
它的作用是向发动机控制单元提供一个温度变化的模拟量信号。它的供电电压是由控制单元提供的5V电源,返回控制单元的信号为1.3V-3.8V的线性变化信号。主要作用是告诉发动机控制单元现在的温度有多少。
水温传感器与VCU中接有上拉电阻的AD采集口进行连接,可以通过信号端的电阻分压电压得到和可变电阻及温度传感器的阻值,在进行查表即可得到相对应的温度。
水温传感器又称冷却液温度传感器,一般是2线制,它的主要用途是:
向发动机管理系统的控制器(ECM)提供发动机冷却剂温度参数。这个温度参数可以控制风扇接电器,从而控制发动机的散热风扇。
水温信号是计算空气/燃油比(空燃比)、点火提前角(点火时间)等标定设置的重要参数。
冷却水、吸气、排气、车内外空气、发动机机油
水温传感器的信号是如何检测的?
水温传感器的内部主要是一个热敏电阻,这个电阻主要分为正、负温度系数两种。正温度系数是水温越高电阻越大,负温度系数则是水温升高以后水温传感器的电阻反而下降。汽车上使用的水温传感器是负温度系数。
在实用运用中,水温传感器是两线制,一根5V电压从电脑内部出来,另外一根通过电脑内部接地。检测的时候,电脑内部会有一个上拉电阻,接在一个5V 电压上,水温传感器会和上拉电阻形成串联电路,这个电路有定流分压的作用。也就是说这条电路的总电流是一定的,两个电阻上的电压之和等于总电压。
所以,一 旦把水温传感器插上之后,热敏电阻和上拉电阻会根据两侧的电阻值大小,把5V电压进行分配。因为上拉电阻上面的电阻基本是不变的,而水温传感器属于热敏电阻,水温变化的时候,传感器上面的电阻会变化,所以在上拉电阻下方显示的就是水温信号。

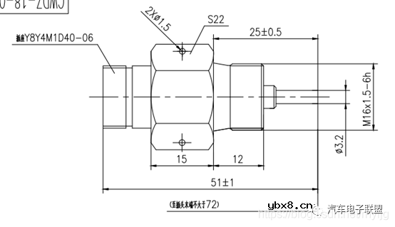
如下图是一个PT1000温度传感器:
测量温度:-50~150℃
精度:±1%FS
接线定义:1-信号输出、2.3-空、4-信号输出

补充:上拉电阻
上拉就是将不确定的信号通过一个电阻钳位在高电平,电阻同时起限流作用。上拉是对器件输入电流。当单片机的IO口增加一个上拉电阻时,可以将电压一直钳在高电平,如果在output即信号的输入端增加一个可变电阻,形成分压电路,电阻变化,则信号端的电压也会跟随变化。

温度传感器需接上拉电阻的原因:
这个电阻通常比较大如5K,作用是若温度传感器开路或没接时,能起到上拉作用,使之为高电平,使后续电路保护。
传感器的数据脚对应的单片机的引脚电平不够,故接一个上拉电阻增加引脚输入输出电平的能力。
车用传感器频繁损坏的原因?车用传感器频繁...
时间:2026-03-20
角位移传感器的原理 角位移传感器的作用
时间:2026-03-20
振动传感器如何选择?测试方法有哪些?
时间:2026-03-20
霍尔传感器的优点及用途
时间:2026-03-20
什么叫离子传感器?离子传感器的工作原理 离...
时间:2026-03-20
指纹传感器的定义 指纹传感器的应用
时间:2026-03-20
北京大学高成臣团队在MEMS压力传感器领域实...
时间:2026-03-20
纳芯微推出车规级温湿度传感器NSHT30-Q1助力...
时间:2026-03-20
二氧化碳传感器的分类及其原理
时间:2026-03-20
微波传感器的工作原理和应用
时间:2026-03-20
光伏控制器简介
时间:2026-03-06
住宅小区负荷与变压器容量的选择技巧
时间:2026-03-06
三极管的主要参数
时间:2026-03-07
变压器并列运行的条件浅析
时间:2026-03-06
HTCC:半导体封装的理想方式
时间:2026-03-06
电阻的标称阻值和允许偏差
时间:2026-03-05
石英灯电子变压器电路原理
时间:2026-03-06
玻璃釉电容器的结构与特点
时间:2026-03-05
碳膜电阻如何识别_金属膜电阻器和碳膜电阻器...
时间:2026-03-05
关于STM32WL LSE 添加反馈电阻后无法起振的...
时间:2026-03-05