在工控领域,常常需要对液位、压力、温度、流量进行检测,由于这四个参量比较重要,就跟农村人吃席一样,它们被称为了工控检测设备中的“四大件”。
要实现对液位、压力、温度、流量进行检测,就需要对应的传感器设备,对应的分别是:液位传感器、压力传感器、温度传感器和流量传感器。

所谓传感器,是这么定义的:能感受到被测量的信息,并能将感受到的信息,按一定规律变换成为电信号或其他所需形式的信息输出,以满足信息的传输、处理、存储、显示、记录和控制等要求。所以,液位、压力、温度、流量传感器测量的对象是非常明确的,它们需要做的就是将变化的信息按一定规律转化为电信号或其他所需形式的信息。
这类传感器都可以分为两类,一类是开关型,另一类就是连续型。
在这里说明一下,有很多人将开关型与连续型区分对待,这也无可厚非,毕竟,开关型输出的是一种开关信号,主要用于电气控制,而连续型输出的是一种标准信号(0–10V或4–20ma),通常称为变送器,多用于监视(也可以对其控制)。
开关型,就是以开关量作为输出信号,对应的称为液位开关、压力开关、温度开关和流量开关。
以液位开关为例说明一下,当液位达到一定位置时开关动作,断开或闭合,一般液位开关有一组触点,一个常开和一个常闭。

常见的液位开关有浮球开关和感应开关两类,浮球开关是利用液体到达液位时对浮球的浮力作用使浮球开关动作。感应式液位开关则是通过发射信号与接受信号的时间来计算液位。
对应的压力开关、温度开关、流量开关与液位开关的原理相同,都是要达到某一定值时开关动作,多用于电气控制回路当中。
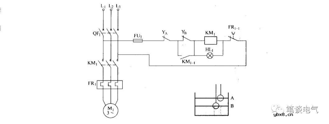
举个简单例子,说明一下它的具体应用,见下图:

审核编辑:刘清
新型植入式气体传感器问世,可在人体内溶解
时间:2026-03-16
美国康奈尔大学官网
时间:2026-03-16
差压传感器的典型应用_差压传感器的安装
时间:2026-03-16
建筑物中的物联网传感器可以做什么?
时间:2026-03-16
物位传感器有哪些_物位传感器的实际应用
时间:2026-03-16
物位传感器的工作原理_物位传感器的特点
时间:2026-03-16
陀螺仪传感器的分类_陀螺仪传感器有什么用
时间:2026-03-16
模糊传感器的结构_模糊传感器的应用
时间:2026-03-16
小米重磅发布人体传感器2
时间:2026-03-16
中小企业受困 CIS 芯片缺货
时间:2026-03-16
玻璃釉电容器的结构与特点
时间:2026-03-05
电阻的标称阻值和允许偏差
时间:2026-03-05
石英灯电子变压器电路原理
时间:2026-03-06
变压器并列运行的条件浅析
时间:2026-03-06
关于STM32WL LSE 添加反馈电阻后无法起振的...
时间:2026-03-05
可调电阻怎么接线
时间:2026-03-05
压敏电阻有正负极吗
时间:2026-03-05
碳膜电阻如何识别_金属膜电阻器和碳膜电阻器...
时间:2026-03-05
晶体三极管放大电路的非线形失真及其解决办...
时间:2026-03-07
怎样测试三极管的好坏,NPN三极管如何知道是...
时间:2026-03-07