IDT公司的ZMOD4410是总挥发性有机物(TVOC)和室内空气质量传感器,包括气体检测元件和CMOS信号调理IC.模块的检测元件基于Si的MEMS结构的加热元件和金属氧化物(MOx)化敏电阻器,而信号调理器控制传感器温度和测量MOx的导电率,它是气体浓度的函数。工作电压1.7V- 3.6V,主要用在室内空气监测,包括家庭,办公室和私人环境健康条件和舒适度,检测有害物质和有害健康条件等。本文介绍了ZMOD4410主要特性,框图,应用电路图,以及包括通信板和传感器板在内的评估板ZMOD4410 EVK主要特性,电路图,材料清单和PCB设计图。
The ZMOD4410 Gas Sensor Module is designed for detecting totalvolatile organic compounds (TVOC) and monitoring indoor airquality (IAQ) in different use cases. It is a 12-pin LGA assembly(3.0 x 3.0 x 0.7 mm) that consists of a gas sense element and a CMOS signal conditioning IC. The module’s sense element consistsof heater element on a Si-based MEMS structure and a metaloxide (MOx) chemiresistor. The signal onditioner controls thesensor temperature and measures the MOx conductivity, which isa function of the gas concentration.
The measurement results can be read via an I2C interface with theuser’s microprocessor, which processes the data to determine theTVOC concentration, IAQ rating, and stimated carbon dioxide(eCO2) level. Alternatively, depending on the operation mode, the ZMOD4410 software can generate a control signal, which cantrigger actions based on odor levels. With its low operating currentconsumption, the ZMOD4410 is an excellent choice for low-voltageand low-power battery applications. Built-in nonvolatile memory (NVM) stores the configuration and provides space for arbitraryuser data.
ZMOD4410主要特性:
Measurement of total organic compounds (TVOC)concentrations and indoor air quality (IAQ)
Module algorithm estimates carbon dioxide level (eCO2)
Algorithm to set a control signal to trigger an external actionbased on IAQ and odor change
Heater driver and regulation loop for constant heater voltageor constant heater resistance
Internal auto-compensated temperature sensor; not stresssensitive
I2C interface: up to 400kHz
Configurable alarm/interrupt output with static and adaptivelevels
Adjustable ADC resolution for optimal speed versusresolution: 16-bit maximum
Built-in nonvolatile memory (NVM) for user data
Low average power consumption in the low mW range
Excellent for low-voltage and low-power battery applications
No external trimming components required
External reset pin (active-LOW)
Customization for mobile and consumer applications
Siloxane resistant
ZMOD4410典型应用:
Indoor air monitoring
Monitor home, office, and personal environments for healthyconditions and comfort
Detect hazardous materials and unhealthy conditions(e.g. fumes from construction materials)
Automation based on indoor ambient air quality (HVAC, airpurifiers, thermostats, etc.)Physical Characteristics
Supply voltage: 1.7V to 3.6V
Package: 12-LGA
Assembly size: 3.0 x 3.0 x 0.7 mm

图1.ZMOD4410框图

图2.ZMOD4410应用电路图
评估板ZMOD4410 EVK
The ZMOD4410 Evaluation Kit (EVK) is designed for evaluating IDT’s ZMOD4410 Gas Sensor Module for TVOC. The total volatile organic compounds (TVOC) measurement is one of the indicators for indoor air quality (IAQ)。 In addition, a measurement mode is provided to trigger an external device (e.g., fan, ventilation) based on the air quality change.
The ZMOD4410 Evaluation Software allows Windows®-based operating systems to communicate with the ZMOD4410 EVK via a USB connection on the user’s computer, which functions as a master. The software and additional related documentation is available on the IDT website.
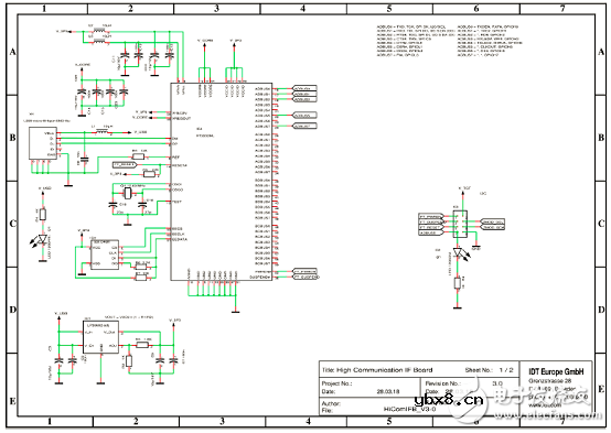
The EVK’s Communication Board (HiCom) handles the interface between the user’s computer and the ZMOD4410 module mounted on the ZMOD4410 Sensor Board (Daughter Board)。 Note: Only one Communication Board with one Sensor Board can be connected to the computer at a time.
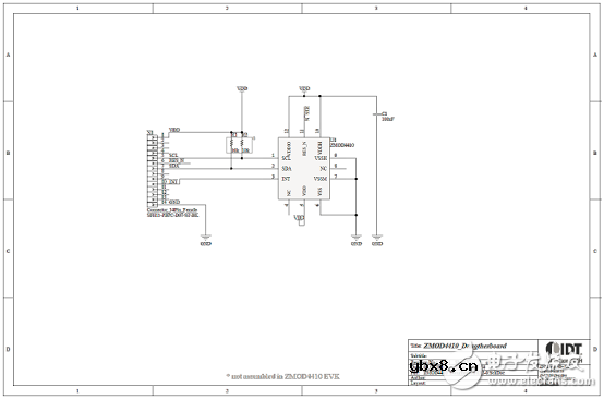
The ZMOD4410 Evaluation Kit uses an FTDI controller on the Communication Board to handle the USB protocol, translate communications, and synchronize communications with the I2C interface. The Sensor Board includes a decoupling capacitor.
The Communication Board has devices mounted on both sides. The components on the top side generate a stable supply voltage. A potentiometer can be used to adjust the internal supply voltage in the typical range from 1.7V to 3.6V. Alternatively, the user’s external supply voltage can be used. The intensity of the adjacent LED is proportional to the supply voltage.
评估板ZMOD4410 EVK主要特性:
User-friendly EVK expedites configuration and evaluation of the ZMOD4410 Gas Sensor
Operates with IDT provided software; either with executable ZMOD4410 GUI or alternatively with firmware programming examples for Windows and Linux
The modular design of the EVK allows simple connection of Sensor Boards for different gas sensor derivatives and easy integration with other sensor products via the I2C interface
The required ZMOD4410 Evaluation Software is available for download on the IDT website, which also provides background information on TVOC, gas sensing, and sensor programming.
Additional pins to measure power consumption, supply voltage, and GPIO trigger for external device
The bill of materials (BOM) and schematics for the ZMOD4410 Communication Board and Sensor Board are provided at
评估板ZMOD4410 EVK包括:
ZMOD4410 HiCom Communication Board
ZMOD4410 Sensor Board with ZMOD4410 Gas Sensor Module
0.5m Type-B USB to Micro-USB Cable

图3.评估板ZMOD4410 EVK外形图

图4.评估板ZMOD4410 EVK通信板跳线和连接器位置图

图5.评估板ZMOD4410 EVK通信板电路图(1)

图6.评估板ZMOD4410 EVK通信板电路图(2)

图7.评估板ZMOD4410 EVK传感器板电路图
评估板ZMOD4410 EVK通信板材料清单:


评估板ZMOD4410 EVK传感器板材料清单:
图8.评估板ZMOD4410 EVK通信板PCB设计图:顶层
图9.评估板ZMOD4410 EVK通信板PCB设计图:底层
图10.评估板ZMOD4410 EVK传感器板PCB设计图:顶层
图11.评估板ZMOD4410 EVK传感器板PCB设计图:底层
详情请见:
https://www.idt.com/document/dst/zmod4410-datasheet
和https://www.idt.com/document/mae/zmod4410-evk-evaluation-kit-user-manual
IDT_ZMOD4410-EVK_MAE_20180925.pdf
IDT_ZMOD4410-Datasheet_DST_20180924.pdf
转向辅助灯和自动转向灯的对比 各有何作用
时间:2026-03-16
浅谈接近与环境光强度数字传感器-APDS9930
时间:2026-03-16
详解DHT11数字温湿度传感器实验
时间:2026-03-16
详解Arduino GY-30数字光强传感器应用
时间:2026-03-16
浅析数字传感器的现在与未来
时间:2026-03-16
浅析CC2530下ZigBee协议栈中添加BH1750数字...
时间:2026-03-16
自动大灯远近光原理 自动大灯正确使用方法
时间:2026-03-16
热电偶为什么要冷端补偿
时间:2026-03-16
ZMOD4410总挥发性有机物和室内空气质量传感...
时间:2026-03-16
矽睿科技完成B轮融资 成立新一届董事会
时间:2026-03-16
玻璃釉电容器的结构与特点
时间:2026-03-05
电阻的标称阻值和允许偏差
时间:2026-03-05
石英灯电子变压器电路原理
时间:2026-03-06
变压器并列运行的条件浅析
时间:2026-03-06
关于STM32WL LSE 添加反馈电阻后无法起振的...
时间:2026-03-05
可调电阻怎么接线
时间:2026-03-05
压敏电阻有正负极吗
时间:2026-03-05
碳膜电阻如何识别_金属膜电阻器和碳膜电阻器...
时间:2026-03-05
晶体三极管放大电路的非线形失真及其解决办...
时间:2026-03-07
怎样测试三极管的好坏,NPN三极管如何知道是...
时间:2026-03-07