Germanjet磁致伸缩位移传感器为提供不同用户提供非常丰富的信号输出类型,模拟量的电压和电流信号输出外,还提供更为丰富的通信接口包括数字量的SSI和Start/Stop,现场总线的CANbus和Profibus-DP等,下面我们就为大家提供Germanjet磁致伸缩位移传感器的接线图:
1、模拟量输出(电流与电压)

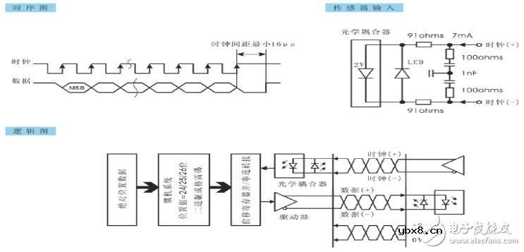
2、SSI输出

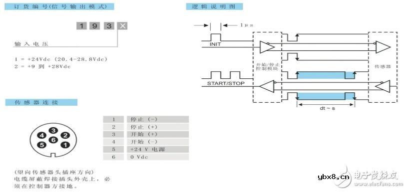
3、Start/Stop输出

4、现场总线的CANbus输出

位移磁尺外置安装时,配用开口磁环。对测量范围小于是1000mm的传感器,建议选用FM-2安装附件;大于1500mm的,选用FM—3安装附件。
1.用传感器支架将传感器卡住,并将支架用锁紧螺母固定在传感器上。
2.将磁环用两个防松垫圈#6和两个专用螺钉M3×14固定在磁环支架上,将磁环装在测杆上,螺钉头部应朝向六方基座侧;磁环应尽量与测杆同心且无接触,但磁环稍有偏心不会影响传感器的性能。
3.将固定板条紧绕在测杆的最末端,用两个M3×8螺钉和两个M3螺母将固定板条固定在测杆支架上。
注意:FM-2安装附件只提供一根固定板条,将其固定在距测杆末端25mm以内;FM-3安装附件有三根固定板条,安装方法为:一根固定在距末端约25mm以内,另外两根均布在测杆上。
4.最后将整个初装好的传感器套件,按安装要求用相应的螺钉把传感器支架和测杆支架固定在安装现场预定的位置即可。

1.将传感器旋入液压缸外缸套的安装孔内拧紧,如图2所示。(注:加工液压缸安装孔请与磁尺安装螺纹保持一致,“O”形圈的密封面应按图3所示加工;表1是磁尺安装螺纹尺寸选型表)
2.根据所选用磁环的尺寸,在活塞杆上加工出安放磁环和非导磁垫片的安装空间(参考图2)并加工好四个M3安装螺纹孔,将磁环垫上非导磁垫片用专用螺钉M3×16和专用垫圈#6固定好。将磁环用内六角螺钉M3×12固定在磁环支架上,当将磁环装在测杆时,螺钉头部应朝向电子仓侧;磁环应尽量与测杆同心且无接触,但磁环稍有偏心不会影响传感器的性能。
3.将传感器测杆穿过磁环插入空心活塞内腔,磁环应尽量与测杆同心,但磁环偏心对测量精度无影响。

RT809H编程器教程:飞线备份ZLM65HIS整机程...
时间:2026-03-17
RT809H编程器教程:长虹液晶电视ZLS69HI飞线...
时间:2026-03-17
创维智能电视47E750A卡在“开机启动中”刷机...
时间:2026-03-17
RT809H编程器教程:长虹ZLM41GIJ1机芯(MT55...
时间:2026-03-17
RT809H编程器教程:长虹ZLM41GIJ1机芯(MT55...
时间:2026-03-17
RT809H编程器教程:创维8R96-RTD2992飞线烧...
时间:2026-03-17
RT809H编程器教程:24、25、93系列芯片任意...
时间:2026-03-17
RT809H编程器教程:MT5508方案控制台进入-擦...
时间:2026-03-17
RT809H编程器教程:T.MT5508.U801飞线备份-...
时间:2026-03-17
RT809H编程器教程:ZLM61打印信息查看-擦空...
时间:2026-03-17
玻璃釉电容器的结构与特点
时间:2026-03-05
电阻的标称阻值和允许偏差
时间:2026-03-05
石英灯电子变压器电路原理
时间:2026-03-06
变压器并列运行的条件浅析
时间:2026-03-06
关于STM32WL LSE 添加反馈电阻后无法起振的...
时间:2026-03-05
可调电阻怎么接线
时间:2026-03-05
压敏电阻有正负极吗
时间:2026-03-05
碳膜电阻如何识别_金属膜电阻器和碳膜电阻器...
时间:2026-03-05
晶体三极管放大电路的非线形失真及其解决办...
时间:2026-03-07
怎样测试三极管的好坏,NPN三极管如何知道是...
时间:2026-03-07