应变式扭矩传感器是电阻应变式传感器的一大类型,应变式扭矩传感器主要分为静态扭矩传感器和动态扭矩传感器等。
静态扭矩传感器
静态扭矩传感器根据电阻应变原理把扭转力矩产生的应变转换成与其成线性关系的电信号,该系列产品制造工艺成熟,品种齐全,量程范围广,精度高,性能稳定可靠。
动态扭矩传感器
动态扭矩传感器基于电阻应变原理,通过集流环、电刷实现供电与信号输出,适合于间断或较低速测量使用。可测量正反两个方向的扭矩。可测量动态也可测量静态扭矩。

应变式扭矩传感器的优点:电阻应变式扭矩传感器的技术成熟,在超大量程转矩测量方面可靠性较好,技术风险低。
应变式扭矩传感器的应用:
1、电动机、发动机、内燃机等旋转动力设备输出扭矩及功率的检测;
2、风机、水泵、齿轮箱、扭力板手的扭矩及功率的检测;
3、铁路机车、汽车、拖拉机、飞机、船舶、矿山机械中的扭矩及功率的检测;
4、可用于污水处理系统中的扭矩及功率的检测;
5、可用于制造粘度
计;6、可用于过程工业和流程工业中。
应变式扭矩传感器应用电路图
成品应变式扭矩传感器是以图所示结构为核心制造的。除此以外还有减震的基座,以及配套的联轴器。并且为了减少带来的额外负载,成品扭矩传感器制造精度很高,内部摩擦力很小。
另外图中给出了常见扭矩传感器的安装方式。显然若使用刚性联轴器,由于无减震作用,对两轴的安装要求比较高。若使用带减震功能的联轴器,则会抬高成本。不过与声波表面力矩传感器等相比,扭矩传感器依然是在一般工况下最合适的扭矩传感器之选。
传感器采集的信号需要通过一系列处理

扭矩传感器的两种常见安装方式
才能使用。经过学习与资料查找,一个典型的信号采集处理的电路部分如下图

扭矩传感器系统设计图
磁电式传感器是利用电磁感应原理,将输入运动速度变换成感应电势输出的传感器。它不需要辅助电源,就能把被测对象的机械能转换成易于测量的电信号,是一种有源传感器。

图是磁电式扭矩传感器的工作原理图.在驱动源和负载之间的扭转轴的两侧安装有齿形圆盘.它们旁边装有相应的两个磁电传感器.磁电传感器的结构见图所示.传感器的检测元件部分由永久磁铁、感应线圈和铁芯组成.永久磁铁产生的磁力线与齿形圆盘交接.当齿形圆盘旋转时,圆盘齿凸凹引起磁路气隙的变化,于是磁通量也发生变化,在线圈中感应出交流电压,其频率在数值上等于圆盘上齿数与转数的乘积。
当扭矩作用在扭转轴上时,两个磁电传感器输出的感应电压U1和U2存在相位差.这个相位差与扭转轴的扭转角成正比.这样,传感器就可以把扭矩引起的扭转角转换成相位差的电信号。

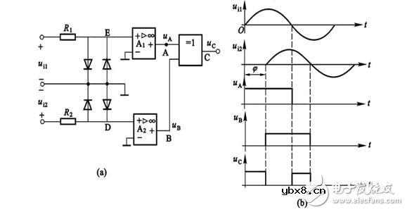
相位差测量电路
上图是相位差检测器原理图,图中A.AZ是两个过零比较器,R1、RZ起限流作用,其参数选择视输入ui与UZ的大小而定。设U 1超前ui2i 当此二信号经两对反并联的三管限幅后,进入比较器A和A2i 再经异或门后便得出脉冲宽度等于两个电压相位差的信号。这里两对反并联的二极管的限幅作用是必要的。因为对于选择好的参数R1、RZ和二极管,只要保证R1、RZ和二极管能承受U 1和ujz的波动,D和E两点的电位永远不会超过0.7V,从而保证了A和A2不致因电压过高而损坏。

变压器式位移传感器是将位移的变化转换为线圈互感的变化。当在变压器的原边输入交流电压U时,副绕组感应出电势E。当铁芯在线圈中移动时,其互感作相应变化,因而感应电动势也变化,其变化量(4E )正比于铁心的位移(+x )。因此通过测量副边电压,即可测量机械位移。
变压器式位移传感器的测量原理图及测量电路框图如下图所示。信号源可产生正弦交流信号,经功率放大后加到变压器的原边,变压器的副边的电压经放大、精密整流、滤波,将交流电压变换为直流电压,因为各环节均是线性的,因此其直流电压4Ug值正比于位移4X。
转向辅助灯和自动转向灯的对比 各有何作用
时间:2026-03-16
浅谈接近与环境光强度数字传感器-APDS9930
时间:2026-03-16
详解DHT11数字温湿度传感器实验
时间:2026-03-16
详解Arduino GY-30数字光强传感器应用
时间:2026-03-16
浅析数字传感器的现在与未来
时间:2026-03-16
浅析CC2530下ZigBee协议栈中添加BH1750数字...
时间:2026-03-16
自动大灯远近光原理 自动大灯正确使用方法
时间:2026-03-16
热电偶为什么要冷端补偿
时间:2026-03-16
ZMOD4410总挥发性有机物和室内空气质量传感...
时间:2026-03-16
矽睿科技完成B轮融资 成立新一届董事会
时间:2026-03-16
玻璃釉电容器的结构与特点
时间:2026-03-05
电阻的标称阻值和允许偏差
时间:2026-03-05
石英灯电子变压器电路原理
时间:2026-03-06
变压器并列运行的条件浅析
时间:2026-03-06
关于STM32WL LSE 添加反馈电阻后无法起振的...
时间:2026-03-05
可调电阻怎么接线
时间:2026-03-05
压敏电阻有正负极吗
时间:2026-03-05
碳膜电阻如何识别_金属膜电阻器和碳膜电阻器...
时间:2026-03-05
晶体三极管放大电路的非线形失真及其解决办...
时间:2026-03-07
怎样测试三极管的好坏,NPN三极管如何知道是...
时间:2026-03-07