随着社会老龄化进程的加速,到2050年,我国65岁以上老人数量将达到4亿,占中国人口总量的30%,而跌倒是造成老年人意外伤害的主要原因之一。随着年龄的增长,老年人的身体既能下降,反应变慢,因跌倒导致的死亡率和受伤率急剧增加。所以在不影响老人日常活动的前提下,研发一种能够实时检测老人是否跌倒并及时报警,保护老人安全的跌倒监测装备具有重大意义。
目前,跌倒检测的方法有很多,从信息采集的渠道分类,可以分为以下三种:
(1)基于视频的跌倒检测方法通过在房间内安置1个或多个摄像头来捕捉人体运动画面,经过图像处理,判定老人是否跌倒。其不足之之处是只能在安装了摄像头的地方使用,且可能对检测者造成隐私泄漏。
(2)基于声学的跌倒检测方法通过分析跌倒时老人触地的音频变化来检测。其不足之之处是精度不高,一般作为其他检测方法的辅助检测。
(3)基于多传感器的可穿戴式跌倒检测方法设计一种运动微型传感器的可穿戴设备。该检测方法优点明显,不受空间的限制,可以实时地检测人体活动,比基于视频和基于声学的检测方法更适用于跌倒检测。
本文提出了一种基于MPU6050的老年人跌倒监测系统,首先利用传感器MPU6050内部集成的三轴加速度、陀螺仪组件和STM32处理器结合来实现数据采集,再运用跌倒检测算法识别跌倒事件。与此同时,采用基于android智能手机的报警系统,利用蓝牙4.0技术,将跌倒信息传输到智能手机上,手机进行语音报警并将GPS信息通过短信形式通知家人和医院,保证老人跌倒后能够得到及时救助。
本系统由数据采集和分析模块及手机定位报警模块两部分组成:第一部分包括传感器MPU6050、主处理器STM32F103C8T6和HC-08蓝牙4.0模块,这模块安装在老人的腰部;第二部分由android智能手机构成,手机和蓝牙匹配后,手机启动GPS定位,通过短信将跌倒信息通知给家人和医院紧急救护系统。本系统结构如图1所示。

图1 系统结构图
主控制器是高性能的ARMCortexTM-M332位的RISC内核单片机STM32F103C8T6,其工作频率可高达72MHz,内置高速存储器(20KBSRAM、64KBFLASH),工作电压范围在2~3.6V。
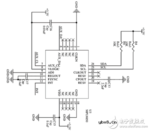
MPU6050是整合了加速度和陀螺仪的传感器,它和STM32单片机之间的通信采用400KHZ的IIC接口,其供电电压范围为5V。将STM32的引脚(SDA)和PB7(SCL)分别和MPU6050的24号引脚(SDA)和23号引脚(SCL)相连接,可实现传感器和微处理器通信。

图2 MPU6050接线图
转向辅助灯和自动转向灯的对比 各有何作用
时间:2026-03-16
浅谈接近与环境光强度数字传感器-APDS9930
时间:2026-03-16
详解DHT11数字温湿度传感器实验
时间:2026-03-16
详解Arduino GY-30数字光强传感器应用
时间:2026-03-16
浅析数字传感器的现在与未来
时间:2026-03-16
浅析CC2530下ZigBee协议栈中添加BH1750数字...
时间:2026-03-16
自动大灯远近光原理 自动大灯正确使用方法
时间:2026-03-16
热电偶为什么要冷端补偿
时间:2026-03-16
ZMOD4410总挥发性有机物和室内空气质量传感...
时间:2026-03-16
矽睿科技完成B轮融资 成立新一届董事会
时间:2026-03-16
玻璃釉电容器的结构与特点
时间:2026-03-05
电阻的标称阻值和允许偏差
时间:2026-03-05
石英灯电子变压器电路原理
时间:2026-03-06
变压器并列运行的条件浅析
时间:2026-03-06
关于STM32WL LSE 添加反馈电阻后无法起振的...
时间:2026-03-05
可调电阻怎么接线
时间:2026-03-05
压敏电阻有正负极吗
时间:2026-03-05
碳膜电阻如何识别_金属膜电阻器和碳膜电阻器...
时间:2026-03-05
晶体三极管放大电路的非线形失真及其解决办...
时间:2026-03-07
怎样测试三极管的好坏,NPN三极管如何知道是...
时间:2026-03-07