霍尔传感器一般有3根线的和2根线的。3线的Vcc、OUT、GND 。2线的Vcc、OUT
霍尔传感器是根据霍尔效应制作的一种磁场传感器。通过霍尔效应实验测定的霍尔系数,能够判断半导体材料的导电类型、载流子浓度及载流子迁移率等重要参数。
霍尔效应是磁电效应的一种,这一现象是霍尔(A.H.Hall,1855—1938)于1879年在研究金属的导电机构时发现的。后来发现半导体、导电流体等也有这种效应,而半导体的霍尔效应比金属强得多,利用这现象制成的各种霍尔元件,广泛地应用于工业自动化技术、检测技术及信息处理等方面。霍尔效应是研究半导体材料性能的基本方法。

由霍尔效应的原理知,霍尔电势的大小取决于:Rh为霍尔常数,它与半导体材质有关;I为霍尔元件的偏置电流;B为磁场强度;d为半导体材料的厚度。对于一个给定的霍尔器件,当偏置电流 I 固定时,UH将完全取决于被测的磁场强度B。
一个霍尔元件一般有四个引出端子,其中两根是霍尔元件的偏置电流 I 的输入端,另两根是霍尔电压的输出端。如果两输出端构成外回路,就会产生霍尔电流。一般地说,偏置电流的设定通常由外部的基准电压源给出;若精度要求高,则基准电压源均用恒流源取代。为了达到高的灵敏度,有的霍尔元件的传感面上装有高导磁系数的镀膜合金;这类传感器的霍尔电势较大,但在0.05T左右出现饱和,仅适用在低量限、小量程下使用。
在半导体薄片两端通以控制电流I,并在薄片的垂直方向施加磁感应强度为B的匀强磁场,则在垂直于电流和磁场的方向上,将产生电势差为UH的霍尔电压。
霍尔传感器分为线型霍尔传感器和开关型霍尔传感器两种。
(一)开关型霍尔传感器由稳压器、霍尔元件、差分放大器,斯密特触发器和输出级组成,它输出数字量。开关型霍尔传感器还有一种特殊的形式,称为锁键型霍尔传感器。
(二)线性型霍尔传感器由霍尔元件、线性放大器和射极跟随器组成,它输出模拟量。
线性霍尔传感器又可分为开环式和闭环式。闭环式霍尔传感器又称零磁通霍尔传感器。线性霍尔传感器主要用于交直流电流和电压测量。
1、 霍尔传感器可以测量任意波形的电流和电压,如:直流、交流、脉冲波形等,甚至对瞬态峰值的测量。副边电流忠实地反应原边电流的波形。而普通互感器则是无法与其比拟的,它一般只适用于测量50Hz正弦波;
2、 原边电路与副边电路之间有良好的电气隔离,隔离电压可达9600Vrms;
3、精度高:在工作温度区内精度优于1%,该精度适合于任何波形的测量;
4、线性度好:优于0.1%;
5、宽带宽:高带宽的电流传感器上升时间可小于1μs;但是,电压传感器带宽较窄,一般在15kHz以内,6400Vrms的高压电压传感器上升时间约500uS,带宽约700Hz。
6、测量范围:霍尔传感器为系列产品,电流测量可达50KA,电压测量可达6400V。
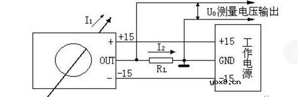
霍尔电流传感器一般都是双电源12-15V供电,接线分别是:电源+,电源—,输出+,输出—,一般都是这样的,也有三线制的,就是电源和输出的—是供地的。

一根电源正极,一根公共点,一根信号输出。
霍尔电压随磁场强度的变化而变化,磁场越强,电压越高,磁场越弱,电压越低,霍尔电压值很小,通常只有几个毫伏,但经集成电路中的放大器放大,就能使该电压放大到足以输出较强的信号。若使霍尔集成电路起传感作用,需要用机械的方法来改变磁场强度。
下图所示的方法是用一个转动的叶轮作为控制磁通量的开关,当叶轮叶片处于磁铁和霍尔集成电路之间的气隙中时,磁场偏离集成片,霍尔电压消失。这样,霍尔集成电路的输出电压的变化,就能表示出叶轮驱动轴的某一位置,利用这一工作原理,可将霍尔集成电路片用作用点火正时传感器。霍尔效应传感器属于被动型传感器,它要有外加电源才能工作,这一特点使它能检测转速低的运转情况。
转向辅助灯和自动转向灯的对比 各有何作用
时间:2026-03-16
浅谈接近与环境光强度数字传感器-APDS9930
时间:2026-03-16
详解DHT11数字温湿度传感器实验
时间:2026-03-16
详解Arduino GY-30数字光强传感器应用
时间:2026-03-16
浅析数字传感器的现在与未来
时间:2026-03-16
浅析CC2530下ZigBee协议栈中添加BH1750数字...
时间:2026-03-16
自动大灯远近光原理 自动大灯正确使用方法
时间:2026-03-16
热电偶为什么要冷端补偿
时间:2026-03-16
ZMOD4410总挥发性有机物和室内空气质量传感...
时间:2026-03-16
矽睿科技完成B轮融资 成立新一届董事会
时间:2026-03-16
玻璃釉电容器的结构与特点
时间:2026-03-05
电阻的标称阻值和允许偏差
时间:2026-03-05
石英灯电子变压器电路原理
时间:2026-03-06
变压器并列运行的条件浅析
时间:2026-03-06
关于STM32WL LSE 添加反馈电阻后无法起振的...
时间:2026-03-05
可调电阻怎么接线
时间:2026-03-05
压敏电阻有正负极吗
时间:2026-03-05
碳膜电阻如何识别_金属膜电阻器和碳膜电阻器...
时间:2026-03-05
晶体三极管放大电路的非线形失真及其解决办...
时间:2026-03-07
怎样测试三极管的好坏,NPN三极管如何知道是...
时间:2026-03-07