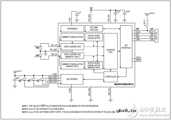
Maxim公司的MAX86140/MAX86141是超低功耗全集成光学数据采集系统,发送端MAX86140/MAX86141有三个可编程大电流LED驱动器,可驱动多达六个LED;在接收端,MAX86140有单个光学读出通路,而MAX86141有两个能同时工作的光学读出通路.器件的低噪音信号调理模拟前端(AFE)包产到户有19位ADC,业界一流环境光消除(ALC)电路,警戒围栏检测和替代算法.动态范围> 90dB,工作电压1.8V,主要用在可穿戴设备,氧饱和(SpO2)以及肌肉氧饱和(SmO2和StO2).本文介绍了MAX86140/MAX86141主要优势和特性,框图和应用电路,以及MAX86140/MAX86141评估系统主要特性,框图,电路图,材料清单和PCB设计图.
The MAX86140/MAX86141 are ultra-low-power, completely integrated, optical data acquisition systems. On the transmitter side, the MAX86140/MAX86141 have three programmable high-current LED drivers that can be configured to drive up to six LEDs. With two MAX86140/MAX86141 devices working in master-slave mode, the LED drivers can drive up to twelve LEDs. On the receiver side, MAX86140 consists of a single optical readout channels, while the MAX86141 has two optical readout channels that can operate simultaneously. The devices have low-noise signal conditioning analog front-end (AFE) including 19-bit ADC, an industry-lead ambient light cancellation (ALC) circuit, and a picket fence detect and replace algorithm. Due to the low power consumption, compact size, easy/flexible-to-use and industry-lead ambient light rejection capability of MAX86140/MAX86141, the devices are ideal for a wide variety of optical-sensing applications, such as pulse oximetry and heart rate detection.
The MAX86140/MAX86141 operate on a 1.8V main supply voltage and a 3.1~5.5V LED driver supply voltage. Both devices support a standard SPI compatible interface and fully autonomous operation. Each device has a large 128-word built-in FIFO. The MAX86140/MAX86141 is available in compact wafer-level package (WLP)(2.048 x 1.848mm) with 0.4mm ball pitch.
MAX86140/MAX86141主要优势和特性:
Complete Single and Dual-Channel Optical Data Acquisition System
Built-in Algorithm Further Enhances Rejection of Fast Ambient Transients
Optimized Architecture for Transmissive and Reflective Heart Rate or SpO2 Monitoring
Low Dark Current Noise of < 50pA RMS (Sample to Sample Variance)
Lower Effective Dark Current Noise Achievable Through Multiple Sample Modes and On-Chip Averaging
High-Resolution, 19-Bit Charge Integrating ADC
Three Low-Noise, 8-Bit LED Current DACs
Excellent Dynamic Range>90dB in White Card Loop-Back Test (Sample-to-Sample Variance)
Dynamic Range Extendable to > 104dB for SpO2 and > 110dB for HRM with Multiple Sample Modes and On-Chip Averaging
Excellent Ambient Range and Rejection Capability> 100μA Ambient Photodetector Current
> 70dB Ambient Rejection at 120Hz
Ultra-Low-Power Operation for Body Wearable DevicesLow-Power Operation, Optical Readout Channel< 10μA (typ) at 25sps
Short Exposure Integration Period of 14.8μs, 29.4μs, 58.7μs, 117.3μs
Low Shutdown Current = 20μW (typ)
Built-in Algorithm Further Enhances Rejection of Fast Ambient Transients
Miniature 2.048 x 1.848mm, 5 x 4 0.4mm Ball Pitch WLP
-40 ℃ to +85℃ Operating Temperature Range
MAX86140/MAX86141应用:
Wearable Devices for Fitness, Wellness and Medical Applications
Optimized for Wrist, Finger, Ear, and Other Locations
Optimized Performance to DetectOptical Heart Rate
Oxygen Saturation (SpO2)
Muscle Oxygen Saturation (SmO2 and StO2)
































转向辅助灯和自动转向灯的对比 各有何作用
时间:2026-03-16
浅谈接近与环境光强度数字传感器-APDS9930
时间:2026-03-16
详解DHT11数字温湿度传感器实验
时间:2026-03-16
详解Arduino GY-30数字光强传感器应用
时间:2026-03-16
浅析数字传感器的现在与未来
时间:2026-03-16
浅析CC2530下ZigBee协议栈中添加BH1750数字...
时间:2026-03-16
自动大灯远近光原理 自动大灯正确使用方法
时间:2026-03-16
热电偶为什么要冷端补偿
时间:2026-03-16
ZMOD4410总挥发性有机物和室内空气质量传感...
时间:2026-03-16
矽睿科技完成B轮融资 成立新一届董事会
时间:2026-03-16
玻璃釉电容器的结构与特点
时间:2026-03-05
电阻的标称阻值和允许偏差
时间:2026-03-05
石英灯电子变压器电路原理
时间:2026-03-06
变压器并列运行的条件浅析
时间:2026-03-06
关于STM32WL LSE 添加反馈电阻后无法起振的...
时间:2026-03-05
可调电阻怎么接线
时间:2026-03-05
压敏电阻有正负极吗
时间:2026-03-05
碳膜电阻如何识别_金属膜电阻器和碳膜电阻器...
时间:2026-03-05
晶体三极管放大电路的非线形失真及其解决办...
时间:2026-03-07
怎样测试三极管的好坏,NPN三极管如何知道是...
时间:2026-03-07