ds18b20是常用的数字温度传感器,具有体积小,硬件开销低,抗干扰能力强,精度高的特点。ds18b20数字温度传感器接线方便,封装成后可应用于多种场合,如管道式,螺纹式,磁铁吸附式,不锈钢封装式,型号多种多样,有LTM8877,LTM8874等等。主要根据应用场合的不同而改变其外观。封装后的ds18b20可用于电缆沟测温,高炉水循环测温,锅炉测温,机房测温,农业大棚测温,洁净室测温,弹药库测温等各种非极限温度场合。耐磨耐碰,体积小,使用方便,封装形式多样,适用于各种狭小空间设备数字测温和控制领域。

ds18b20最大供电电压:5.5 V
ds18b20最小供电电压:3 V
ds18b20最大工作温度:125 Cel
ds18b20最小工作温度:-55 Cel
ds18b20最大精度:0.5000
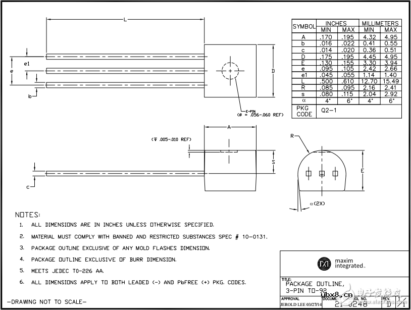
ds18b20加工封装描述:TO-92, 3 PIN
ds18b20状态:ACTIVE
ds18b20外罩:塑料
ds18b20高度:4.63 mm
ds18b20宽度:3.62 mm
ds18b20端子涂层:锡 铅
ds18b20安装特点:通孔安装
ds18b20端子类型:焊接
ds18b20工作电流:1.5 mA
ds18b20包装类型:矩形的
ds18b20长度或直径:4.7 mm
ds18b20位数:12
ds18b20输出接口类型:1-线 接口
ds18b20传感器类型:串行

工业4.0:称重传感器行业的“四一八”
时间:2026-03-16
大联大世平集团推出智能手机之指纹识别和高...
时间:2026-03-16
大联大友尚集团推出先进的ST新款动作传感器
时间:2026-03-16
Littelfuse公司的新型压装式舌簧传感器安装...
时间:2026-03-16
Dialog公司推出最低功耗的12自由度蓝牙智能...
时间:2026-03-16
SMI推出高稳定性、高精度的中等压力传感器
时间:2026-03-16
大联大品佳集团力推Liteon(光宝科技)应用...
时间:2026-03-16
Molex 为集成传感器系统提供全套印刷型传感...
时间:2026-03-16
Mouser备货业界最小的IO-Link设备收发器Max...
时间:2026-03-16
宇航员可穿戴感应器 Hexoskin助力监控生命体...
时间:2026-03-16
玻璃釉电容器的结构与特点
时间:2026-03-05
电阻的标称阻值和允许偏差
时间:2026-03-05
石英灯电子变压器电路原理
时间:2026-03-06
变压器并列运行的条件浅析
时间:2026-03-06
关于STM32WL LSE 添加反馈电阻后无法起振的...
时间:2026-03-05
压敏电阻有正负极吗
时间:2026-03-05
碳膜电阻如何识别_金属膜电阻器和碳膜电阻器...
时间:2026-03-05
晶体三极管放大电路的非线形失真及其解决办...
时间:2026-03-07
旋转变压器原理与应用知识
时间:2026-03-06
绝缘电阻用什么来测量_绝缘电阻测量方法
时间:2026-03-05