光电传感器在自动化生产线上的应用
引言
光电传感器是采用光电元件作为检测元件,首先把被测量的变化转变为信号的变化,然后借助光电元件进一步将光信号转换成电信号。光电传感器一般由光源、光学通路和光电元件3部分组成。光电检测方法具有精度高、反应快、非接触等优点,而且可测参数多,传感器的结构简单,形式灵活多样,体积小。近年来,随着光电技术的发展,光电传感器已成为系列产品,其品种及产量日益增加,用户可根据需要选用各种规格产品,在各种轻工自动机上获得广泛的应用。
1 光电式带材跑偏检测器
带材跑偏检测器用来检测带型材料在加工中偏离正确位置的大小及方向,从而为纠偏控制电路提供纠偏信号,主要用于印染、送纸、胶片、磁带生产过程中。
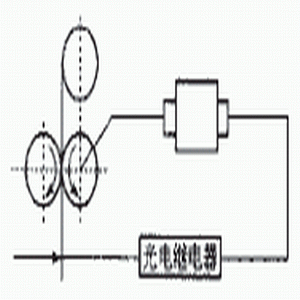
光电式带材跑偏检测器原理如图1所示。光源发出的光线经过透镜1会聚为行光束,投向透镜2,随后被会聚到光敏电阻上。在平行光束到达透镜2的途中,有部分光线受到被测带材的遮挡,使传到光敏电阻的光通量减少。

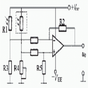
图2为测量电路简图。R1、R2是同型号的光敏电阻。R1作为测量元件装在带材下方,R2用遮光罩罩住,起温度补偿作用。当带材处于正确位置( 中间位)时,由R1、R2、R3、R4组成的电桥平衡,使放大器输出电压U0为0。当带材左偏时,遮光面积减少,光敏电阻R1阻值减少,电桥失去平衡。差动放大器将这一不平衡电压加以放大,输出电压为负值,它反映了带材跑偏的方向及大小。反之,当带材右偏时,U0为正值。输出信号U0一方面由显示器显示出来,另一方面被送到执行机构,为纠偏控制系统提供纠偏信号。

2 包装充填物高度检测
用容积法计量包装的成品,除了对重量有一定误差范围要求外,一般还对充填高度有一定的要求,以保证商品的外观质量,不符合充填高度的成品将不许出厂。图3所示为借助光电检测技术控制充填高度的原理。当充填高度h偏差太大时,光电接头没有电信号,即由执行机构将包装物品推出进行处理。

3 光电色质检测
图4为包装物料的光电色质检测原理。若包装物品规定底色为白色,因质量不佳,有的出现泛黄,在产品包装前先由光电检测色质,物品泛黄时就有比较电压差输出,接通电磁阀,由压缩空气将泛黄物品吹出。

4 彩塑包装制袋塑料薄膜位置控制
图5为包装机塑料薄膜位置控制系统原理。成卷的塑料薄膜上印有商标和文字,并有定位色标。包装时要求商标及文字定位准确,不得将图案在中间切断。薄膜上商标的位置由光电系统检测,并经放大后去控制电磁离合器。薄膜上色标( 不透光的一小块面积,一般为黑色)未到达定位色标位置时,光电系统因投光器的光线能透过薄膜而使电磁离合器有电而吸合,薄膜得以继续运动,薄膜上的色标到达定位色标位置时,因投光器的光线被色标挡住而发出到位的信号,此信号经光电变换、放大后,使电磁离合器断电脱开,薄膜就准确地停在该位置,待切断后再继续运动。

当薄膜上的色标未到达光电管时,光电继电器线圈无电流通过,伺服电机转动,带动薄膜继续前进。当色标到达光电管位置时,光电继电器线圈有电流,伺服电机立即停转,因而薄膜就停在那一个位置。当切断动作完成后,又使伺服电机继续转动。如图6所示。

5 其他方面的应用
利用光电开关还可以进行产品流水线上的产量统计、对装配件是否到位及装配质量进行检测,例如灌装时瓶盖是否压上、商标是否漏贴(见图7),以及送料机构是否断料(见图8)等。

此外,利用反射式光电传感器可以检测布料的有无和宽度(见图9)。利用遮挡式光电传感器检测布料的下垂度,其结果可用于调整布料在传送中的张力,利用安装在框架上的反射式光电传感器可以发现漏装产品的空箱,并利用油缸将空箱推出。
6 结束语
可以预见,随着自动化技术的迅速发展,光电传感器在轻工自动生产线上作为检测装置将获得越来越广泛的应用。
新型植入式气体传感器问世,可在人体内溶解
时间:2026-03-16
美国康奈尔大学官网
时间:2026-03-16
差压传感器的典型应用_差压传感器的安装
时间:2026-03-16
建筑物中的物联网传感器可以做什么?
时间:2026-03-16
物位传感器有哪些_物位传感器的实际应用
时间:2026-03-16
物位传感器的工作原理_物位传感器的特点
时间:2026-03-16
陀螺仪传感器的分类_陀螺仪传感器有什么用
时间:2026-03-16
模糊传感器的结构_模糊传感器的应用
时间:2026-03-16
小米重磅发布人体传感器2
时间:2026-03-16
中小企业受困 CIS 芯片缺货
时间:2026-03-16
玻璃釉电容器的结构与特点
时间:2026-03-05
电阻的标称阻值和允许偏差
时间:2026-03-05
石英灯电子变压器电路原理
时间:2026-03-06
变压器并列运行的条件浅析
时间:2026-03-06
关于STM32WL LSE 添加反馈电阻后无法起振的...
时间:2026-03-05
可调电阻怎么接线
时间:2026-03-05
压敏电阻有正负极吗
时间:2026-03-05
碳膜电阻如何识别_金属膜电阻器和碳膜电阻器...
时间:2026-03-05
晶体三极管放大电路的非线形失真及其解决办...
时间:2026-03-07
怎样测试三极管的好坏,NPN三极管如何知道是...
时间:2026-03-07