光敏电阻是用硫化隔或硒化隔等半导体材料制成的特殊电阻器,其工作原理是基于内光电效应。光照愈强,阻值就愈低,随着光照强度的升高,电阻值迅速降低,亮电阻值可小至1KΩ以下。光敏电阻对光线十分敏感,其在无光照时,呈高阻状态,暗电阻一般可达1.5MΩ。光敏电阻的特殊性能,随着科技的发展将得到极其广泛应用。
光敏电阻器是利用半导体的光电导效应制成的一种电阻值随入射光的强弱而改变的电阻器,又称为光电导探测器;入射光强,电阻减小,入射光弱,电阻增大。还有另一种入射光弱,电阻减小,入射光强,电阻增大。
光敏电阻器一般用于光的测量、光的控制和光电转换(将光的变化转换为电的变化)。常用的光敏电阻器硫化镉光敏电阻器,它是由半导体材料制成的。光敏电阻器对光的敏感性(即光谱特性)与人眼对可见光(0.4~0.76)μm的响应很接近,只要人眼可感受的光,都会引起它的阻值变化。设计光控电路时,都用白炽灯泡(小电珠)光线或自然光线作控制光源,使设计大为简化。
光敏电阻器(photovaristor)又叫光感电阻,是利用半导体的光电效应制成的一种电阻值随入射光的强弱而改变的电阻器;入射光强,电阻减小,入射光弱,电阻增大。光敏电阻器一般用于光的测量、光的控制和光电转换(将光的变化转换为电的变化)。
通常,光敏电阻器都制成薄片结构,以便吸收更多的光能。当它受到光的照射时,半导体片(光敏层)内就激发出电子—空穴对,参与导电,使电路中电流增强。一般光敏电阻器结构如图所示。
根据光敏电阻的光谱特性,可分为三种光敏电阻器:
紫外光敏电阻器:对紫外线较灵敏,包括硫化镉、硒化镉光敏电阻器等,用于探测紫外线。
红外光敏电阻器:主要有硫化铅、碲化铅、硒化铅。锑化铟等光敏电阻器,广泛用于导弹制导、天文探测、非接触测量、人体病变探测、红外光谱,红外通信等国防、科学研究和工农业生产中。
可见光光敏电阻器:包括硒、硫化镉、硒化镉、碲化镉、砷化镓、硅、锗、硫化锌光敏电阻器等。主要用于各种光电控制系统,如光电自动开关门户,航标灯、路灯和其他照明系统的自动亮灭,自动给水和自动停水装置,机械上的自动保护装置和“位置检测器”,极薄零件的厚度检测器,照相机自动曝光装置,光电计数器,烟雾报警器,光电跟踪系统等方面。
用于制造光敏电阻的材料主要是金属的硫化物、硒化物和碲化物等半导体。
在黑暗环境里,它的电阻值很高,当受到光照时,只要光子能量大于半导体材料的禁带宽度,则价带中的电子吸收一个光子的能量后可跃迁到导带,并在价带中产生一个带正电荷的空穴,这种由光照产生的电子—空穴对增加了半导体材料中载流子的数目,使其电阻率变小,从而造成光敏电阻阻值下降。光照愈强,阻值愈低。入射光消失后,由光子激发产生的电子—空穴对将逐渐复合,光敏电阻的阻值也就逐渐恢复原值。
光敏电阻可广泛应用于各种光控电路,如对灯光的控制、调节等场合,也可用于光控开关,下面给出几个典型应用电路。
1、光敏电阻调光电路
图1是一种典型的光控调光电路,其工作原理是:当周围光线变弱时引起光敏电阻RG的阻值增加,使加在电容C上的分压上升,进而使可控硅的导通角增大,达到增大照明灯两端电压的目的。反之,若周围的光线变亮,则RG的阻值下降,导致可控硅的导通角变小,照明灯两端电压也同时下降,使灯光变暗,从而实现对灯光照度的控制。

图1 光控调光电路
注意:上述电路中整流桥给出的是必须是直流脉动电压,不能将其用电容滤波变成平滑直流电压,否则电路将无法正常工作。原因在于直流脉动电压既能给可控硅提供过零关断的基本条件,又可使电容C的充电在每个半周从零开始,准确完成对可控硅的同步移相触发。
2、光敏电阻式光控开关
以光敏电阻为核心元件的带继电器控制输出的光控开关电路有许多形式,如自锁亮激发、暗激发及精密亮激发、暗激发等等,下面给出几种典型电路。
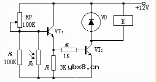
图2是一种简单的暗激发继电器开关电路。其工作原理是:当照度下降到设置值时由于光敏电阻阻值上升激发VT1导通,VT2的激励电流使继电器工作,常开触点闭合,常闭触点断开,实现对外电路的控制。

图2 简单的暗激发光控开关
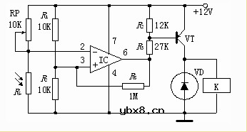
图3是一种精密的暗激发时滞继电器开关电路。其工作原理是:当照度下降到设置值时由于光敏电阻阻值上升使运放IC的反相端电位升高,其输出激发VT导通,VT的激励电流使继电器工作,常开触点闭合,常闭触点断开,实现对外电路的控制。

图3 精密的暗激发光控开关
电感器设计流程和见解
时间:2026-05-01
什么是触发器?触发器的作用是什么?
时间:2026-05-01
什么是电源?电源是如何进行分类的?
时间:2026-05-01
电驱动NVH的特点和结构
时间:2026-05-01
什么是霍尔传感器?
时间:2026-05-01
电负性的计算方法
时间:2026-04-30
电导的定义_电导的单位_电导怎么算
时间:2026-04-30
什么是计数器_计数器的作用
时间:2026-04-30
什么是欧姆定律_欧姆定律公式
时间:2026-04-30
RAID是什么?RAID有哪些?
时间:2026-04-30
电阻的原理和作用 电阻色环识别图 电路中电...
时间:2026-03-09
NVIDIA CPU+GPU超级芯片大升级!
时间:2026-03-09
什么是室温超导?半导体时代将走向结束?芯...
时间:2026-03-09
石英灯电子变压器电路原理
时间:2026-03-06
什么是硅片或者晶圆?一文了解半导体硅晶圆
时间:2026-03-09
半导体光刻工艺 光刻—半导体电路的绘制
时间:2026-03-09
一文详解MOS管驱动电路拓扑的设计
时间:2026-03-09
汽车芯片业应汲取的教训
时间:2026-03-09
压敏电阻型号的含义
时间:2026-03-05
半导体行业之ICT技术简介
时间:2026-03-09